§2-3 分压式偏置电路 教 学 目 标: [知识目标] 1、 理解温度对静态工作点的影响及分压式偏置电路的电路特点; 2、 掌握分压式...
第六章 时序逻辑电路 6-1 分析题图6-1 所示的同步时序电路,画出状态图。 题图6-1 解: 11221211nnnnJKQTQZQ Q, ,,,1...
1. JK 触发器可完成:保持、置0、置1、翻转四种功能。(对) 2、JK 触发器只有置0、置1 两种功能。(错) 3、JK 触发器只有保持、翻...
相交流电动机正反转控制电路安装实训教案 The manuscript was revised on the evening of 2021 三相交流电动机正反转控制电路安...
教师姓名 授课班级 授课形式 授课日期 课时数 授课章节/实训项目 名称 电路的等效变换 教学目标 (知识/能力/素质目标) 知识目标...
教 学 设 计 六 章 节 §1.6 电 动 机 的 正 反 转 控 制 线 路 课 程 电 气 控 制 与 PLC 教 学资 源 《 ...
题目: 函数傅里叶变换在物理中的应用 姓名 董昊煜 郑意南 刘书琬 成梦 左晏宁 国志浩 指导教师 苏德矿教授 年级 大一年级 第...
北 华 航 天 工 业 学 院 《 电 子 技 术 》 课程设计报告 报告题目: 信号发生器设计电路 作 设计一个能产生方波、三角...
1 数字电子课程设计 课题名称 出租车计价器控制电路的设计 所在院系 机电学院 班 级 07自动化(2)班 学 号 200710320227 姓 ...
用三极管实现RS-232 转TTL 电路 一 1, DB9 的2 脚为RS-232 电平信号接收端,RXD;3 脚为RS-232 电平信号发送端, TXD; 2,DB...
育 龙 育 凤 九 年 级 物 理 《 电 学 》 教 学 讲 义 学 习 是 劳 动 , 是 充 实 思 想 的 劳 动 ; 要...
九年级物理电路连接作图专题 一、解答题(共 24 小题,满分 0 分) 1.根据如图所示实物连线图画出电路图. 2.根据如图所示实物连...
九年级物理电路故障专题 班级: 姓名: 日期: 知 识 点 一 : 根 据 电 路 图 讨 论 分 析 ( 说 明 : 假 设 电...
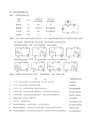
四、简单电路故障分析 题型一:串联电路故障分析 故障 原因 灯 L 电流表 A 的示数变化 电压表 V 的示数变化 R 短路 亮 变大...
第1页 《 动态电路及电路故障》专题强化训练(附答案) 一、选择题 1. 在如下图所示的电路中,当闭合开关 S 后,发现两灯都不亮,电...
第1页 南大附中《 动态电路及电路故障》专题强化训练(附答案) 一、选择题 1. 在如下图所示的电路中,当闭合开关 S 后,发现两灯都...
九年级物理单元测试卷(四) (认识电路) 满分:100 分 考试时间:60 分钟 题 次 一 二 三 四 总 分 得 分 一、选择题(...
第1 页(共1 1 页) 电路故障(菁2 ) 1.图为测定某电阻阻值的电路图,如果某同学在操作中两电表的量程选择是正确的,但不慎将两电表...
1、 如图6 所示的电路中,闭合开关S,能用电压表测量L1两端电压的正确电路是( ) 2、在探究串联电路的电压关系时,某同学使用的电路如下...
主板维修电路顺序: 分为:开机电路,供电电路包括:(CPU 供电电路,内存供电电路,芯片组供电电路)时钟电路,复位电路,BIOS 电路,接...

