电脑桌面
添加小米粒文库到电脑桌面
安装后可以在桌面快捷访问

26m满堂脚手架计算书VIP免费

26m满堂脚手架计算书_第1页
1/10
26m满堂脚手架计算书_第2页
2/10
26m满堂脚手架计算书_第3页
3/10
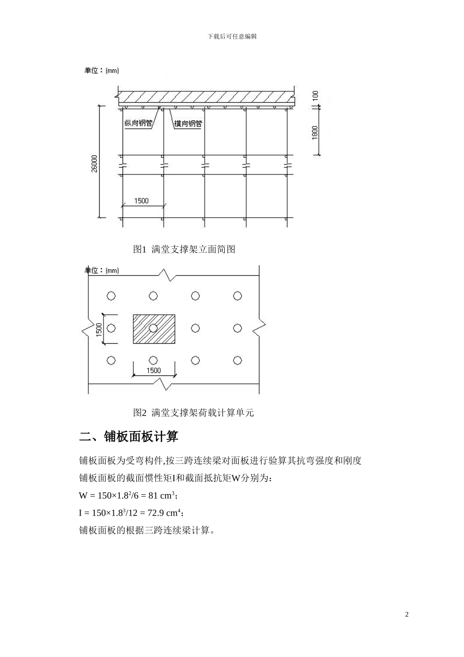
下载后可任意编辑中厅满堂脚手架计算书及构造要求高支撑架的计算依据《建筑施工扣件式钢管脚手架安全技术法律规范》(JGJ130-2001)、《建筑结构荷载法律规范》(GB 50009-2001)、《钢结构设计法律规范》(GB 50017-2024)等法律规范编制。一、参数信息1.满堂支撑架计算参数横向间距或排距(m):1.50;纵距(m):1.50;步距(m):1.80;立杆上端伸出至支撑点长度(m):0.10;支架搭设高度(m):26.00;采纳的钢管(mm):Φ48×3.0 ;板底支撑连接方式:钢管支撑;立杆承重连接方式:双扣件,考虑扣件的保养情况,扣件抗滑承载力系数:0.80;板底钢管的间隔距离(mm):300.00;2.荷载参数铺板自重(kN/m2):0.300;材料堆载考虑(kN/m2):0.500;施工均布荷载标准值(kN/m2):1.000;3.材料参数面板采纳胶合面板,厚度为18mm;板底支撑采纳钢管;面板弹性模量E(N/mm2):9500;面板抗弯强度设计值(N/mm2):13;4.计算参数1下载后可任意编辑 图1 满堂支撑架立面简图 图2 满堂支撑架荷载计算单元二、铺板面板计算铺板面板为受弯构件,按三跨连续梁对面板进行验算其抗弯强度和刚度铺板面板的截面惯性矩I和截面抵抗矩W分别为:W = 150×1.82/6 = 81 cm3;I = 150×1.83/12 = 72.9 cm4;铺板面板的根据三跨连续梁计算。 2下载后可任意编辑 面板计算简图1、荷载计算(1)静荷载为部分材料堆载的自重(kN/m):q1 = 0.5×1.5+0.3×1.5 = 1.2 kN/m;(2)活荷载为施工人员及少量设备荷载(kN/m):q2 = 1×1.5= 1.5 kN/m;2、强度计算计算公式如下:M=0.1ql2其中:q=1.2×1.2+1.4×1.5= 3.54kN/m最大弯矩 M=0.1×3.54×3002= 31860 N·m;面板最大应力计算值 σ =M/W= 31860/81000 = 0.393 N/mm2;面板的抗弯强度设计值 [f]=13 N/mm2;面板的最大应力计算值为 0.393 N/mm2 小于面板的抗弯强度设计值 13 N/mm2,满足要求!3、挠度计算挠度计算公式为ν=0.677ql4/(100EI)≤[ν]=l/250其中q =q1=1.2kN/m面板最大挠度计算值 ν = 0.677×1.2×3004/(100×9500×72.9×104)=0.01 mm; 面板最大允许挠度 [ν]=300/ 250=1.2 mm;面板的最大挠度计算值 0.01 mm 小于 面板的最大允许挠度 1.2 mm,满足要求!三、纵向支撑钢管的计算纵向钢管根据均布荷载下连续梁计算,截面力学参数为3下载后可任意编辑截面抵抗矩 w=4.49cm3截面惯性矩 I=10.78cm4 1.荷载的计算(1)静荷载为钢筋混凝土楼板和模板面板的自重(kN/m):q1= 25×0.3×0.02+0.3×0.3 = 0....

1、当您付费下载文档后,您只拥有了使用权限,并不意味着购买了版权,文档只能用于自身使用,不得用于其他商业用途(如 [转卖]进行直接盈利或[编辑后售卖]进行间接盈利)。
2、本站所有内容均由合作方或网友上传,本站不对文档的完整性、权威性及其观点立场正确性做任何保证或承诺!文档内容仅供研究参考,付费前请自行鉴别。
3、如文档内容存在违规,或者侵犯商业秘密、侵犯著作权等,请点击“违规举报”。

碎片内容

26m满堂脚手架计算书

一帆文传+ 关注
实名认证
内容提供者

欢迎光临店铺,各类公文供您挑选。

相关文档

确认删除?
VIP
微信客服
  • 扫码咨询
会员Q群
  • 会员专属群点击这里加入QQ群
客服邮箱
回到顶部