电脑桌面
添加小米粒文库到电脑桌面
安装后可以在桌面快捷访问

M03人力资源和培训控制程序VIP专享VIP免费

M03人力资源和培训控制程序_第1页
1/3
M03人力资源和培训控制程序_第2页
2/3
M03人力资源和培训控制程序_第3页
3/3
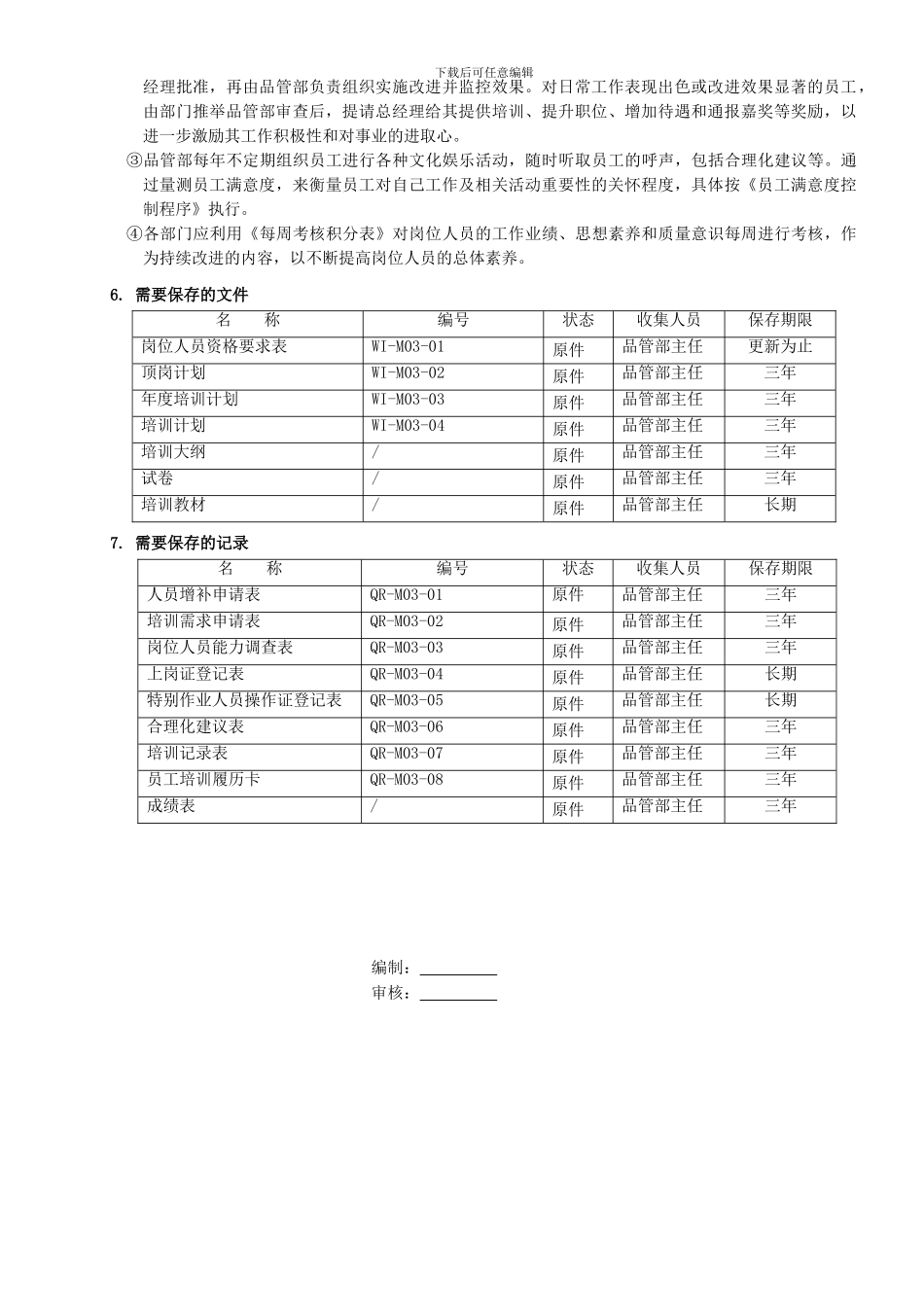
下载后可任意编辑1.目的把培训视为影响本公司所有员工水平的战略事项,通过教育培训提高全体员工的质量意识和劳动技能,有效地开展各项质量活动,使产品质量和工作质量不断稳定提高。2.范围适用于企业内部的人员配置和对企业内所有层次的、所有从事与质量有关活动人员的培训活动。3.术语3.1 特别工作指此岗位有特定质量、技术操作要求的,需要受过专门培训,掌握有特别技能的,需经某专门资格认可后才可上岗操作的工作。特别工作的示例:①特别工序;②特种作业(包括铲车驾驶员、空压机操作工等); 3.2 特别要求① 特别工序要求操作人员具备专门的操作技能;② 特种作业要求经过培训,获得国家社会劳动保障部门颁发的资格证书。4.流程序号流程支持性文件输出文件/记录责任①产品实现控制程序培训需求申请表申请部门负责人② /培训计划培训大纲申请部门负责人人事专员③ / 培训计划培训大纲品管部负责人④ / 培训计划培训大纲管代⑤ /培训记录表申请部门负责人人事专员⑥ /培训记录表证书考试卷心得报告 品管部长⑦ /人员履历卡各类培训文件人事专员5.流程说明5.1 培训流程说明:①.a.各部门根据部门岗位人员安排的实际需求,填写《人员增补申请表》递交品管部。品管部汇同有关部门对《人员增补申请表》进行综合分析、平衡(必要时可听取各方面的意见)和审核后交管代审批,批准后实施部门岗位人员调配和紧缺人员的招聘。b.岗位人员资格要求.品管部应对企业各类岗位人员所应具备和掌握的素养、资历、技能、知识要求进行识别,并制定《岗位人员资格要求表》由管代审批后,发布实施,作为企业人员招聘、调配和培训考核评定的依据。.品管部每年年末发放《岗位人员能力调查表》对所有岗位人员的资格进行,未能满足岗位能力要求培训计划Y培训需求审核批准N修订实施长短期考核评估合格N资料归档Y下载后可任意编辑的员工,公司将对其进行培训或转岗或辞退。.新员工和转岗员工在上岗前必须经过相关培训、能力素养调查和资格评定。②.a.品管部每年年初根据岗位人员调查结果,结合公司进展目标、各部门和员工个人提交的《培训需求申请表》以及顾客要求制定《年度培训计划》,经管代批准后安排培训。非计划内的培训,由需求部门填写《培训需求申请表》交品管部并经管代批准后安排培训。年度培训计划必须考虑每年必须的滚动培训项目,如 TS2 标准、五大工具手册、质量手册及程序文件等的培训内容的安排。b.品管部编制顶岗计划并纳入《公司部...

1、当您付费下载文档后,您只拥有了使用权限,并不意味着购买了版权,文档只能用于自身使用,不得用于其他商业用途(如 [转卖]进行直接盈利或[编辑后售卖]进行间接盈利)。
2、本站所有内容均由合作方或网友上传,本站不对文档的完整性、权威性及其观点立场正确性做任何保证或承诺!文档内容仅供研究参考,付费前请自行鉴别。
3、如文档内容存在违规,或者侵犯商业秘密、侵犯著作权等,请点击“违规举报”。

碎片内容

M03人力资源和培训控制程序

确认删除?
VIP
微信客服
  • 扫码咨询
会员Q群
  • 会员专属群点击这里加入QQ群
客服邮箱
回到顶部