电脑桌面
添加小米粒文库到电脑桌面
安装后可以在桌面快捷访问

港道立体车库原理图VIP专享VIP免费

港道立体车库原理图_第1页
1/43
港道立体车库原理图_第2页
2/43
港道立体车库原理图_第3页
3/43
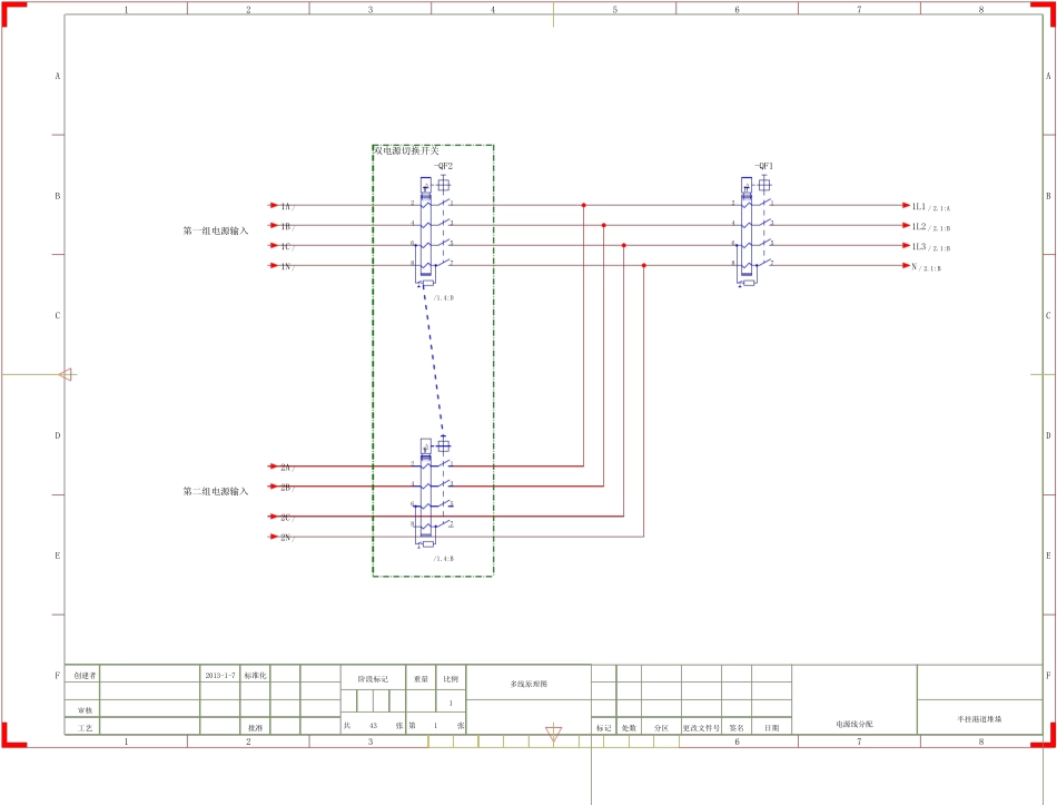
12345678ABCDEF123678ABCDEF比例重量阶段标记日期分区处数更改文件号创建者标记签名1431多线原理图半挂港道堆垛标准化工艺批准审核共张第张2013-1-7电源线分配双电源切换开关第一组电源输入第二组电源输入12345678-QF1ΔI12345678-QF2/1.4:DΔI12345678/1.4:BΔI1L1 / 2.1:A1L2 / 2.1:B1L3 / 2.1:BN / 2.1:B1A /1B /1C /1N /2A /2B /2C /2N /12345678ABCDEF123678ABCDEF比例重量阶段标记日期分区处数更改文件号创建者标记签名1432多线原理图半挂港道堆垛标准化工艺批准审核共张 第张2013-1-25电源线分配移动站电源移动站固定站固定站电源380VAC3x16滑线-W11L1 / 2.6:D1L2 / 2.6:D1L3 /N / 2.3:D1L12.7:A1L22.7:B1L32.3:D1L32.6:DN2.7:B1L1 / 1.7:B1L2 / 1.7:B1L3 / 1.7:BN / 1.7:C12345678ABCDEF123678ABCDEF比例重量阶段标记日期分区处数更改文件号创建者标记签名1432多线原理图半挂港道堆垛标准化工艺批准审核共张 第张2013-1-7移动电源-QM1相序保护器UVWNOCOMNCA1A2-KM112/2.3:A34/2.3:A56/2.3:B1413/12.2:CNCNO12-KM13456/2.3:A/2.3:A/12.2:C/2.5:E13245-T1变压器1314-KA11314-KA21314-KA31314-KA413142324-QF1-VC1直流电源1112-SQ11112-SQ21112-SQ31112-SQ4123456-QF5断路器I>I>I>2L12L22L30VAC101112132L2142L3150VAC99101011111212136782L12L22L3+24VDC0VDC220VAC220VAC0VAC+power-1L1+power-1L2+power-1L1 / +现场工具电源箱/2.1:A+power-1L2 / +现场工具电源箱/2.1:A+power-1L3 / +现场工具电源箱/2.1:A2L1 / 3.1:A2L2 / 3.1:A2L3 / 3.1:A+24VDC / 3.2:E0VDC / 3.2:E220VAC / 3.7:A36VAC /0VAC / 3.8:A12345678ABCDEF123678ABCDEF比例重量阶段标记日期分区处数更改文件号创建者标记签名1433多线原理图半挂港道堆垛标准化工艺批准审核共张 第张2013-1-16提升控制encoder module2ON13456encoder-module6SE6400-0EN00-0AA0DCACACDCDC-link(max. 100mA)ANALOG / 0V until +10V / 0-20mA30VDC / 5A (non-inductive)250VAC / 2A (inductive)RL1(USS-protocol)RS-485DADIP on Control-Board250Hz60Hzn.c.DA0-20mA max. 500Ohmdigital inputsDA1ADC2ADC112DIP on I/O BoardmAVmAVDARL2RL3DA提升电机抱闸变频故障风扇抱闸-PE5:1运行-A1AANBBNZZN18VLK5VVE0VPEB+DC+-T2LL1NL2L3UVWPEADC1+3DC-OV2+10V1DIN37DIN26DIN150V28+24V9N-30P+29NO19COM20DAC1-13DAC1+12PEADC1...

1、当您付费下载文档后,您只拥有了使用权限,并不意味着购买了版权,文档只能用于自身使用,不得用于其他商业用途(如 [转卖]进行直接盈利或[编辑后售卖]进行间接盈利)。
2、本站所有内容均由合作方或网友上传,本站不对文档的完整性、权威性及其观点立场正确性做任何保证或承诺!文档内容仅供研究参考,付费前请自行鉴别。
3、如文档内容存在违规,或者侵犯商业秘密、侵犯著作权等,请点击“违规举报”。

碎片内容

港道立体车库原理图

确认删除?
VIP
微信客服
  • 扫码咨询
会员Q群
  • 会员专属群点击这里加入QQ群
客服邮箱
回到顶部