电脑桌面
添加小米粒文库到电脑桌面
安装后可以在桌面快捷访问

教育最新高中化学专题六物质的定量分析2镀锌铁皮锌镀层厚度测定同步练习苏教版选修6VIP免费

教育最新高中化学专题六物质的定量分析2镀锌铁皮锌镀层厚度测定同步练习苏教版选修6_第1页
1/4
教育最新高中化学专题六物质的定量分析2镀锌铁皮锌镀层厚度测定同步练习苏教版选修6_第2页
2/4
教育最新高中化学专题六物质的定量分析2镀锌铁皮锌镀层厚度测定同步练习苏教版选修6_第3页
3/4
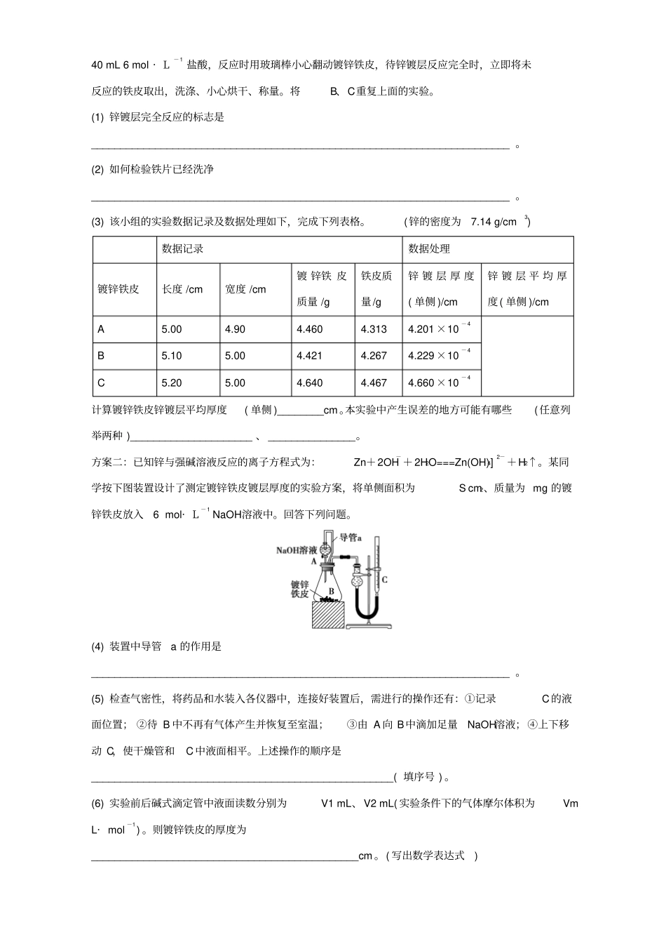
镀锌铁皮锌镀层厚度测定1.下列结论均出自《实验化学》中的实验,其中错误的是( ) A.往新配制的可溶性淀粉溶液中滴加碘水,溶液显蓝色,用CCl4不能从中萃取出碘B.当锌完全溶解后,铁与酸反应产生氢气的速率会显著减慢,此现象可作为判断镀锌铁皮中锌镀层是否完全被反应掉的依据C.镀锌铁皮发生电化学腐蚀时,锌发生氧化反应D.食醋的总酸含量是指食醋中醋酸的总物质的量浓度2.在镀锌铁皮的锌镀层厚度的测定过程中,下列操作会导致测定结果偏高的是( ) A.过早判断反应终点B.过迟判断反应终点C.锌在酸中溶解后,铁皮未烘干就去称重D.在测定铁皮的面积时测得面积比铁皮的实际面积大3.已知锌能溶解在NaOH溶液中,产生H2。某同学据此设计了测定镀锌铁皮镀层厚度的实验方案,将单侧面积为S、质量为 m1的镀锌铁皮与石墨用导线相连,放入6 mol· L-1 NaOH溶液中,当石墨棒上不再有气泡产生时,取出铁片用水冲洗、烘干后称量,得质量为m2。下列说法正确的是 (双选 )( ) A.设锌镀层单侧厚度为h,锌的密度为ρ ,则m1-m22ρ S = h B.锌电极上发生还原反应C.锌和石墨形成原电池,外电路中电流从锌流向石墨D.当石墨不再产生气泡时,应立即取出铁皮4. 利用维生素C能使淀粉碘溶液褪色的性质, 通过实验 ( 如图所示 ) 比较加入苹果汁和橙汁的多少来确定它们中维生素C含量的多少。 要得出正确结论, 在实验时需要控制的条件是 ( ) A.实验时必须向两烧杯中同时滴加液体B.淀粉碘溶液的体积和浓度必须相等C.胶头滴管滴出的果汁的滴数必须相等D.胶头滴管滴出的每滴果汁的体积不用相等5. “白铁皮”具有较强的耐腐蚀性,是生产中常用的金属材料之一。镀锌层犹如铁皮的保护层,这层膜的厚度及均匀度也成了判断镀层质量的重要指标。某研究性学习小组为了测定镀锌铁皮的厚度,设计了下面的实验方案:方案一:取三块镀锌铁皮(A、B、C,截自同一块镀锌铁皮) ,将镀锌铁皮A 放入烧杯中,加入40 mL 6 mol · L-1 盐酸,反应时用玻璃棒小心翻动镀锌铁皮,待锌镀层反应完全时,立即将未反应的铁皮取出,洗涤、小心烘干、称量。将B、C重复上面的实验。(1) 锌镀层完全反应的标志是________________________________________________________________________ 。(2) 如何检验铁片已经洗净________________________________________________________________________ 。(3) 该小组的实验数据记录及数据处理如下,完成...

1、当您付费下载文档后,您只拥有了使用权限,并不意味着购买了版权,文档只能用于自身使用,不得用于其他商业用途(如 [转卖]进行直接盈利或[编辑后售卖]进行间接盈利)。
2、本站所有内容均由合作方或网友上传,本站不对文档的完整性、权威性及其观点立场正确性做任何保证或承诺!文档内容仅供研究参考,付费前请自行鉴别。
3、如文档内容存在违规,或者侵犯商业秘密、侵犯著作权等,请点击“违规举报”。

碎片内容

教育最新高中化学专题六物质的定量分析2镀锌铁皮锌镀层厚度测定同步练习苏教版选修6

确认删除?
VIP
微信客服
  • 扫码咨询
会员Q群
  • 会员专属群点击这里加入QQ群
客服邮箱
回到顶部