电脑桌面
添加小米粒文库到电脑桌面
安装后可以在桌面快捷访问

2025年平面施工图简介VIP免费

2025年平面施工图简介_第1页
1/7
2025年平面施工图简介_第2页
2/7
2025年平面施工图简介_第3页
3/7
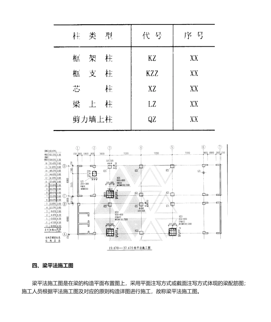
平面施工图介绍一、平法建筑构造施工图平面整体设计办法,简称平法,是对我国现在混凝土构造施工图的设计表达办法的重大变革。平法的体现形式,就是把构造构件的尺寸和配筋等,按照平面整体表达办法制图规则,整体直接地体现在各类构件的构造平面布置图上,再与原则构造详图相配合,以简化设计。各类构造构件按平法的制图规则及构造详图详情可参阅对应图集,如《03G101-1 现浇砼框架、剪力墙、框架-剪力墙、框支剪力墙构造》、《03G101-2 现浇砼板式楼梯》、《04G101-4 现浇砼楼面与屋面板》、《04G101-3 筏形基础平法配筋图集》等。各图集中的制图规则,既是设计者完毕柱、梁、墙平法施工图的根据,也是施工和监理人员精确理解和实施平法施工图的根据。各图集中的构造详图,编入了现在国内惯用的且较为成熟的构造作法,是施工人员必须与平法施工较配套使用的正式设计文献。按平法绘制的施工图出图时,宜按基础、柱、剪力墙、梁、板、楼梯及其它构件的次序排列。二、03G101-1 图集03G101-1 图集涉及惯用的现浇砼柱、梁、墙三种构件的制图规则和构造详图两大部分内容,合用于非抗震和抗震设防烈度为 6、7、8、9 度地区抗震等级为和抗震等级为和特一级和一、二、三、四级的现浇砼框架、剪力墙、框架-剪力墙、框支剪力墙主体构造施工图的设计。按平法绘制构造施工图时,应当用表格或其它方式注明地下、地上各层的构造层楼(地)面标高、构造层高及对应的构造层号,并放在柱、墙、梁等各类构件的平法施工图中。注意, 构造层楼面(地)标高,是指将建筑图中的各层楼(地)面标高值扣除建筑面层及垫层厚度(普通为 30~50mm)后的标高;同时,构造层号应当与建筑层号对应一致。为了确保施工人员精确无误地按平法施工图进行施工,在构造设计总阐明中必须写明下列内容:1、注明所选用平法原则图的图集号(如 03G101-1),以免图集升版后在施工中用错版本。2、写明砼构造的使用年限。3、当有抗震设防规定时,应写明抗震设防烈度和构造抗震等级,以明确选用对应抗震等级的原则构造详图;当无抗震设防规定时,也应写明,以明确选用非抗震的原则构造详图。4、写明柱、墙、梁各类构件在其所在部位所选用的砼强度等级和钢筋级别,以拟定对应纵向受拉钢筋的最小锚固长度及最小搭接长度等。三、柱平法施工图柱平法施工图是在柱的构造平面布置图上,采用列表注写方式或截面注写方式体现的柱配筋图;施工人员根据平法施工图及对应的原则构造详图进行施工...

1、当您付费下载文档后,您只拥有了使用权限,并不意味着购买了版权,文档只能用于自身使用,不得用于其他商业用途(如 [转卖]进行直接盈利或[编辑后售卖]进行间接盈利)。
2、本站所有内容均由合作方或网友上传,本站不对文档的完整性、权威性及其观点立场正确性做任何保证或承诺!文档内容仅供研究参考,付费前请自行鉴别。
3、如文档内容存在违规,或者侵犯商业秘密、侵犯著作权等,请点击“违规举报”。

碎片内容

2025年平面施工图简介

您可能关注的文档

确认删除?
VIP
微信客服
  • 扫码咨询
会员Q群
  • 会员专属群点击这里加入QQ群
客服邮箱
回到顶部