电脑桌面
添加小米粒文库到电脑桌面
安装后可以在桌面快捷访问

机械原理题目---轮系VIP专享VIP免费

机械原理题目---轮系_第1页
1/11
机械原理题目---轮系_第2页
2/11
机械原理题目---轮系_第3页
3/11
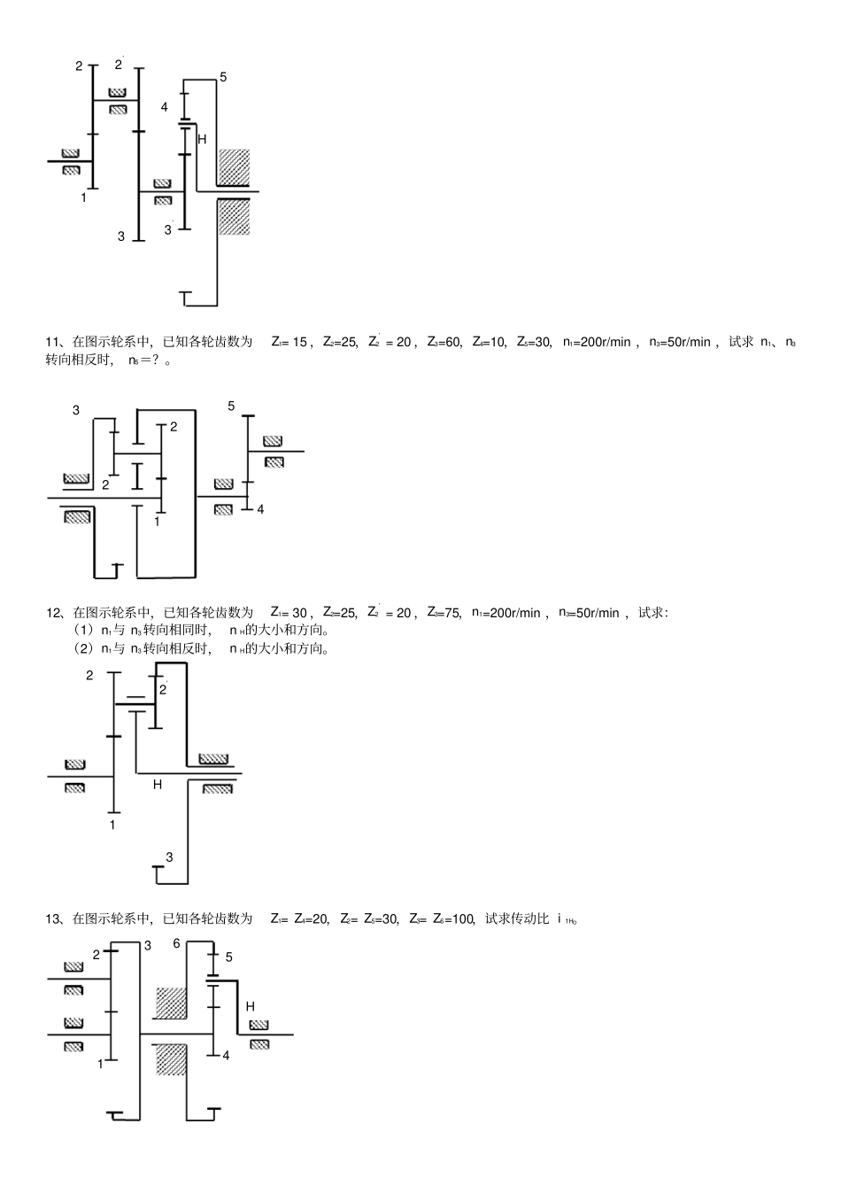
第六章 轮系及其设计计算及分析题1、已知: Z1=30,Z2=20,Z2’=30,Z3 = 25 ,Z4 = 100 ,求 i 1H。2、图示轮系,已知各轮齿数Z1=18,Z2= Z 4=30,Z3=78,Z5=76,试计算传动比 i 15。1 2 3 4 5 H 3、在图示轮系中,已知各轮齿数为Z1=Z3=30,Z2=90,Z2’=40,Z3’=40,Z4=30,试求传动比 i 1H,并说明 I 、H轴的转向是否相同?4、在图示轮系中,已知各轮齿数为Z1 =15,Z2=20, Z2’ = Z3’= Z4=30, Z3=40,Z5= 90,试求传动比 i 1 H,并说明 H的转向是否和齿轮 1 相同?122’3453’H1I22’33’4H5、在图示轮系中,已知各轮的齿数为Z1= 20, Z2=30,Z3=80, Z4=25,Z5=50,试求传动比 i 15。6、在图示轮系中,已知各轮齿数为Z1=19,Z2=76, Z2’= 40 ,Z3=20,Z4= 80 ,试求传动比 i 1H。7、在图示轮系中,已知各轮齿数为Z1= 20 ,Z2’= 25 ,Z2= Z3=30,Z3’= 20 ,Z4=75,试求:(1)轮系的传动比i 1H。(2)若 n1=1000r/min ,转臂 H的转速 nH=?8、已知图示轮系中各轮的齿数Z1=20,Z2=40,Z3=15,Z4=60,轮 1 的转速为 n1=120 r/min ,转向如图。试求轮 3 的转速 n3 的大小和转向。9、在图示轮系中,已知各轮齿数为Z1= Z3= Z4=20,Z2=40,Z5= 60, n1 = 800r/min,方向如图所示,试求nH的大小及转向。10、在图示轮系中,已知各轮齿数为Z1=16 ,Z2=24, Z2’= 20,Z3=40,Z3’= 30 , Z4= 20 ,Z5=70 试求轮系的传动比i 1H。45123H1232’3’4H123H45n111、在图示轮系中,已知各轮齿数为Z1= 15 ,Z2=25,Z2’= 20 ,Z3=60,Z4=10,Z5=30,n1=200r/min ,n3=50r/min ,试求 n1、n3转向相反时, n5=?。12、在图示轮系中,已知各轮齿数为Z1= 30 ,Z2=25,Z2’= 20 ,Z3=75,n1=200r/min ,n3=50r/min ,试求:(1)n1与 n3转向相同时, n H的大小和方向。(2)n1与 n3转向相反时, n H的大小和方向。13、在图示轮系中,已知各轮齿数为Z1= Z4=20,Z2= Z5=30,Z3= Z6=100,试求传动比 i 1H。123H2’3’45122’3451232’H123645H14、在图示轮系中,已知各轮齿数为Z1= 17 ,Z2=20,Z3= 85 ,Z4=18,Z5=24,Z6=21,Z7=63 试求当 n1=n4=100r/min ,np=?。15、在图示轮系中,已知各轮齿数为Z1= 20 ,Z2=40,Z2’= 20 ,Z3=30,Z4=80,试求 i 1H。16、在图示轮系中,已知各轮齿数为Z1= 40 ,Z2=16,Z3=20,Z4=76,Z5= 40...

1、当您付费下载文档后,您只拥有了使用权限,并不意味着购买了版权,文档只能用于自身使用,不得用于其他商业用途(如 [转卖]进行直接盈利或[编辑后售卖]进行间接盈利)。
2、本站所有内容均由合作方或网友上传,本站不对文档的完整性、权威性及其观点立场正确性做任何保证或承诺!文档内容仅供研究参考,付费前请自行鉴别。
3、如文档内容存在违规,或者侵犯商业秘密、侵犯著作权等,请点击“违规举报”。

碎片内容

机械原理题目---轮系

确认删除?
VIP
微信客服
  • 扫码咨询
会员Q群
  • 会员专属群点击这里加入QQ群
客服邮箱
回到顶部