电脑桌面
添加小米粒文库到电脑桌面
安装后可以在桌面快捷访问

《建设工程文件归档整理规范》(GB/T503282014)附录AVIP免费

《建设工程文件归档整理规范》(GB/T503282014)附录A_第1页
1/25
《建设工程文件归档整理规范》(GB/T503282014)附录A_第2页
2/25
《建设工程文件归档整理规范》(GB/T503282014)附录A_第3页
3/25
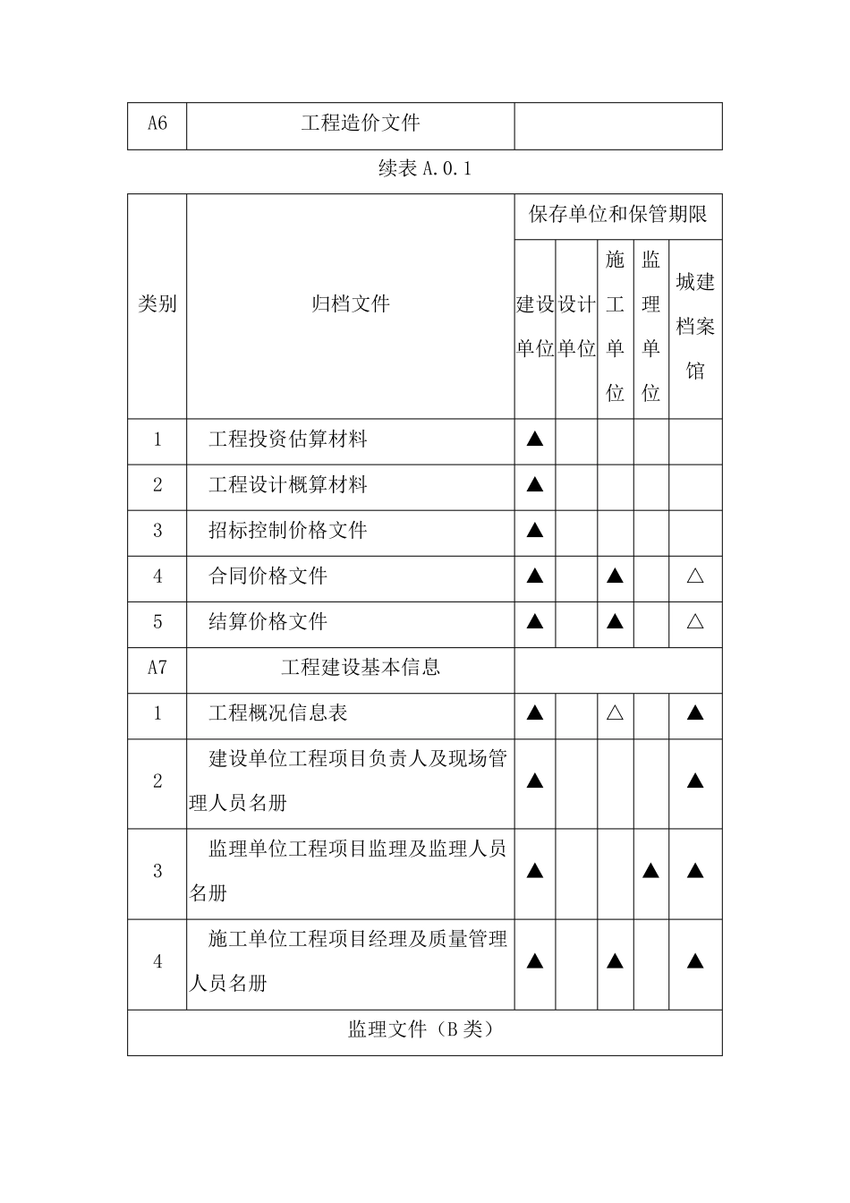
附录A 建设工程文件归档范围 A .0.1 建筑工程文件的归档范围应符合表A .0.1 的规定。 表A .0.1 建筑工程文件归档范围 类别 归档文件 保存单位和保管期限 建设单位 设计单位 施工单位 监理单位 城建档案馆 工程准备阶段文件(A 类) A1 立项文件 1 项目建议书批复文件及项目建议书 ▲ ▲ 2 可行性研究报告批复文件及可行性研究报告 ▲ ▲ 3 专家论证意见、项目评估文件 ▲ ▲ 4 有关立项的会议纪要、领导批示 ▲ ▲ A2 建设用地、拆迁文件 1 选址申请及选址规划意见通知书 ▲ ▲ 2 建设用地批准书 ▲ ▲ 3 拆迁安置意见、协议、方案等 ▲ △ 4 建设用地规划许可证及其附件 ▲ ▲ 5 土地使用证明文件及其附件 ▲ ▲ 6 建设用地钉桩通知单 ▲ ▲ A3 勘察、设计文件 1 工程地质勘察报告 ▲ ▲ ▲ 2 水文地质勘察报告 ▲ ▲ ▲ 3 初步设计文件(说明书) ▲ ▲ 4 设计方案审查意见 ▲ ▲ ▲ 5 人防、环保、消防等等有关主管部门(对设计方案)审查意见 ▲ ▲ ▲ 6 设计计算式 ▲ ▲ △ 7 施工图设计文件审查意见 ▲ ▲ ▲ 8 节能设计备案文件 ▲ ▲ A4 招投标文件 1 勘察、设计招投标文件 ▲ ▲ 2 勘察、设计合同 ▲ ▲ ▲ 3 施工招投标文件 ▲ ▲ △ 4 施工合同 ▲ ▲ △ ▲ 5 工程监理招投标文件 ▲ ▲ 6 监理合同 ▲ ▲ ▲ A5 开工审批文件 1 建设工程规划许可证及其附件 ▲ △ △ ▲ 2 建设工程施工许可证 ▲ ▲ ▲ ▲ A6 工程造价文件 续表A.0.1 类别 归档文件 保存单位和保管期限 建设单位 设计单位 施工单位 监理单位 城建档案馆 1 工程投资估算材料 ▲ 2 工程设计概算材料 ▲ 3 招标控制价格文件 ▲ 4 合同价格文件 ▲ ▲ △ 5 结算价格文件 ▲ ▲ △ A7 工程建设基本信息 1 工程概况信息表 ▲ △ ▲ 2 建设单位工程项目负责人及现场管理人员名册 ▲ ▲ 3 监理单位工程项目监理及监理人员名册 ▲ ▲ ▲ 4 施工单位工程项目经理及质量管理人员名册 ▲ ▲ ▲ 监理文件(B 类) B1 监理规划 1 监理规划 ▲ ▲ ▲ 2 监理实施细则 ▲ △ ▲ ▲ 3 监理月报 △ ▲ 4 监理会议纪要 ▲ △ ▲ 5 监理工作日志 ▲ 6 监理工作总结 ▲ ▲ 7 工作联系单 ▲ △ △ 8 监理工程师通知 ▲ △ △ △ 9 监...

1、当您付费下载文档后,您只拥有了使用权限,并不意味着购买了版权,文档只能用于自身使用,不得用于其他商业用途(如 [转卖]进行直接盈利或[编辑后售卖]进行间接盈利)。
2、本站所有内容均由合作方或网友上传,本站不对文档的完整性、权威性及其观点立场正确性做任何保证或承诺!文档内容仅供研究参考,付费前请自行鉴别。
3、如文档内容存在违规,或者侵犯商业秘密、侵犯著作权等,请点击“违规举报”。

碎片内容

《建设工程文件归档整理规范》(GB/T503282014)附录A

您可能关注的文档

确认删除?
VIP
微信客服
  • 扫码咨询
会员Q群
  • 会员专属群点击这里加入QQ群
客服邮箱
回到顶部