电脑桌面
添加小米粒文库到电脑桌面
安装后可以在桌面快捷访问

国家能源消耗限额标准

国家能源消耗限额标准_第1页
1/29
国家能源消耗限额标准_第2页
2/29
国家能源消耗限额标准_第3页
3/29
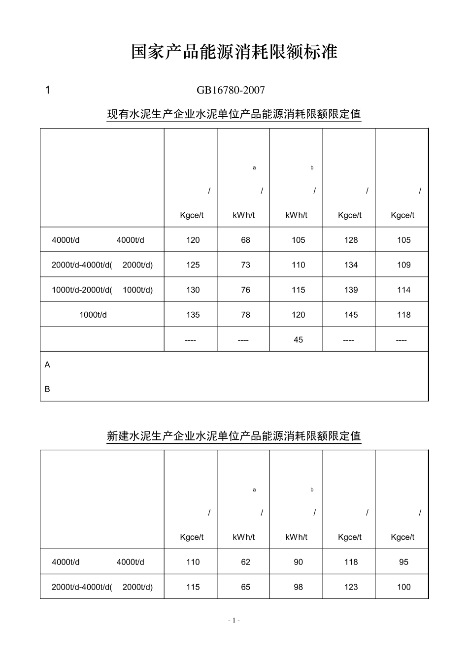
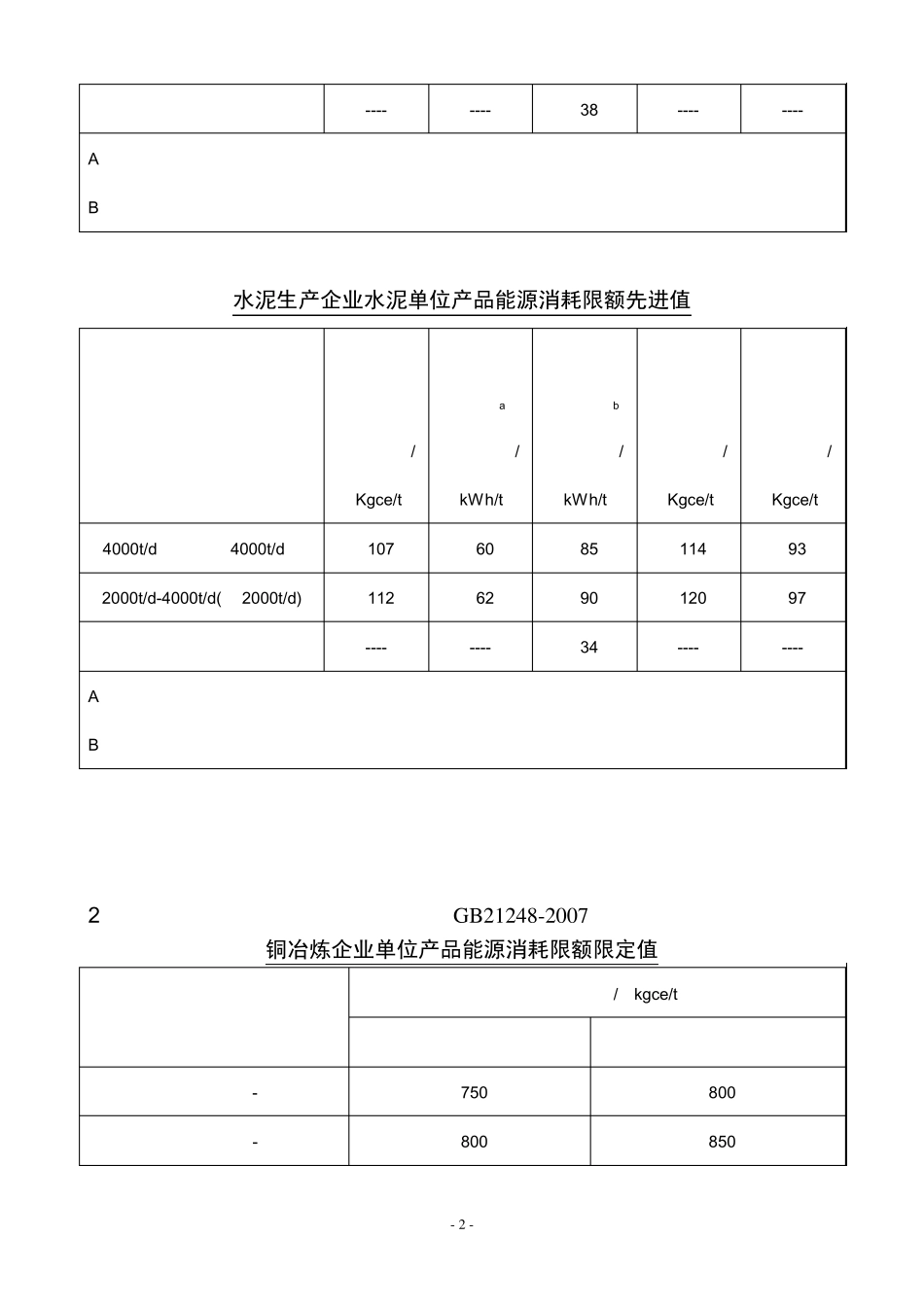
- 1 - 国家产品能源消耗限额标准 1、水泥单位产品能源消耗限额 GB16780-2007 现有水泥生产企业水泥单位产品能源消耗限额限定值 分 类 可比熟料 综合煤耗 限额限定值/ Kgce/t 可比熟料 综合电耗a 限额限定值/ kW·h/t 可比水泥 综合电耗b 限额限定值/ kW·h/t 可比熟料 综合能耗 限额限定值/ Kgce/t 可比水泥 综合能耗 限额限定值/ Kgce/t 4000t/d 以上(含 4000t/d) ≤120 ≤68 ≤105 ≤128 ≤105 2000t/d-4000t/d(含 2000t/d) ≤125 ≤73 ≤110 ≤134 ≤109 1000t/d-2000t/d(含 1000t/d) ≤130 ≤76 ≤115 ≤139 ≤114 1000t/d 以下 ≤135 ≤78 ≤120 ≤145 ≤118 水泥粉磨企业 ---- ---- ≤45 ---- ---- A 对只生产水泥熟料的水泥企业 B 对生产水泥的水泥企业(包括水泥粉磨企业) 新建水泥生产企业水泥单位产品能源消耗限额限定值 分类 可比熟料 综合煤耗 限额限定值/ Kgce/t 可比熟料 综合电耗a 限额限定值/ kW·h/t 可比水泥 综合电耗b 限额限定值/ kW·h/t 可比熟料 综合能耗 限额限定值/ Kgce/t 可比水泥 综合能耗 限额限定值/ Kgce/t 4000t/d 以上(含 4000t/d) ≤110 ≤62 ≤90 ≤118 ≤95 2000t/d-4000t/d(含 2000t/d) ≤115 ≤65 ≤98 ≤123 ≤100 - 2 - 水泥粉磨企业 ---- ---- ≤38 ---- ---- A 对只生产水泥熟料的水泥企业 B 对生产水泥的水泥企业(包括水泥粉磨企业) 水泥生产企业水泥单位产品能源消耗限额先进值 分类 可比熟料 综合煤耗 限额限定值/ Kgce/t 可比熟料 综合电耗a 限额限定值/ kW·h/t 可比水泥 综合电耗b 限额限定值/ kW·h/t 可比熟料 综合能耗 限额限定值/ Kgce/t 可比水泥 综合能耗 限额限定值/ Kgce/t 4000t/d 以上(含 4000t/d) ≤107 ≤60 ≤85 ≤114 ≤93 2000t/d-4000t/d(含 2000t/d) ≤112 ≤62 ≤90 ≤120 ≤97 水泥粉磨企业 ---- ---- ≤34 ---- ---- A 对只生产水泥熟料的水泥企业 B 对生产水泥的水泥企业(包括水泥粉磨企业) 2、铜冶炼企业单位产品能源消耗限额 GB21248-2007 铜冶炼企业单位产品能源消耗限额限定值 工序、工艺 能耗限额限定值/(kgce/t) 工艺能耗 综合能耗 粗铜工艺(铜精矿-粗铜) ≤750 ≤800 阳极铜工艺(铜精矿-阳极铜) ≤800 ≤850 - 3 - 电解工序(阳极铜-阴级铜) ≤210 ≤...

1、当您付费下载文档后,您只拥有了使用权限,并不意味着购买了版权,文档只能用于自身使用,不得用于其他商业用途(如 [转卖]进行直接盈利或[编辑后售卖]进行间接盈利)。
2、本站所有内容均由合作方或网友上传,本站不对文档的完整性、权威性及其观点立场正确性做任何保证或承诺!文档内容仅供研究参考,付费前请自行鉴别。
3、如文档内容存在违规,或者侵犯商业秘密、侵犯著作权等,请点击“违规举报”。

碎片内容

国家能源消耗限额标准

确认删除?
VIP
微信客服
  • 扫码咨询
会员Q群
  • 会员专属群点击这里加入QQ群
客服邮箱
回到顶部