电脑桌面
添加小米粒文库到电脑桌面
安装后可以在桌面快捷访问

特种设备使用登记表式样一

特种设备使用登记表式样一_第1页
1/4
特种设备使用登记表式样一_第2页
2/4
特种设备使用登记表式样一_第3页
3/4
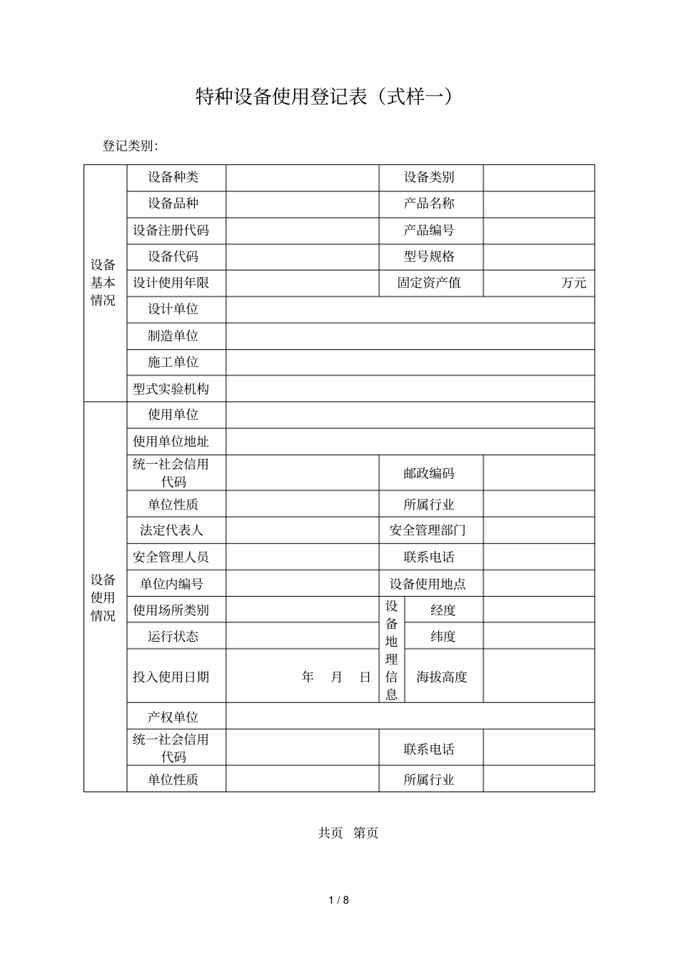
1 / 8 特种设备使用登记表(式样一)登记类别:设备基本情况设备种类设备类别设备品种产品名称设备注册代码产品编号设备代码型号规格设计使用年限固定资产值万元设计单位制造单位施工单位型式实验机构设备使用情况使用单位使用单位地址统一社会信用代码邮政编码单位性质所属行业法定代表人安全管理部门安全管理人员联系电话单位内编号设备使用地点使用场所类别设备地理信息经度运行状态纬度投入使用日期年月日海拔高度产权单位统一社会信用代码联系电话单位性质所属行业共页 第页2 / 8 设备变更情况变更项目变更类别变更原因变更日期设备检验情况检验机构统一社会信用代码检验类别检验日期检验结论检验报告编号下次检验日期在此申明:所申报的内容真实;在使用过程中,将严格执行《中华人民共和国特种设备安全法》及其相关规定,并接受特种设备安全管理部门的监督管理。附:产品数据表使用单位填表人员:日期:使用单位 (公章)使用单位安全管理人员:日期:年月日说明:登记机关登记人员:日期:登记机关 (专用章)年月日监管类别:使用登记证编号:注:本式样适用于按台(套)进行登记的特种设备。共页 第页3 / 8 附录 (以下为所有特种设备使用登记表的填写说明,请根据所办理设备种类需要,参照以下说明填写登记表,不需打印;该表相关信息请用电脑打印或者手填,请勿涂改,如有疑问可电话咨询:)特种设备使用登记表填写说明登记类别填写本次办理使用登记的事由,如新设备首次启用、停用后启用、改造、使用单位更名、使用地址变更、过户、移装、达到设计使用年限等。设备基本情况设备种类按照《特种设备目录版》填写,也可直接印制为“锅炉”“压力容器”“压力管道”“电梯”“起重机械”等。设备类别、品种按照《特种设备目录》填写。没有品种的划“—”。产品名称按照产品铭牌或者产品合格证、产品数据表的内容填写,也称设备名称。设备代码按照产品数据表上的内容填写, 该代码具有唯一性。 如果该产品还没有编制设备代码,则使用单位可以不填写,由登记机关按照设备代码的编制要求[见《固定式压力容器安全技术监察规程》( — ) ]填写,其中制造单位代号改为登记机关的行政区划代码 ( 比制造单位代号多一位 ) 。型号 ( 规格 ) 按照产品数据表或者相应的设计文件填写,有型号的填写型号, 没有型号有规格的填写规格,没有型号、规格的,划“—”。4 / 8 设备数量压力管道填写本次登记时的压力管道长度(...

1、当您付费下载文档后,您只拥有了使用权限,并不意味着购买了版权,文档只能用于自身使用,不得用于其他商业用途(如 [转卖]进行直接盈利或[编辑后售卖]进行间接盈利)。
2、本站所有内容均由合作方或网友上传,本站不对文档的完整性、权威性及其观点立场正确性做任何保证或承诺!文档内容仅供研究参考,付费前请自行鉴别。
3、如文档内容存在违规,或者侵犯商业秘密、侵犯著作权等,请点击“违规举报”。

碎片内容

特种设备使用登记表式样一

您可能关注的文档

确认删除?
VIP
微信客服
  • 扫码咨询
会员Q群
  • 会员专属群点击这里加入QQ群
客服邮箱
回到顶部