电脑桌面
添加小米粒文库到电脑桌面
安装后可以在桌面快捷访问

石油成品油损耗定额标准

石油成品油损耗定额标准_第1页
1/4
石油成品油损耗定额标准_第2页
2/4
石油成品油损耗定额标准_第3页
3/4
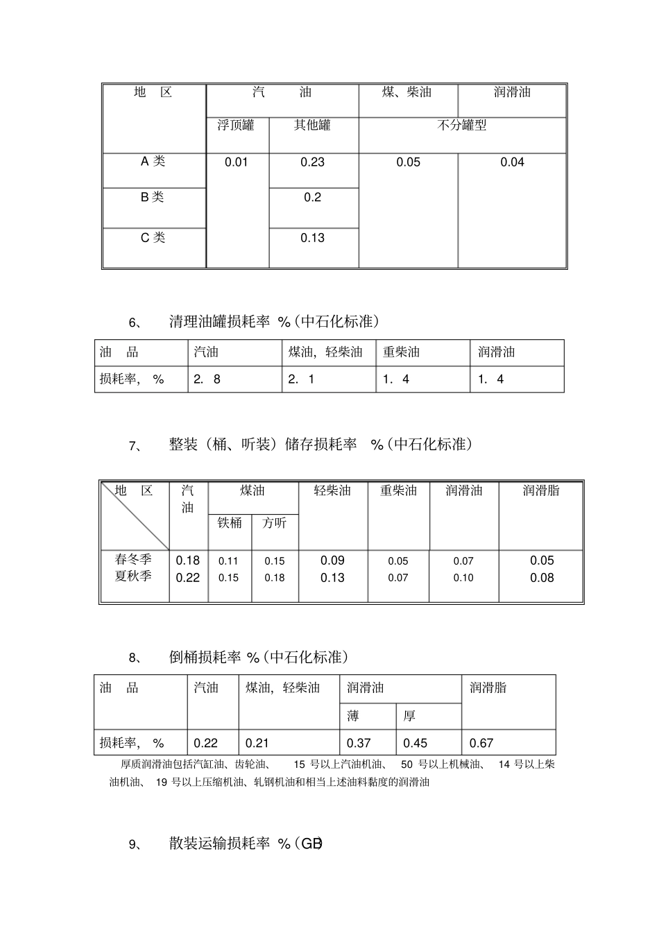
石油成品油损耗定额?中华人民共和国国家标准 GB11085-89《散装液体石油产品损耗》以及中国石化销售公司现行的有关损耗率。?计算各项损耗量时,容量、量具必须经过检定合格、计量测定必须符合有关操作方法的规定。一、地区划分:?A 类地区:江西、福建、广东、海南、云南、四川、湖南、贵州、台湾省和广西壮族自治区?B 类地区:河北、山西、陕西、山东、江苏、浙江、安徽、河南、湖北、甘肃省、宁夏回族自治区、北京、天津、上海市?C 类地区:辽宁、吉林、黑龙江、青海省、内蒙古自治区、新疆维吾尔自治区、西藏自治区二、季节的划分:A、B类地区,每年 1~3 月,10~12月为冬季, 4~9 月为夏秋季。C类地区,每年 1~4 月,11~12月为冬季, 5~10 月为夏秋季。1、储存损耗率 %(按月计算)(GB)地区立式金属罐隐蔽罐、浮顶罐汽油其他油不分油品、季节春冬季夏、秋季不分季节A 类0.11 0.21 0.01 0.01 B 类0.05 0.12 C 类0.03 0.09 高原地区,根据油库所在地海拔高度按以下幅度修正储存损耗率海拔高度, M 增加损耗, % 1001~2000 21 2001~3000 37 3001~4000 55 4001 以上76 2、灌桶损耗率 %(GB)油品汽油其它油损耗率0.180.013、输转损耗率 %(GB)地区汽油其他油春冬季夏秋季不分季节、罐型浮顶罐其他罐浮顶罐其他罐A 类0.01 0.15 0.01 0.22 0.01 B 类0.12 0.18 C 类0.06 0.12 4、装船( 车)损耗率 %(GB)地区汽油其它油铁路罐车汽车、罐车油轮、油驳不分容器A 类0.17 0.10 0.07 0.01 B 类0.13 0.08 C 类0.08 0.05 5、卸车( 船)损耗率 %(GB)地区汽油煤、柴油润滑油浮顶罐其他罐不分罐型A 类0.01 0.23 0.05 0.04 B 类0.2 C 类0.13 6、清理油罐损耗率 %(中石化标准)油品汽油煤油,轻柴油重柴油润滑油损耗率, % 2.8 2.1 1.4 1.4 7、整装(桶、听装)储存损耗率%(中石化标准)地区汽油煤油轻柴油重柴油润滑油润滑脂铁桶方听春冬季夏秋季0.18 0.22 0.11 0.15 0.15 0.18 0.09 0.13 0.05 0.07 0.07 0.10 0.05 0.08 8、倒桶损耗率 %(中石化标准)油品汽油煤油,轻柴油润滑油润滑脂薄厚损耗率, % 0.22 0.21 0.37 0.45 0.67 厚质润滑油包括汽缸油、齿轮油、15 号以上汽油机油、50 号以上机械油、 14 号以上柴油机油、 19 号以上压缩机油、轧钢机油和相当上述油料黏度的润滑油9、散装运输损耗率 %(GB)水运铁路运输公路运输行 程k...

1、当您付费下载文档后,您只拥有了使用权限,并不意味着购买了版权,文档只能用于自身使用,不得用于其他商业用途(如 [转卖]进行直接盈利或[编辑后售卖]进行间接盈利)。
2、本站所有内容均由合作方或网友上传,本站不对文档的完整性、权威性及其观点立场正确性做任何保证或承诺!文档内容仅供研究参考,付费前请自行鉴别。
3、如文档内容存在违规,或者侵犯商业秘密、侵犯著作权等,请点击“违规举报”。

碎片内容

石油成品油损耗定额标准

确认删除?
VIP
微信客服
  • 扫码咨询
会员Q群
  • 会员专属群点击这里加入QQ群
客服邮箱
回到顶部