电脑桌面
添加小米粒文库到电脑桌面
安装后可以在桌面快捷访问

胡村洗煤厂指标管理创新VIP专享

胡村洗煤厂指标管理创新_第1页
1/19
胡村洗煤厂指标管理创新_第2页
2/19
胡村洗煤厂指标管理创新_第3页
3/19
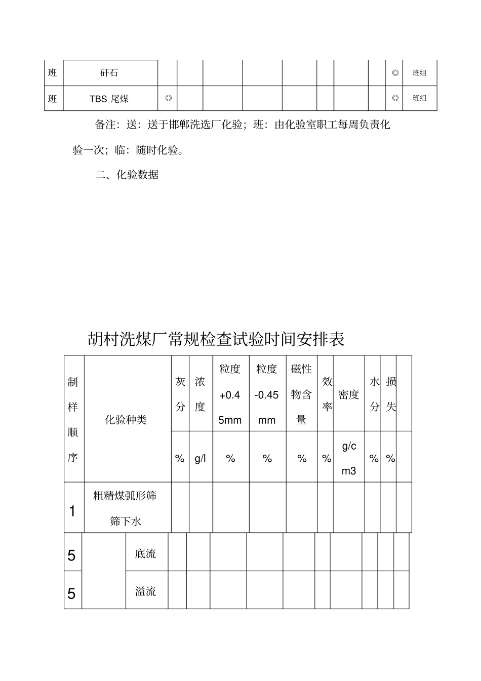
胡村洗煤厂指标管理标准化第一部分常规检查实验根据瀚轩公司 3 月份对各事业部下达的 “关于外阜洗煤厂加强常规检查试验的通知”,胡村洗煤厂制定了相关的工作办法,由专人负责进行化验, 并对发现的问题进行二次检查性化验,进一步详细实际生产状况,并提出相关解决方案。负责人:赵新民,王振参与人员:化验室职工一、采制样安排:根据“关于外阜洗煤厂加强常规检查试验的通知”的 要求,胡村洗煤厂对全部检查项目安排如下:胡村洗煤厂常规检查试验时间安排表制样顺序化验种类灰分浓度粒度+0.45mm 粒度-0.45mm 磁性物含量效率密度水分损失负责人% g/l % % % % g/cm3 % % 1 粗精煤弧形筛筛下水◎◎◎◎赵、王1 粗尾煤弧形筛筛下水◎◎◎◎赵、王2 煤泥离心机离心液◎◎◎◎赵、王2 精煤离心机离心液◎◎◎◎赵、王3 精煤脱介筛◎赵、王3 中煤脱介筛◎赵、王3 矸石脱介筛◎赵、王3 磁选机尾矿◎赵、王4 脱泥筛脱泥效率入料(1mm )◎◎◎赵、王4 筛上(1mm )◎◎赵、王4 筛下(1mm )◎◎赵、王5 煤泥分级旋流器入料◎◎◎◎赵、王5 底流◎◎◎◎赵、王5 溢流◎◎◎◎赵、王6 浮选入料◎◎◎◎赵、王6 浮选尾煤◎◎◎◎赵、王送原煤月综合煤样赵、王临浮选油复合油◎赵、王临起泡剂◎赵、王临介质◎赵、王班压滤滤饼◎班组班粗精煤◎班组班重介精煤◎班组班中煤◎班组班矸石◎班组班TBS 尾煤◎◎班组备注:送:送于邯郸洗选厂化验;班:由化验室职工每周负责化验一次;临:随时化验。二、化验数据胡村洗煤厂常规检查试验时间安排表制样顺序化验种类灰分浓度粒度+0.45mm 粒度-0.45mm 磁性物含量效率密度水分损失% g/l % % % % g/cm3 % % 1 粗精煤弧形筛筛下水5 底流5 溢流按照“胡村洗煤厂常规检查试验时间安排表”对全部检测项 目进行化验,化验结果如下:三、数据分析化验出的数据由洗煤技术员负责分析。6 浮选入料6 浮选尾煤送原煤月综合煤样临起泡剂临介质班压滤滤饼班粗精煤1 粗尾煤弧形筛筛下水2 煤泥离心机离心液2 精煤离心机离心液3 精煤脱介筛3 中煤脱介筛3 矸石脱介筛3 磁选机尾矿4 脱泥筛脱泥效率入料(1mm)4 筛上(1mm)4 筛下(1mm)5 煤泥分级旋流器入料临浮选油复合油班重介精煤班中煤班矸石班TBS 尾煤四、重点问题检查对存在问题的检查项目, 安排人员进行重点检查, 查找出问题所在原因。五、采取措施与建议根据以上问题的分析,制定相关的整改措施,并实施...

1、当您付费下载文档后,您只拥有了使用权限,并不意味着购买了版权,文档只能用于自身使用,不得用于其他商业用途(如 [转卖]进行直接盈利或[编辑后售卖]进行间接盈利)。
2、本站所有内容均由合作方或网友上传,本站不对文档的完整性、权威性及其观点立场正确性做任何保证或承诺!文档内容仅供研究参考,付费前请自行鉴别。
3、如文档内容存在违规,或者侵犯商业秘密、侵犯著作权等,请点击“违规举报”。

碎片内容

胡村洗煤厂指标管理创新

确认删除?
VIP
微信客服
  • 扫码咨询
会员Q群
  • 会员专属群点击这里加入QQ群
客服邮箱
回到顶部