电脑桌面
添加小米粒文库到电脑桌面
安装后可以在桌面快捷访问

试验室检测人员绩效考核2010-10-29

试验室检测人员绩效考核2010-10-29_第1页
1/4
试验室检测人员绩效考核2010-10-29_第2页
2/4
试验室检测人员绩效考核2010-10-29_第3页
3/4
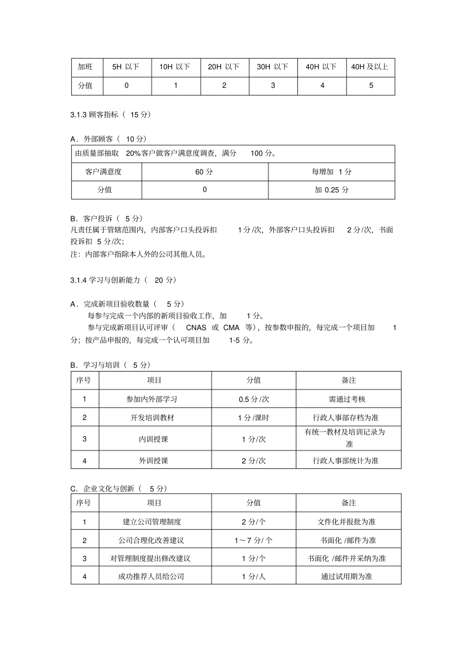
实验室人员绩效考核办法(修改) 1 目的:通过对实验室人员日常的工作定量和定性的评价,促进员工主动、高效完成工作目标,为员工的晋升、调薪和奖金提供依据。2 范围:本办法适用于各实验室人员及报告人员。3 内容:3.1 按照平衡计分卡进行四个维度的评定:3.1.1 财务指标( 30 分)本项得分 =(本公司完成营业额-固定成本)÷ 1,000÷本单位总人数×工作量系数营业额不计佣金、税费、分包费。实验室固定成本包括:固定资产折旧、实验室消耗品、实验室房租水电、员工工资、汽车及差旅费。工作量系数以1 为基准, 由实验室负责人给定。各部门检测和报告人员该项系数的总和,不超过部门检测和报告人员人数。此项评份精确到小数点后两位。3.1.2 作业流程( 35 分)A.检测报告准时完成指标(10 分)RoHS 检测报告普通单4 个工作日完成,重金属检测加急2.5 个工作日完成,特急1 个工作日完成; 有机物加急3 个工作日完成。 环境物质检测报告5 个工作日完成 (部分项目有特殊要求除外) 。玩具检测报告4 个工作日完成。其它特殊检测报告按照检测委托单执行或另行规定。按照以上要求,每超过1 天扣 0.5 分,以委托单 /采样单为单位,按超时天数进行累加。每月底统计出各部门的《报告延误情况一览表》 ,报告涉及的全部检测人员(包括采样人员)均按规定进行扣分。B.作业流程符合性(10 分)检查工作指标是否达到要求,典型的问题如下:序号项目(问题)扣分1 质量体系自查出现不符项1 2 作业指导书、方法标准等文件维护不善1 3 设备计量过期1 4 样品存放不定位置或位置错误1 5 样品无唯一性标识2 6 样品信息错误或不全2 7 分板后样品没有分装,标识2 8 取样不正确3 9 测试没有按申请单要求进行(方法要求或指令要求) 3 10 记录不完整或不符合规范1 11 数据记录错误5 12 使用错误原始记录表1 13 使用过期的工作液或不正确使用校准曲线1 14 无标准溶液配制记录1 15 标准溶液 ,化学试剂易耗品使用无记录1 16 外出采样未提前做好准备工作2 17 外出采样设备或器具未带全5 18 实验过程无有效质量监控2 19 维修后的设备无维修记录1 20 不及时填写设备使用记录,维护记录 ,环境记录1 21 不服从工作安排3 22 与同事发生口角3 23 团队合作意识不强3 24 不乐于帮助同事(力所能及的事情)3 25 上传报告出错3 26 乐捐 1 次扣 1 分,乐捐 2 次扣 3 分,乐捐 3 次扣 ...

1、当您付费下载文档后,您只拥有了使用权限,并不意味着购买了版权,文档只能用于自身使用,不得用于其他商业用途(如 [转卖]进行直接盈利或[编辑后售卖]进行间接盈利)。
2、本站所有内容均由合作方或网友上传,本站不对文档的完整性、权威性及其观点立场正确性做任何保证或承诺!文档内容仅供研究参考,付费前请自行鉴别。
3、如文档内容存在违规,或者侵犯商业秘密、侵犯著作权等,请点击“违规举报”。

碎片内容

试验室检测人员绩效考核2010-10-29

确认删除?
VIP
微信客服
  • 扫码咨询
会员Q群
  • 会员专属群点击这里加入QQ群
客服邮箱
回到顶部