电脑桌面
添加小米粒文库到电脑桌面
安装后可以在桌面快捷访问

最新版DF4内燃机车副司机机车检查给油

最新版DF4内燃机车副司机机车检查给油_第1页
1/13
最新版DF4内燃机车副司机机车检查给油_第2页
2/13
最新版DF4内燃机车副司机机车检查给油_第3页
3/13
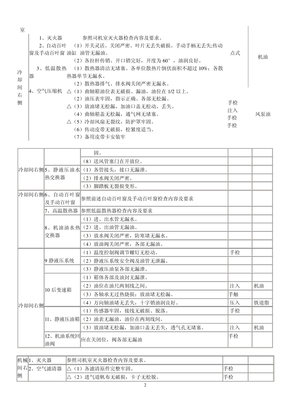
1 顺序 检查及给油 处 所 检查内容及要求 方 式 油 脂 第 Ⅱ 司 机 室 1 .灭火器 △放置牢固,各部完好,铅封无破损。 手检 2 、右侧 △(1 )侧窗完整,升降器作用良好。 手检 铁道脂 (2 )风挡玻璃无破损。 (3 )遮光板完整,作用良好。 手检 (4 )大玻璃清洁完好,暖窗器接线无脱落。 (5 )刮雨器胶皮无脱落,作用良好。 手检 (6 )刮雨器风缸油堵无松动破损,定期给油。 压入 △(7 )各仪表完好,指示正确,检验日期不超过六个月。 △(8 )风笛脚踏阀作用良好。 脚踏 △(9 )各开关完好,位置正确。 3 、中部 (1 )头灯后盖严密,触发实验作用良好。 手检 (2 )电风扇闭合试验,转动、摇头作用良好。 手检 △(3 )机车速度表安装牢固,指示正确。 手检 △(4 )电炉接线及插销无烧损,炉盘无破损,炉丝无折断变形。 手检 △(5 )热风机散热器排气阀关闭严密。 4 、左侧 (1 )大玻璃、暖窗器、侧窗、遮光板、刮雨器、各仪表、各开关等检查内容及要求参照右侧。 手检 △(2 )司机控制器主手柄在“0 ”位,转换手柄中立位,机械连锁良好。 第 Ⅱ 司 机 (3 )打开司机控制柜门,检查内部: ①各凸轮及各触头完好。 ②各接触无脱落,各插销牢固。 ③各自动脱扣保险开关位置正确,稳压电源无烧损。 手检 手检 2 室 冷 却 间 右 侧 1、灭火器 参照司机室灭火器检查内容及要求。 2、自动百叶窗及手动百叶窗 (1)开关灵活。关闭严密。叶片无丢失破损。手动手柄无丢失;传动油缸 油管无漏油。 点式 机油 (2)各拉杆传销、开口销完好,开度为60°,油润良好。 3、低温散热器 (1)散热器清洁无堵塞。各单位散热片倒伏面积不超过 10%;各散热器单节无漏水。 (2)散热器排气、排水阀关闭严密无漏水。 4、空气压缩机 △(1)曲轴箱油位表无破损、漏油,油位在 1/2 以上。 (2)油压表牢固,指示正确。各部无松漏。 △(3)放油堵无松漏,加油口盖无松动、丢失。 (4)曲轴箱盖无松漏,通气网无堵塞。 △(5)冷却风扇无裂纹,防护罩牢固。 (6)传动皮带无破损,松紧度适当。 (7)备用皮带卡安装牢 手检 注入 手检 手检 风泵油 冷却间右侧 固。 (8)送风管塞门在开放位。 5、静液压油水热交换器 (1)各管接头,接口无漏泄。 (2)排水阀关闭严密。 (3)脚踏板无裂损变形。 冷却间右侧 6、自动百叶窗及手动...

1、当您付费下载文档后,您只拥有了使用权限,并不意味着购买了版权,文档只能用于自身使用,不得用于其他商业用途(如 [转卖]进行直接盈利或[编辑后售卖]进行间接盈利)。
2、本站所有内容均由合作方或网友上传,本站不对文档的完整性、权威性及其观点立场正确性做任何保证或承诺!文档内容仅供研究参考,付费前请自行鉴别。
3、如文档内容存在违规,或者侵犯商业秘密、侵犯著作权等,请点击“违规举报”。

碎片内容

最新版DF4内燃机车副司机机车检查给油

您可能关注的文档

确认删除?
VIP
微信客服
  • 扫码咨询
会员Q群
  • 会员专属群点击这里加入QQ群
客服邮箱
回到顶部