电脑桌面
添加小米粒文库到电脑桌面
安装后可以在桌面快捷访问

运动类航空器维修人员执照考试大纲

运动类航空器维修人员执照考试大纲_第1页
1/50
运动类航空器维修人员执照考试大纲_第2页
2/50
运动类航空器维修人员执照考试大纲_第3页
3/50
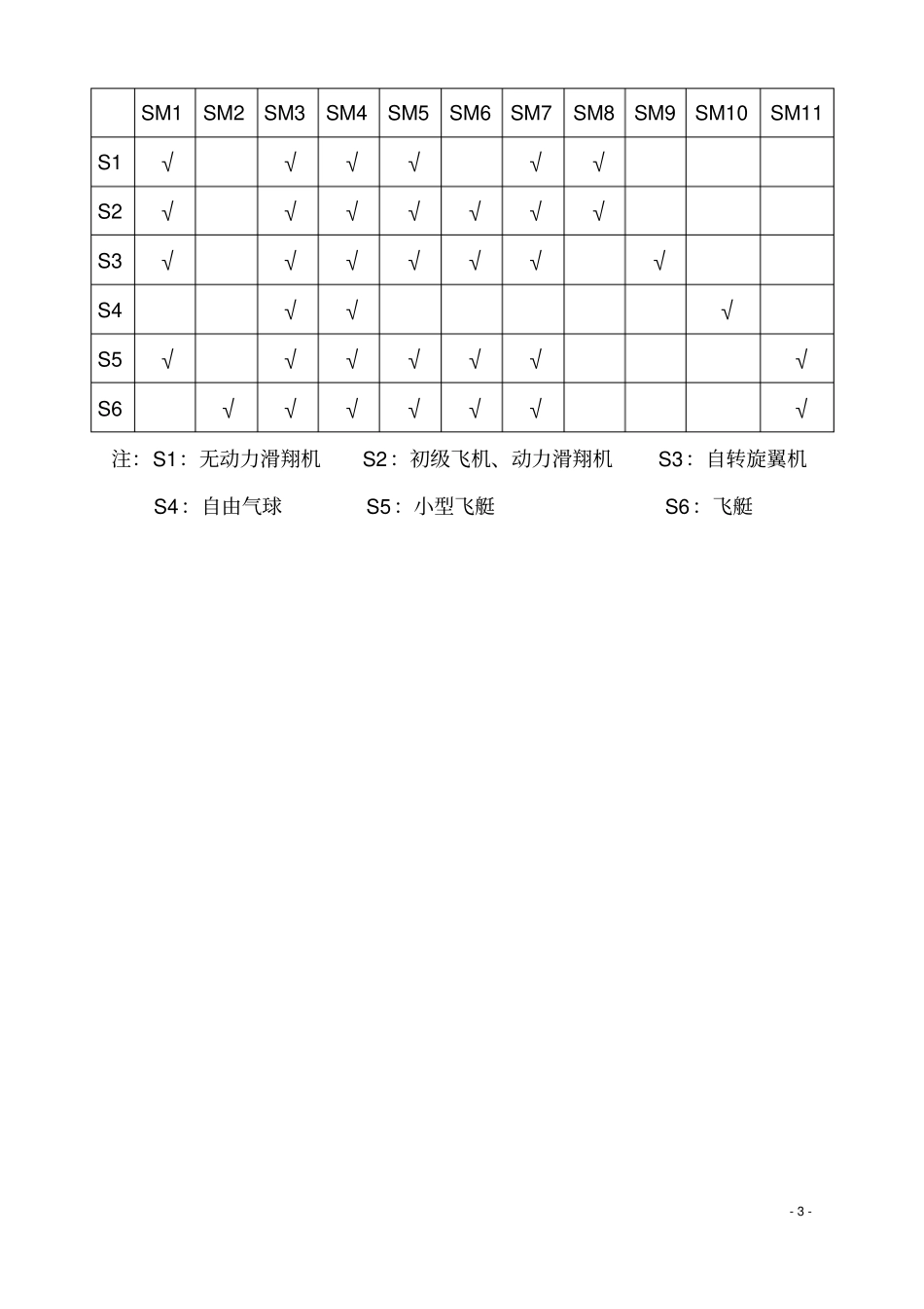
- 1 - 运动类航空器维修人员执照考试大纲1.目的和依据本大纲依据 《运动类航空器维修人员执照管理办法》(民航发〔2014 〕95 号)、《关于委托运动类航空器维修人员执照和部分持续适航管理工作的函》 (民航函〔 2014 〕1272 号)制定。目的是为运动类航空器维修人员执照(以下简称S 类维修人员执照)考试提供标准。2.适用范围本大纲适用于申请S 类维修人员执照的人员。3.生效日期本大纲生效日期为2015 年 5 月 1 日。4.说明4.1 理论考试说明4.1.1 定义模块考试 :是指将考试内容按照科目(模块 )划分 ,分科目 (模块 )进行考试 ,各科目 (模块 )成绩均合格后方说明其理论考试成绩合格。新增类别: 是指持有 《运动类航空器维修人员执照管理办法》第五条规定的S 类维修人员执照的某一(几)类别人员申请增加其他类别。4.1.2 考试内容S 类维修人员执照理论考试内容分为以下11 个模块:- 2 - SM1. 电子电气技术基础(一) SM2. 电子电气技术基础(二) SM3. 航空法规SM4. 人为因素SM5. 维护技术基础SM6. 动力装置SM7. 空气动力学SM8. 固定翼飞机的飞行原理、结构与系统SM9. 自转旋翼机的飞行原理、结构与系统SM10. 自由气球的飞行原理、结构与系统SM11. 飞艇的飞行原理、结构与系统4.1.3 考试要求及题目分配S 类维修人员执照理论考试采用模块考试方法进行。考试申请人应当通过其申请类别规定的每一模块内容的考试。考试时间按照每道题60 秒作答计算,每模块考试成绩满分100 分, 70 分(含)以上为合格。申请人可以选择一次申请一个或多个模块内容的考试,但每场考试的最长时间不超过3 小时。各类别的模块分配以及每一模块的试题数量分配情况如表1、表 2所示。表 1 S 类维修人员执照各类别理论考试模块表- 3 - SM1 SM2 SM3 SM4 SM5 SM6 SM7 SM8 SM9 SM10 SM11 S1 √√√√√√S2 √√√√√√√S3 √√√√√√√S4 √√√S5 √√√√√√√S6 √√√√√√√注:S1:无动力滑翔机S2:初级飞机、动力滑翔机S3:自转旋翼机S4:自由气球S5:小型飞艇S6:飞艇- 4 - 表 2 S 类维修人员执照理论考试题量分配表S1 S2 S3 S4 S5 S6 模块内容考题量考试时间( min )考题量考试时间(min )考题量考试时间(min )考题量考试时间(min )考题量考试时间( min)考题量考试时间(min )SM1 电子电气技术基础(一)43 43 43 43 43 43 43 43 SM2 电子电气...

1、当您付费下载文档后,您只拥有了使用权限,并不意味着购买了版权,文档只能用于自身使用,不得用于其他商业用途(如 [转卖]进行直接盈利或[编辑后售卖]进行间接盈利)。
2、本站所有内容均由合作方或网友上传,本站不对文档的完整性、权威性及其观点立场正确性做任何保证或承诺!文档内容仅供研究参考,付费前请自行鉴别。
3、如文档内容存在违规,或者侵犯商业秘密、侵犯著作权等,请点击“违规举报”。

碎片内容

运动类航空器维修人员执照考试大纲

您可能关注的文档

确认删除?
VIP
微信客服
  • 扫码咨询
会员Q群
  • 会员专属群点击这里加入QQ群
客服邮箱
回到顶部