电脑桌面
添加小米粒文库到电脑桌面
安装后可以在桌面快捷访问

250T履带地基计算书

250T履带地基计算书_第1页
1/8
250T履带地基计算书_第2页
2/8
250T履带地基计算书_第3页
3/8
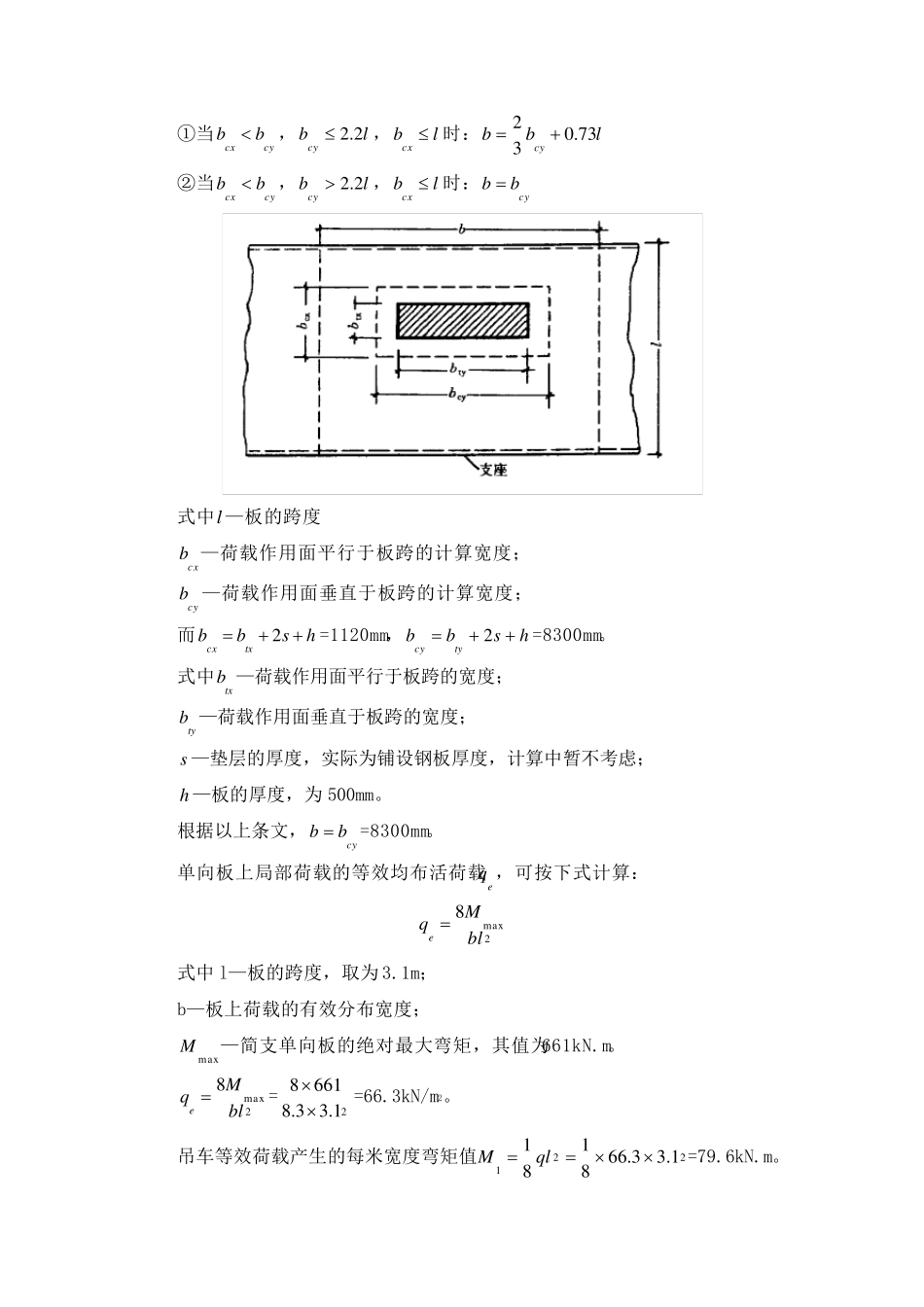
顶板行走250 吨履带吊对混凝土结构影响 250 吨履带吊车空载为212.4 吨,履带接地长度为7.8 米,宽度为1.12 米,则每条履带下压力为G/LB=212.4 ×9.8/(2×7.8×1.12)=119.1kPa。 根据设计图纸,顶板考虑的超限荷载为满布 20kPa,验算土建结构承载力时,考虑的原则如下: ○1 吊车荷载产生的内力不大于超限荷载(施工荷载)产生的内力,适用于梁; ○2 吊车荷载所产的内力远小于结构的极限承载力,适用于板。 顶板厚度基本为500mm,最大单向板块尺寸为4.5m×20.5m,当计算楼板受力时,分为两种工况,履带垂直板跨与平行板跨。 (一) 履带垂直板跨(履带横轨向行走) 当履带垂直板跨时,履带接地长度为7.8m,板跨为4.5m,最不利情况为两条履带均处于板跨中,考虑到履带中心间距为6.4m,实际最不利情况为一条履带处于板跨中,如下图所示。单跨内荷载为11.8kPa,满足设计 20kPa 超限荷载要求。 吊车横轨向行走示意图 (1)楼板承载力验算 根据《建筑结构荷载规范》(50009-2012)附录 B 中相关条文,当荷载作用面的长边垂直于板跨时,简支板上荷载的有效分布宽度b 为(下图所示): ①当cycxbb, lbcy2.2,lbcx  时:lbbcy73.032 ②当cycxbb, lbcy2.2,lbcx  时:cybb  式中l —板的跨度 cxb —荷载作用面平行于板跨的计算宽度; cyb —荷载作用面垂直于板跨的计算宽度; 而hsbbtxcx2=1120mm,hsbbtycy2=8300mm。 式中txb —荷载作用面平行于板跨的宽度; tyb —荷载作用面垂直于板跨的宽度; s —垫层的厚度,实际为铺设钢板厚度,计算中暂不考虑; h —板的厚度,为 500mm。 根据以上条文,cybb =8300mm。 单向板上局部荷载的等效均布活荷载eq ,可按下式计算: 2max8blMqe  式中l—板的跨度,取为 3.1m; b—板上荷载的有效分布宽度; maxM—简支单向板的绝对最大弯矩,其值为661kN.m。 2max8blMqe =21.33.86618=66.3kN/m2。 吊车等效荷载产生的每米宽度弯矩值2211.33.668181qlM=79.6kN.m。 楼板自重产生的每米宽度弯矩值mkNglM1 51.315.02 58181222 吊车与混凝土楼板自重组合后的弯矩值:mkNMMM4 4.1 2 92.14.121 查看楼板配筋及混凝土强度等级,板跨方向为上下直径为25 的Ⅲ级钢,间距为150 ,混凝土强度为C50 ,则1 米宽板带可承受的极限弯矩61 0)6 05 0 0(2 9 4 53 6 0)(...

1、当您付费下载文档后,您只拥有了使用权限,并不意味着购买了版权,文档只能用于自身使用,不得用于其他商业用途(如 [转卖]进行直接盈利或[编辑后售卖]进行间接盈利)。
2、本站所有内容均由合作方或网友上传,本站不对文档的完整性、权威性及其观点立场正确性做任何保证或承诺!文档内容仅供研究参考,付费前请自行鉴别。
3、如文档内容存在违规,或者侵犯商业秘密、侵犯著作权等,请点击“违规举报”。

碎片内容

250T履带地基计算书

您可能关注的文档

小辰5+ 关注
实名认证
内容提供者

出售各种资料和文档

相关文档

确认删除?
VIP
微信客服
  • 扫码咨询
会员Q群
  • 会员专属群点击这里加入QQ群
客服邮箱
回到顶部