电脑桌面
添加小米粒文库到电脑桌面
安装后可以在桌面快捷访问

26m满堂脚手架计算书

26m满堂脚手架计算书_第1页
1/10
26m满堂脚手架计算书_第2页
2/10
26m满堂脚手架计算书_第3页
3/10
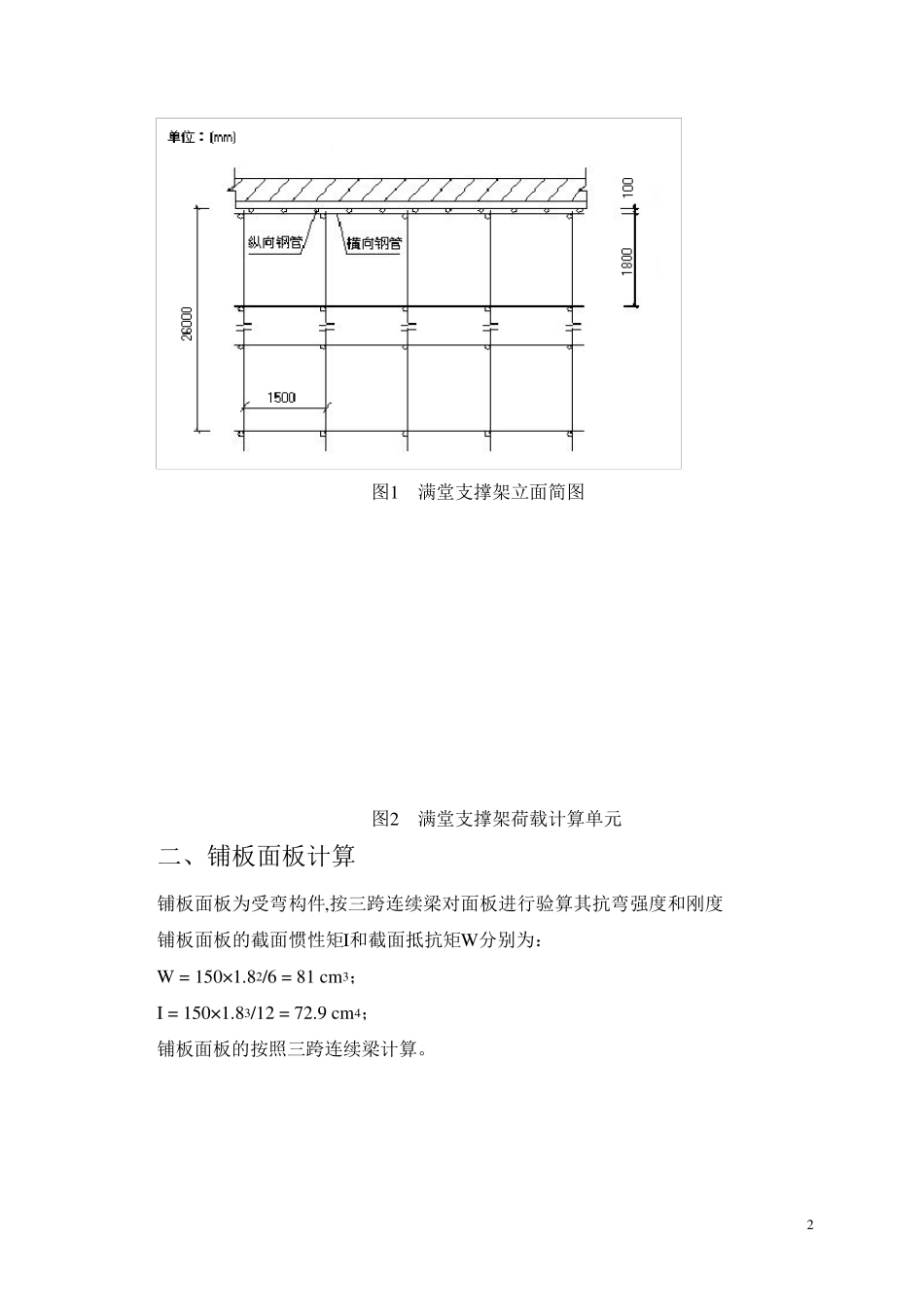
1 中厅满堂脚手架计算书及构造要求 高支撑架的计算依据《建筑施工扣件式钢管脚手架安全技术规范》(JGJ130-2001)、《建筑结构荷载规范》(GB 50009-2001)、《钢结构设计规范》(GB 50017-2003)等规范编制。 一、参数信息 1 .满堂支撑架计算参数 横向间距或排距(m ):1.50;纵距(m ):1.50;步距(m ):1.80; 立杆上端伸出至支撑点长度(m ):0.10;支架搭设高度(m ):26.00; 采用的钢管(mm):Φ48×3.0 ;板底支撑连接方式:钢管支撑; 立杆承重连接方式:双扣件,考虑扣件的保养情况,扣件抗滑承载力系数:0.80; 板底钢管的间隔距离(m m ):300.00; 2 .荷载参数 铺板自重(kN/m 2):0.300;材料堆载考虑(kN/m 2):0.500; 施工均布荷载标准值(kN/m 2):1.000; 3 .材料参数 面板采用胶合面板,厚度为18m m ;板底支撑采用钢管; 面板弹性模量E(N/m m 2):9500;面板抗弯强度设计值(N/m m 2):13; 4 .计算参数 2 图1 满堂支撑架立面简图 图2 满堂支撑架荷载计算单元 二、铺板面板计算 铺板面板为受弯构件,按三跨连续梁对面板进行验算其抗弯强度和刚度 铺板面板的截面惯性矩I和截面抵抗矩W分别为: W = 150×1.82/6 = 81 cm3; I = 150×1.83/12 = 72.9 cm4; 铺板面板的按照三跨连续梁计算。 3 面板计算简图 1 、荷载计算 (1)静荷载为部分材料堆载的自重(kN/m): q1 = 0.5×1.5+0.3×1.5 = 1.2 kN/m; (2)活荷载为施工人员及少量设备荷载(kN/m): q2 = 1×1.5= 1.5 kN/m; 2 、强度计算 计算公式如下: M=0.1ql2 其中:q=1.2×1.2+1.4×1.5= 3.54kN/m 最大弯矩 M=0.1×3.54×3002= 31860 N·m; 面板最大应力计算值 σ =M/W= 31860/81000 = 0.393 N/mm2; 面板的抗弯强度设计值 [f]=13 N/mm2; 面板的最大应力计算值为 0.393 N/mm2 小于面板的抗弯强度设计值 13 N/mm2,满足要求! 3 、挠度计算 挠度计算公式为 ν=0.677ql4/(100EI)≤[ν]=l/250 其中q =q1=1.2kN/m 面板最大挠度计算值 ν = 0.677×1.2×3004/(100×9500×72.9×104)=0.01 mm; 面板最大允许挠度 [ν]=300/ 250=1.2 mm; 面板的最大挠度计算值 0.01 mm 小于 面板的最大允许挠度 1.2 mm,满足要求! 三、纵向支撑钢管的计算 4 纵向钢管按照均布荷载下连续梁计算,截面力学参数为 截面抵抗矩 w=4.49cm3 截面惯性矩 I=10.78cm4 1.荷载的计算 (1)静荷载为钢筋混凝...

1、当您付费下载文档后,您只拥有了使用权限,并不意味着购买了版权,文档只能用于自身使用,不得用于其他商业用途(如 [转卖]进行直接盈利或[编辑后售卖]进行间接盈利)。
2、本站所有内容均由合作方或网友上传,本站不对文档的完整性、权威性及其观点立场正确性做任何保证或承诺!文档内容仅供研究参考,付费前请自行鉴别。
3、如文档内容存在违规,或者侵犯商业秘密、侵犯著作权等,请点击“违规举报”。

碎片内容

26m满堂脚手架计算书

小辰7+ 关注
实名认证
内容提供者

出售各种资料和文档

确认删除?
VIP
微信客服
  • 扫码咨询
会员Q群
  • 会员专属群点击这里加入QQ群
客服邮箱
回到顶部