电脑桌面
添加小米粒文库到电脑桌面
安装后可以在桌面快捷访问

DAC7811芯片中文资料

DAC7811芯片中文资料_第1页
1/10
DAC7811芯片中文资料_第2页
2/10
DAC7811芯片中文资料_第3页
3/10
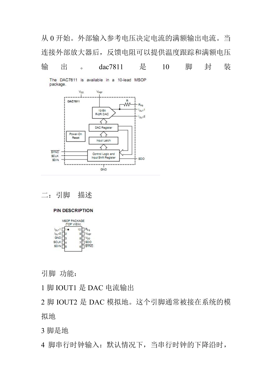
DAC7811 参考资料 一:DAC7811 简介 12 位的 DAC。使用一个有三线接口的双缓存器,合乎与 SPI 和大多数 SDO 接口标准。当运用复合器件时,通过接口 SDO 可以菊花链式连接;通过 SDO 口,用户可以回读DAC register 的值。上电时,移位寄存器的值 0,DAC 输出从0 开始。外部输入参考电压决定电流的满额输出电流。当连接外部放大器后,反馈电阻可以提供温度跟踪和满额电压输出。dac7811是10脚封装 二:引脚 描述 引脚 功能: 1 脚 IOUT1 是 DAC 电流输出 2 脚 IOUT2 是 DAC 模拟地。这个引脚通常被接在系统的模拟地 3 脚是地 4 脚串行时钟输入:默认情况下,当串行时钟的下降沿时,数据被存入16 位的输入移位寄存器;作为选择,依靠串行控制位,可以设置当时钟线上升沿时把数据输入进输入移位寄存器。 5 脚串行数据输入:在有效的串行输入时钟边沿,数据被存入16 位的输入移位寄存器。默认情况下,在上电复位时,数据在时钟下降沿时时存入输入移位寄存器;同时控制位允许用户改变为上升沿有效。 6脚SYNC 有效 低控制输入:这是数据输入的帧同步信号。当SYNC 变低时,它对SCLK 和SDIN 器作用,同时使能输入移位寄存器。在有效的边沿时钟线边沿(默认为下降沿),数据下载到输入移位寄存器。IN STAND——alo n e 模式下,这个串行接口计算有效时钟的个数,同时数据在第16个有效时钟时,整个数据被存入输入移位寄存器。 7 脚SDO 串行数据输出:这一位允许很多个部分被菊花链式连接起来。默认情况下,数据在时钟下降沿时存入输入寄存器,在上升沿时经由SDO 输出(?)。数据总是被存入输入寄存器(在交替的时钟边沿)。(通过串行数据)在输入寄 存器中写入回读控制字,可以实现在SDO 引脚读出DAC 寄存器的内容。 8 脚VDD:正电压输入端。可以提供输入2.7V——2.5V 的电压。 9 脚VREF:DAC 参考电压输入端 10 脚RFB:DAC 反馈电阻引脚。为DAC 建立外部电压输出,通过连接外部放大(输出)器。 三:DAC 工作原理: DAC7811 是一个串行通道的电流输出的,12 位的数模准换器。有一个R—2R 的梯形结构,有三个分离的MSBS。每一个2R 引脚被连接到Iou t1 或者Iou t2 末端。这个R——2R 结构连接一个外部参考输入 VREF,可以用来实现 DAC的满额电流。这个R_2R 结构可以外部连接一个10K 左右的(反馈)电阻,这个外部参考电压能够在-15V——+15V 变化,所以实现两极性的...

1、当您付费下载文档后,您只拥有了使用权限,并不意味着购买了版权,文档只能用于自身使用,不得用于其他商业用途(如 [转卖]进行直接盈利或[编辑后售卖]进行间接盈利)。
2、本站所有内容均由合作方或网友上传,本站不对文档的完整性、权威性及其观点立场正确性做任何保证或承诺!文档内容仅供研究参考,付费前请自行鉴别。
3、如文档内容存在违规,或者侵犯商业秘密、侵犯著作权等,请点击“违规举报”。

碎片内容

DAC7811芯片中文资料

确认删除?
VIP
微信客服
  • 扫码咨询
会员Q群
  • 会员专属群点击这里加入QQ群
客服邮箱
回到顶部