电脑桌面
添加小米粒文库到电脑桌面
安装后可以在桌面快捷访问

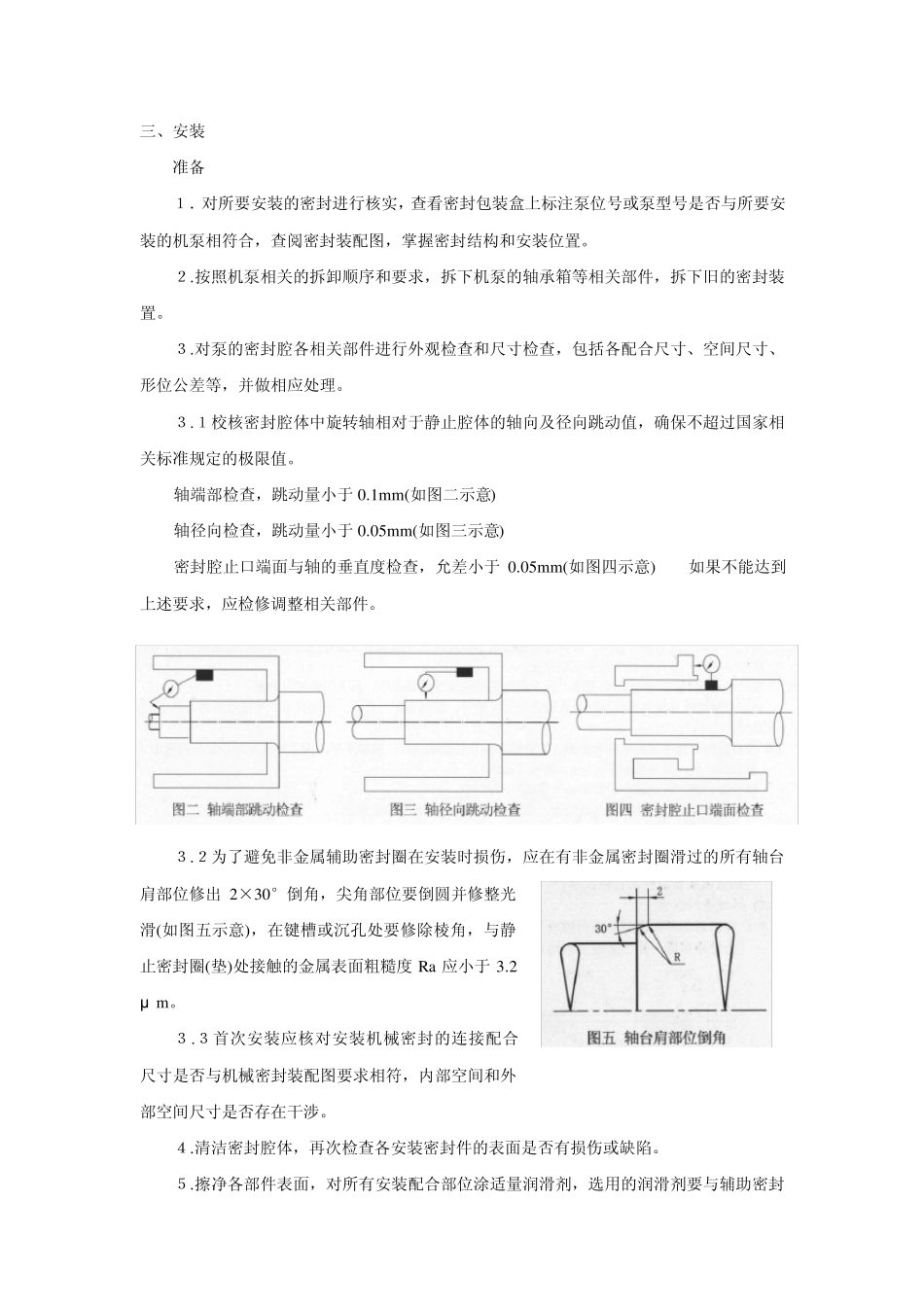
DBMB1系列焊接金属波纹管机械密封安装使用说明书

DBMB1系列焊接金属波纹管机械密封安装使用说明书_第1页
1/9
DBMB1系列焊接金属波纹管机械密封安装使用说明书_第2页
2/9
DBMB1系列焊接金属波纹管机械密封安装使用说明书_第3页
3/9
DBMB-1系列焊接金属波纹管机械密封安装使用说明书 一、产品介绍 DBM B一1焊接金属波纹管机械密封是丹东克隆集团有限责任公司于1988年开发的国内首创用于高温机泵轴封法兰平垫连接结构的机械密封产品,当年在抚顺石油二厂进口西德180 泵试用成功,在该厂北蒸馏车间减二线泵采用DBM70B-1 机封连续运转四年多;在苯乙烯车间使用的 DBM90B-1 机封平均寿命达三年。该产品经过克隆集团技术人员的不断标准化、系列化改进,已经成为国内外独具特色的,具有优良密封综合性能的产品之一,尤其在密封高温热油方面有突出特性。 该系列产品结构已经收录在由丹东克隆集团有限责任公司主导编撰的 JB/T8723-1998《泵用焊接金属波纹管机械密封》行业标准中。该系列产品为静止型结构,配用专用的冷却水套,适应能力强,使用范围广,动态性能优良,是高温油泵轴封的最佳选择。 DBM B-l系列焊接金属波纹管机械密封已在石油开采、石油炼制、石油化工、煤化工、冶金、造纸、核能、发电、制药等领域的高低温机泵设备上有着大量的应用,性能稳定、安装方便密封可靠。 二、产品应用 DBM B-1 系列焊接金属波纹管机械密封如图一所示,为静止型结构平衡型机械密封,动、静环都采用镶嵌端面,非集装部分主要由动环、波纹管组件(静环)及密封垫和螺钉、弹垫组成,集装部分包括非集装部分的全部零件、轴套及传动件、压盖、水套、水封、轴封垫和压盖止口垫等。 根据密封所使用的材料不同而适用于不同的介质工况,常规材料的 DBM B-1 焊接金属波纹管机械密封的各规格零件我公司都有库存备件,可以随订随发,方便客户使用。40、45、50、55、60、65、70、90 八种规格的波纹管组件有长(II)、短(I)两个长度,使用时需注意,不能换用。 常规材料: DBM B-1 系列焊接金属波纹管机械密封规格范围为 30~100,由铬钢做结构件材料,由 定膨胀合金做镶嵌环座材料,奥氏体不锈钢做波纹管材料,动环端面材料为硬质合金(或陶瓷),波纹管组件(静环)端面材料有浸树脂石墨、浸金属石墨和硬质合金,根据介质工况的不同而选用不同的动静环端面组对,通常在高温工况下选用浸金属石墨静环端面与硬环配对使用,在介质中有颗粒时,选用硬对硬的端面配对使用,一般腐蚀介质工况选用浸树脂石墨与硬环配对使用,密封垫片以柔性石墨为主要常备材料,还可以提供其它材料,如铝、聚四氟乙烯等。 适用场合: DBM B-1 系列焊接金属波纹管机械密封适用于-75~400℃温度和-0.1~2...

1、当您付费下载文档后,您只拥有了使用权限,并不意味着购买了版权,文档只能用于自身使用,不得用于其他商业用途(如 [转卖]进行直接盈利或[编辑后售卖]进行间接盈利)。
2、本站所有内容均由合作方或网友上传,本站不对文档的完整性、权威性及其观点立场正确性做任何保证或承诺!文档内容仅供研究参考,付费前请自行鉴别。
3、如文档内容存在违规,或者侵犯商业秘密、侵犯著作权等,请点击“违规举报”。

碎片内容

DBMB1系列焊接金属波纹管机械密封安装使用说明书

您可能关注的文档

小辰7+ 关注
实名认证
内容提供者

出售各种资料和文档

确认删除?
VIP
微信客服
  • 扫码咨询
会员Q群
  • 会员专属群点击这里加入QQ群
客服邮箱
回到顶部