电脑桌面
添加小米粒文库到电脑桌面
安装后可以在桌面快捷访问

F940GOT使用说明

F940GOT使用说明_第1页
1/43
F940GOT使用说明_第2页
2/43
F940GOT使用说明_第3页
3/43
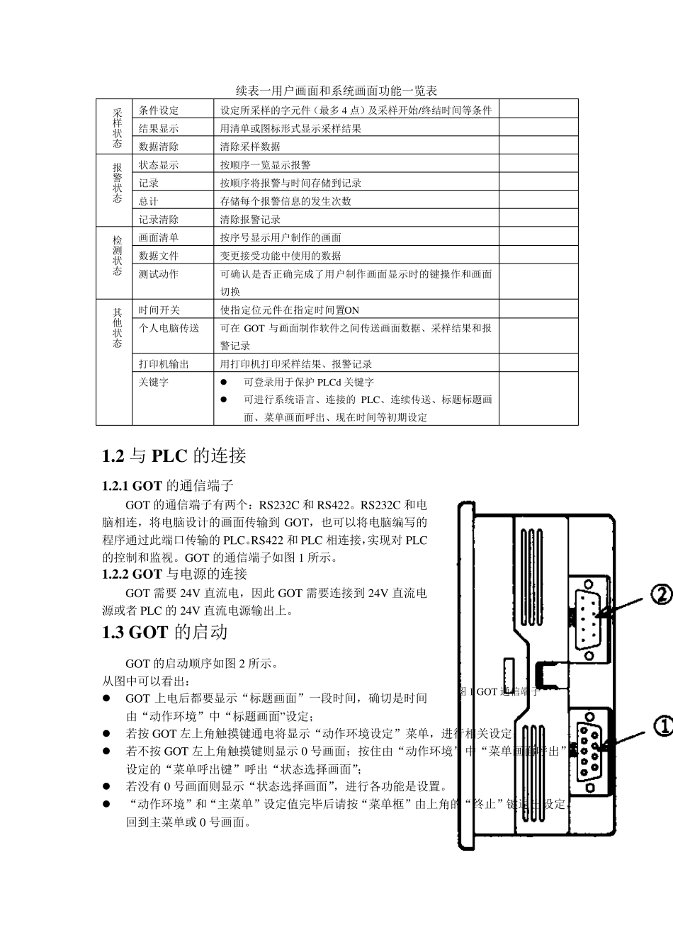
F940GOT触摸屏使用说明F940GOT 1.1 概要  图形操作终端(GOT)是一种操作触摸面板,可以一边观看画面中对可编程控制器的各软元件的监视以及数据的变化一边进行显示。GOT 通过画面可以设定开关、指示灯、数据、采集信号、图形的显示功能。  对PLC 的程序、参数可以检查、监视、和修改。  GOT 具有多个画面通过连接可以相互翻页。  GOT 可以与计算机、变频器、PLC 之间进行通讯。 F940GOT 与三菱 FX 或 A 系列 PLA 连接使用。 显示画面包括用户设计画面和系统画面。如表一所示。 表一 用户画面和系统画面功能一览表 状态 功能 功能概要 备注 画面状态 显示用 户 制作的画面 文字显示:  英文、数字、假名、汉字、外文等  日语、中文(简体)、英文、韩语等 绘图:直线、圆、四边形等 监视功能:  利用数值、条形图、圆、折线图等监视PLC 的字元件(D、T、C、V、Z)设定值和监视值;  可通过为元件(X、Y、M、T、C、S)的ON/OFF 颠倒指定范围的画面显示色 数据变更功能:改变数值、折线图、仪表形式的(D、C、T、Z、V)现在值和设定值。 开关功能:用瞬间控制和间歇控制设置和复位形式控制位元件(X、Y、M、C、T)ON/OFF 。 画面切换:先是画面的切换,可用PLC 或触摸键切换 接受功能(数据文件传送):向 PLC 传送保存在 GOT 中的文件 安全功能(画面保护功能): 只显示与密码一直得画面 HPP状态 程序(清单) 可在 GOT 中显示PLC 的程序、输入程序、修改程序监视 参数 可用读出/写入程序容量、存储器锁定范围等参数 FX 系列有效 BMF 监视 可对FX2N、FX2NC 系列特殊功能模块的后备存储器(BMF)进行监视,也可以变更其设定值 FX 系列有效 软元件监视 可用元素序号或注释监视位元件的ON/OFF 及字元件的现在值及设定值 FX2N、FX2NC 系列有效 变更 现 在 值 和设定值 可用位元素或注释变更字元件的现在值和设定值 强制ON/OFF 可强制ON/OFF 位元件(X、Y、M、S、T、C) 状态监视 自动显示、监视处于 ON 动作的状态(S)序号 PC 诊断 读出并显示PLC 的错误信息 续表一用户画面和系统画面功能一览表 采样状态 条件设定 设定所采样的字元件(最多 4 点)及采样开始/终结时间等条件 结果显示 用清单或图标形式显示采样结果 数据清除 清除采样数据 报警状态 状态显示 按顺序一览显示报警 记录 按顺序将报警与时间存储到记...

1、当您付费下载文档后,您只拥有了使用权限,并不意味着购买了版权,文档只能用于自身使用,不得用于其他商业用途(如 [转卖]进行直接盈利或[编辑后售卖]进行间接盈利)。
2、本站所有内容均由合作方或网友上传,本站不对文档的完整性、权威性及其观点立场正确性做任何保证或承诺!文档内容仅供研究参考,付费前请自行鉴别。
3、如文档内容存在违规,或者侵犯商业秘密、侵犯著作权等,请点击“违规举报”。

碎片内容

F940GOT使用说明

确认删除?
VIP
微信客服
  • 扫码咨询
会员Q群
  • 会员专属群点击这里加入QQ群
客服邮箱
回到顶部