电脑桌面
添加小米粒文库到电脑桌面
安装后可以在桌面快捷访问

电动汽车用模式2充电器测试规范

电动汽车用模式2充电器测试规范_第1页
1/16
电动汽车用模式2充电器测试规范_第2页
2/16
电动汽车用模式2充电器测试规范_第3页
3/16
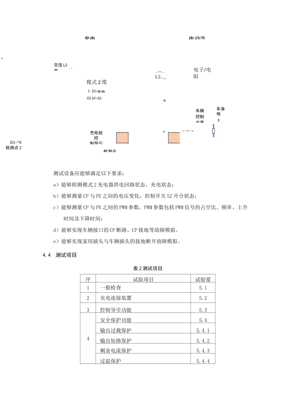
电动汽车用模式 2 充电器测试规范1 范围本规范规定了电动汽车模式 2 充电器的检验规则、测试条件及要求以及测试方法等。本规范适用于符合 GB/T18487.1—2015 规定的电动汽车模式 2 充电方式对应的模式 2充电器。2 规范性引用文件下列文件对于本文件的应用是必不可少的。凡是注日期的引用文件,仅注日期的版本适用于本文件。凡是不注日期的引用文件,其最新版本(包括所有的修改单)适用于本文件。GB/T18487.1-2015 电动汽车传导充电系统第 1 部分:通用要求GB/T20234.1-2015 电动汽车传导充电用连接装置第 1 部分:通用要求GB/T20234.2-2015 电动汽车传导充电用连接装置第 2 部分:交流接口GB/T34657.1-2017 电动汽车传导充电互操作性测试规范第 1 部分:供电设备NB/T42077-2016 电动汽车模式 2 充电的缆上控制与保护装置(IC-CPD)GB/T28046.1-2013 道路车辆电气及电子设备的环境条件和试验第 1 部分:一般规定GB/T28046.3-2013 道路车辆电气及电子设备的环境条件和试验第 3 部分:机械负荷GB/T28046.4-2013 道路车辆电气及电子设备的环境条件和试验第 5 部分:气候负荷GB/T28046.5-2013 道路车辆电气及电子设备的环境条件和试验第 5 部分:化学负荷GB4208 外壳防护等级试验GB/T19596 电动汽车术语3 术语和定义GB/T18487.1-2015、GB/T20234.1—2015、GB/T20234.2-2015 和 GB/T34657.1—2017中确立的及下列术语和定义适用于本规范。3.1 车辆接口 Vehicleinterface能将电缆连接到电动汽车的器件,由车辆插头和车辆插座组成。3.2 车辆插头 Vehicleplug车辆接口中和充电线缆连接且可以移动的部分3.3 模式 2 充电器 Mode2charger以连接方式 B 或连接方式 C 在充电模式 2 下为电动车辆供电的部件,包括家用插头、功能盒、电缆、车辆插头等部分,具有控制导引功能和安全功能。3.4 功能状态等级 Functionalstatuslevel模式 2 充电器的功能等级分为 5 级等级 A:设备或系统在试验期间和之后,均能执行其预先设计的所有功能;等级 B:设备或系统在试验期间,均能执行其预先设计的所有功能;然而有一项或多项指标超出规定偏差,例如电压不能偏移额定电压值的 50%以上,电流不能偏移额定电流值的50%,所有功能在试验之后自动恢复到正常允许范围内,预先设计功能维持 A 级水平;等级 C:设备或系统在试验期间,不执行其预先设计的一项或多项功能,但在试验之后能自动恢复到正常操作状态;等级...

1、当您付费下载文档后,您只拥有了使用权限,并不意味着购买了版权,文档只能用于自身使用,不得用于其他商业用途(如 [转卖]进行直接盈利或[编辑后售卖]进行间接盈利)。
2、本站所有内容均由合作方或网友上传,本站不对文档的完整性、权威性及其观点立场正确性做任何保证或承诺!文档内容仅供研究参考,付费前请自行鉴别。
3、如文档内容存在违规,或者侵犯商业秘密、侵犯著作权等,请点击“违规举报”。

碎片内容

电动汽车用模式2充电器测试规范

确认删除?
VIP
微信客服
  • 扫码咨询
会员Q群
  • 会员专属群点击这里加入QQ群
客服邮箱
回到顶部