电脑桌面
添加小米粒文库到电脑桌面
安装后可以在桌面快捷访问

供方评价、选择和重新评价准则

供方评价、选择和重新评价准则_第1页
1/8
供方评价、选择和重新评价准则_第2页
2/8
供方评价、选择和重新评价准则_第3页
3/8
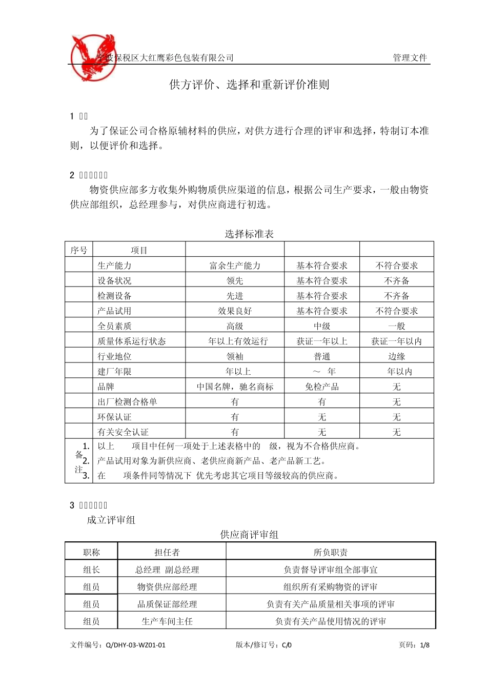
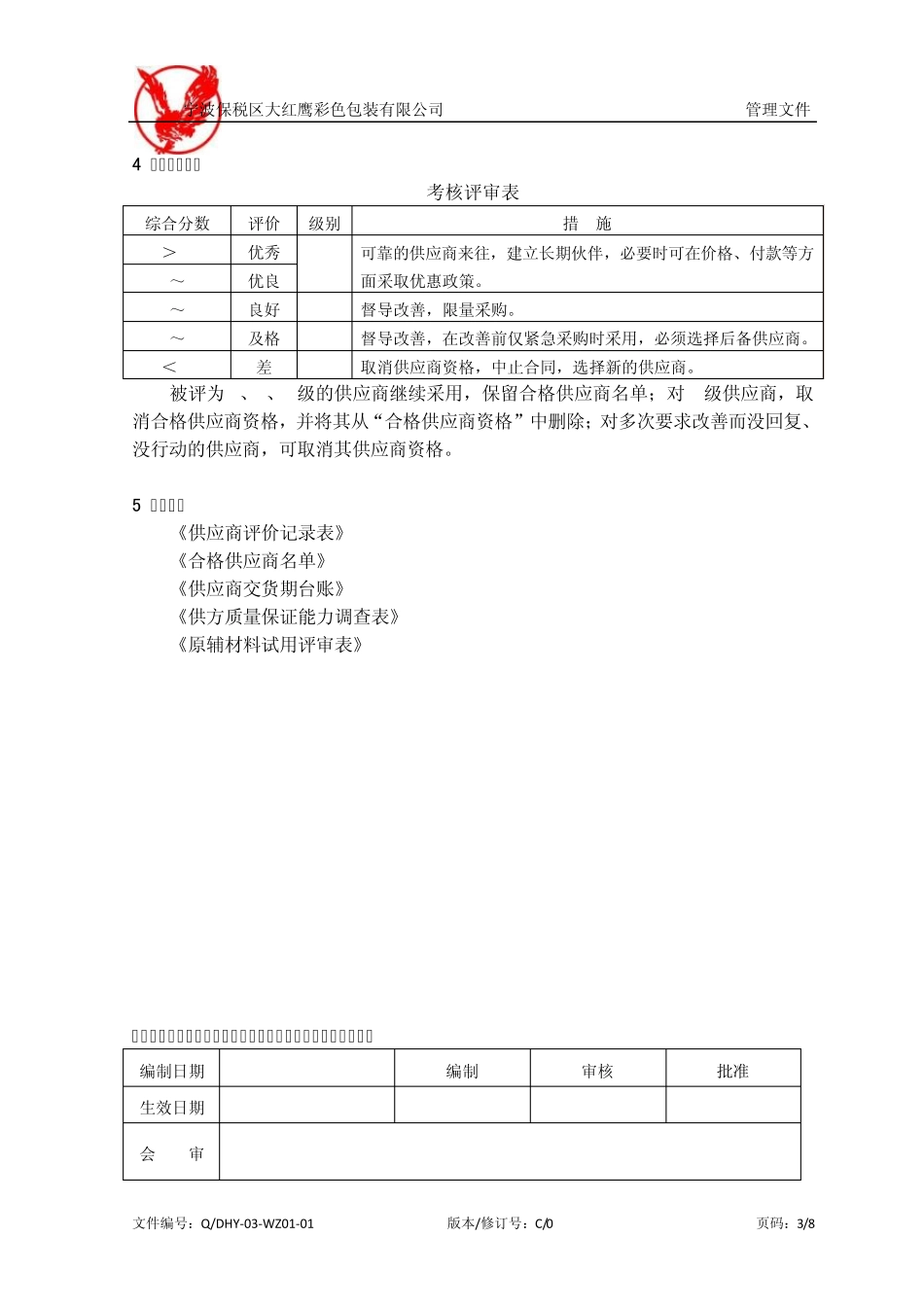
宁波保税区大红鹰彩色包装有限公司 管理文件 文件编号:Q/DHY-03-WZ01-01 版本/修订号:C/0 页码:1/8 供方评价、选择和重新评价准则 1 目的 为了保证公司合格原辅材料的供应,对供方进行合理的评审和选择,特制订本准则,以便评价和选择。 2 供方选择标准 物资供应部多方收集外购物质供应渠道的信息,根据公司生产要求,一般由物资供应部组织,总经理参与,对供应商进行初选。 选择标准表 序号 项目 A B C 1 生产能力 富余生产能力 基本符合要求 不符合要求 2 设备状况 领先 基本符合要求 不齐备 3 检测设备 先进 基本符合要求 不齐备 4 产品试用 效果良好 基本符合要求 不符合要求 5 全员素质 高级 中级 一般 6 质量体系运行状态 3年以上有效运行 获证一年以上 获证一年以内 7 行业地位 领袖 普通 边缘 8 建厂年限 5年以上 3~5年 3年以内 9 品牌 中国名牌,驰名商标 免检产品 无 10 出厂检测合格单 有 有 无 11 环保认证 有 无 无 12 有关安全认证 有 无 无 备 注 1. 以上 1-4项目中任何一项处于上述表格中的 C级,视为不合格供应商。 2. 产品试用对象为新供应商、老供应商新产品、老产品新工艺。 3. 在 1-4项条件同等情况下,优先考虑其它项目等级较高的供应商。 3 供方评价程序 3.1成立评审组 供应商评审组 职称 担任者 所负职责 组长 总经理/副总经理 负责督导评审组全部事宜 组员 物资供应部经理 组织所有采购物资的评审 组员 品质保证部经理 负责有关产品质量相关事项的评审 组员 生产车间主任 负责有关产品使用情况的评审 宁 波 保 税 区 大 红 鹰 彩 色 包 装 有 限 公 司 管 理 文 件 文 件 编 号 : Q/DHY-03-WZ01-01 版 本 /修 订 号 : C/0 页 码 : 2/8 3.2 对ISO程 序 文 件 《 采 购 控 制 程 序 》 中 规 定 的A类 全 部 采 购 物 质 , 每 半 年 对 供 应商 进 行 综 合 考 核 评 分 。 最 终 根 据 《 供 应 商 评 价 记 录 表 》 制 定 《 合 格 供 应 商 名 单 》。 评价 和 再 评 价 的 记 录 应 经 相 关 领 导 审 核 , 合 格 供 方 名 单 应 报 总 经 理 批 准 确 认 。 3.3供 应 商 评 价 标 准 供应商评价标准表 序 号 项 目 评 分 标 准 评...

1、当您付费下载文档后,您只拥有了使用权限,并不意味着购买了版权,文档只能用于自身使用,不得用于其他商业用途(如 [转卖]进行直接盈利或[编辑后售卖]进行间接盈利)。
2、本站所有内容均由合作方或网友上传,本站不对文档的完整性、权威性及其观点立场正确性做任何保证或承诺!文档内容仅供研究参考,付费前请自行鉴别。
3、如文档内容存在违规,或者侵犯商业秘密、侵犯著作权等,请点击“违规举报”。

碎片内容

供方评价、选择和重新评价准则

您可能关注的文档

小辰8+ 关注
实名认证
内容提供者

出售各种资料和文档

确认删除?
VIP
微信客服
  • 扫码咨询
会员Q群
  • 会员专属群点击这里加入QQ群
客服邮箱
回到顶部