电脑桌面
添加小米粒文库到电脑桌面
安装后可以在桌面快捷访问

博美德行星减速机选型手册

博美德行星减速机选型手册_第1页
1/62
博美德行星减速机选型手册_第2页
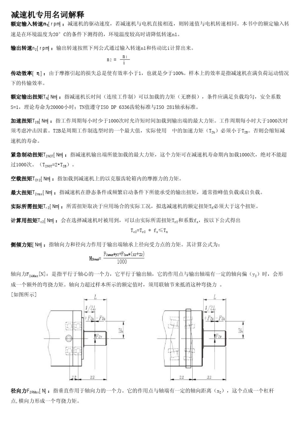
2/62
博美德行星减速机选型手册_第3页
3/62

1、当您付费下载文档后,您只拥有了使用权限,并不意味着购买了版权,文档只能用于自身使用,不得用于其他商业用途(如 [转卖]进行直接盈利或[编辑后售卖]进行间接盈利)。
2、本站所有内容均由合作方或网友上传,本站不对文档的完整性、权威性及其观点立场正确性做任何保证或承诺!文档内容仅供研究参考,付费前请自行鉴别。
3、如文档内容存在违规,或者侵犯商业秘密、侵犯著作权等,请点击“违规举报”。

碎片内容

博美德行星减速机选型手册

您可能关注的文档

确认删除?
VIP
微信客服
  • 扫码咨询
会员Q群
  • 会员专属群点击这里加入QQ群
客服邮箱
回到顶部