电脑桌面
添加小米粒文库到电脑桌面
安装后可以在桌面快捷访问

压力机电路图

压力机电路图_第1页
1/7
压力机电路图_第2页
2/7
压力机电路图_第3页
3/7
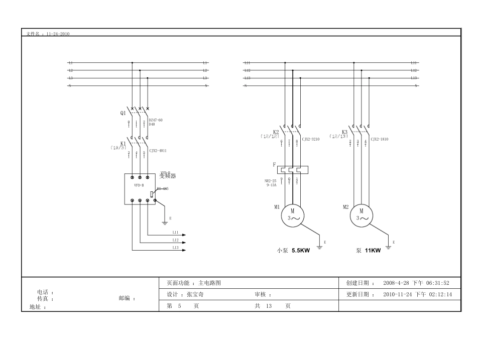
压力机电路图2010-11-18页页文件名 :11-24-2010电话 :传真 :地址 :邮编 :页面功能 :主电路图设计 :张宝奇审核 :第 5共 13创建日期 : 2008-4-28 下午 06:31:52更新日期 : 2010-11-24 下午 02:12:14小泵 5.5KW大泵 11KWL1L1L2L2L3L3NN110111112Q1DZ47-60D40VFD-BRS-485变频器VFD-BL11L12L13E113114115K1CJX2-4011L11L11L12L12L13L13NN116117118K2CJX2-3210122123124K3CJX2-1810119120121FNR2-259-13AM3M1M3M2EE页页文件名 :11-24-2010电话 :传真 :地址 :邮编 :页面功能 :控制电源分配电路图设计 :张宝奇审核 :第 9共 13创建日期 : 2008-4-29 上午 10:58:42更新日期 : 2010-11-24 下午 02:10:3012345678910111213141516171819从另外处单引电源至 DVP-EH16-PLC L端至 步进电源开关 L端至 PLC二次输出电源开关 L端至 PLC一次输出及DOP电源开关 L端至 压力变送器及温度电源开关 L端至 步进电源开关 N端至 PLC 输入及二次输出电源开关 N端至 PLC一次输出及DOP电源开关 N端至 压力变送器及温度电源开关 N端至 DVP-EH16-PLC N端至 散热器电动机 N端水泵 220V 500W10L21L21N1N1Q2DZ47-20 C10L23L23N3N3页面10.16Q3DZ47-60 C5L15页面10.16L16页面11.4N3N3N3N3N3N3K4L22页面10.2N2页面10.211MM 3PP1D1水泵指示灯L23L16K7水泵开关页页文件名 :11-24-2010电话 :传真 :地址 :邮编 :页面功能 :启动控制电路图设计 :张宝奇审核 :第 10共 13创建日期 : 2008-5-3 上午 07:49:28更新日期 : 2010-11-24 下午 02:08:3012345678910111213141516VFD-B变频器辅助端子16VFD-B变频器DVP-16EHRS-485RS-485 COM2N2页面9.12N2L22页面9.12L2212TA113QA1K1主接触器K4控制接触器K4D2电源指示灯K5MM4散热风机K617FWD18DCML15页面9.6,11.4试验台日光灯N3页面9.14,11.4页页文件名 :11-24-2010电话 :传真 :地址 :邮编 :页面功能 :PLC模拟信号与控制电源电路图设计 :张宝奇审核 :第 11共 13创建日期 : 2008-5-3 下午 05:20:02更新日期 : 2010-11-24 下午 02:08:3012345678910111213141516171819步进电源开关PLC一次输出及两个显示器电源开关压力变送器及温度电源开关2.8+-+24V T4G4 T414151514PLC 二次输出和DOP电源开关T1T2T3T4L15页面10.16L16L16L16页面9.6N3页面10.16,12.2G2 T2页面12.2+24V T2页面12.2G3 T3页面12.2+5V T3...

1、当您付费下载文档后,您只拥有了使用权限,并不意味着购买了版权,文档只能用于自身使用,不得用于其他商业用途(如 [转卖]进行直接盈利或[编辑后售卖]进行间接盈利)。
2、本站所有内容均由合作方或网友上传,本站不对文档的完整性、权威性及其观点立场正确性做任何保证或承诺!文档内容仅供研究参考,付费前请自行鉴别。
3、如文档内容存在违规,或者侵犯商业秘密、侵犯著作权等,请点击“违规举报”。

碎片内容

压力机电路图

您可能关注的文档

确认删除?
VIP
微信客服
  • 扫码咨询
会员Q群
  • 会员专属群点击这里加入QQ群
客服邮箱
回到顶部