电脑桌面
添加小米粒文库到电脑桌面
安装后可以在桌面快捷访问

双控开关电路原理图解

双控开关电路原理图解_第1页
1/14
双控开关电路原理图解_第2页
2/14
双控开关电路原理图解_第3页
3/14
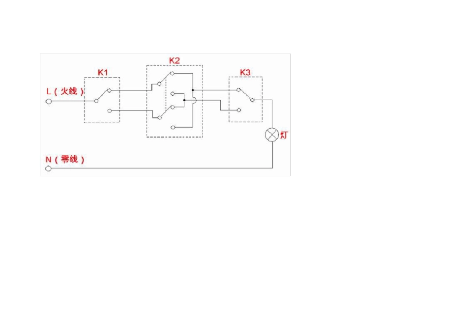
双控开关电路原理图解 (点击:2841) 鼎翔暖通 2007-11-12 08:41:51 发表于搜狐焦点家居-装修总论坛-长春装修集采论坛 所谓双控开关,是由两个独立的单刀双掷开关组合来实现的,现在市场上几乎每个品牌和系列的开关都有单极和双极的,那个双极的就是我们这里用的。从上面的图上可以看出无论你拨动哪个开关(K1 或 K2),整个电路的状态都会切换(连通和断开),这就实现了任何一个开关都可以随时打开或关掉所控制的灯,这就是双控。同样,三控开关就是说三个不同地点的开关可以任意地用其中一个随意控制一个灯,它的电路复杂一点,用到了一个双刀双掷开关: 三控开关的连接也比较复杂,用两个接线排(下面那两个东西)接成模块,做上标记,用的时候只需要把每根线接到相应的端子上就可以了。 最常用的还是双控开关,而且多数情况下是把原有的一个单控开关改成双控,下图就是这种情况: 单控开关改为双控开关的接线图: 稍微解释一下:图中A、B 就是原有线路中的开关线,把原有的单极开关(K)拿掉,换上双极开关(K1),通过走线槽由这个原有的开关盒(K1)过 3根线到新的开关盒(K2),图中A、B 两根线不必区分,也就是说哪根是A 哪根是B 无所谓,双极开关中的两个极(K1、K2 中垂直方向并排的那两组开关端子)也不必区分。 双控,就是两个以上的控制开关,也就是说,一个照明灯具,可以在不同的地方控制,我们最常用的有;楼梯间、地下室、长走廊道,大卧室等。 现在有很多的主卧室都是带卫生间,这样就会有一个小走道,在开门口的地方开灯,到床头关灯,是最方便的双控了。 双控开关是很普通的开关面板,五金店都有买的,主要的是先布好电线,它与一般的灯具电线有一点不同,在布线的时候是这样的, 控制灯具,在施工规范上是这样规定的,灯具控制 L 相线也就是我们常说的控制火线, 在控制开关的面板上,加上一根回路线的是,双控开关,加上两个回路,三个控制点的可以三控,这种情况主要是在楼梯上用。 双控开关、三控开关及日光灯接线图 (2007-03-27 09:48:21) 转载 双控开关接线图 三控开关接线图 日光灯接线图 日 光 灯 的 原 理 简 单 的 日 光 灯 电 路 由 灯 管 、 启 辉 器 和 镇 流 器 等 组 成 , 如 上 图 所 示 。 日 光 灯 管 的 内 壁 涂 有 一 层 荧 光 物 质 , 管 两 端 装 有 灯 丝 电 极 , 灯 丝 上 涂 有 受 热 后...

1、当您付费下载文档后,您只拥有了使用权限,并不意味着购买了版权,文档只能用于自身使用,不得用于其他商业用途(如 [转卖]进行直接盈利或[编辑后售卖]进行间接盈利)。
2、本站所有内容均由合作方或网友上传,本站不对文档的完整性、权威性及其观点立场正确性做任何保证或承诺!文档内容仅供研究参考,付费前请自行鉴别。
3、如文档内容存在违规,或者侵犯商业秘密、侵犯著作权等,请点击“违规举报”。

碎片内容

双控开关电路原理图解

小辰2+ 关注
实名认证
内容提供者

出售各种资料和文档

相关文档

确认删除?
VIP
微信客服
  • 扫码咨询
会员Q群
  • 会员专属群点击这里加入QQ群
客服邮箱
回到顶部