电脑桌面
添加小米粒文库到电脑桌面
安装后可以在桌面快捷访问

(18版)电气装置安装工程质量检验及评定规程第6部分——接地装置

(18版)电气装置安装工程质量检验及评定规程第6部分——接地装置_第1页
1/10
(18版)电气装置安装工程质量检验及评定规程第6部分——接地装置_第2页
2/10
(18版)电气装置安装工程质量检验及评定规程第6部分——接地装置_第3页
3/10
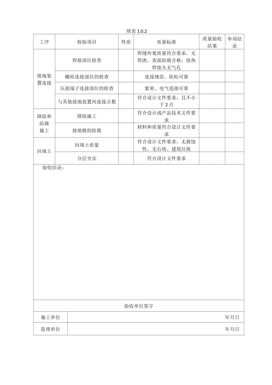
表 1.0.2 屋外接地装置安装分项工程质量验收表工程编号:表号:DL/T5161.6-表1.0.2安装位置工序检验项目性质质量标准质量验收结果单项结论原材料检查接地材料材质、规格主控符合设计文件要求,有合格证明文件降阻材料材质、规格符合设计文件要求,有合格证明文件垂直接地极敷设接地极顶面埋设深度主控符合设计文件要求,设计无要求时应不小于 0.8m接地极间距离不小于 2 倍接地极长度水平接地极敷设接地极顶面埋设深度(包括通过道路时的埋深)主控符合设计文件要求,设计无要求时应不小于 0.8m水平接地极的间距符合设计文件要求,设计无要求时应不小于 5m接地极与建筑物的距离符合设计文件要求均压带敷设间距符合设计文件要求接地网的外缘各角应成圆弧形且闭合,圆弧的半径不小于 1/2 临近均压带间距接地线保护措施通过道路、铁路、管道等交叉处及可能使接地线遭机械损伤处用角钢覆盖或穿钢管;穿过已有建(构)筑物处有钢管或其他坚固的保护套断接卡的位置、数量及保护措施符合设计文件要求引向建筑物入口处的接地点标识白底黑色的“士”标识位于接地点正上方,便于识别接地装置连接焊接搭接长度扁钢与扁钢(槽钢)主控不小于 2 倍宽度,且焊接面不小于 3 面圆钢与圆钢或圆钢与扁钢(槽钢)主控双面焊接时不小于 6 倍圆钢直径单面焊接时不小于 12 倍圆钢直径扁钢与钢管(角钢)主控直接焊接,或在接触部位两侧焊接,并焊接加固卡子续表 1.0.2工序检验项目性质质量标准质量验收结果单项结论接地装置连接焊接部位检查焊缝外观质量符合要求,无焊渣,表面防腐合格;放热焊接头无气孔螺栓连接部位的检查连接规范、防松可靠压接端子连接部位的检查紧密、电气连接可靠与其他接地装置间连接点数符合设计文件要求,且不小于 2 点降阻和防腐施工降阻施工符合设计或产品技术文件要求接地极的防腐材料和质量符合设计文件要求回填土回填土质量符合设计文件要求,无腐蚀性,无石块、建筑垃圾分层夯实符合设计文件要求验收结论:验收单位签字施工单位年月日监理单位年月日表 2.0.2 屋内接地装置安装分项工程质量验收表工程编号:表号:DL/T5161.6-表2.0.2安装位置工序检验项目性质质量标准质量验收结果单项结论原材料检查接地材料材质、规格主控符合设计文件要求,有合格证明文件接地装置安装明敷接地线敷设位置符合设计文件要求,便于检查,不妨碍设备拆卸检修支持件安装支持件间距水平直线部分0.5m~1.5m垂直部分1.5m~3.0m转弯部分0.3m~0...

1、当您付费下载文档后,您只拥有了使用权限,并不意味着购买了版权,文档只能用于自身使用,不得用于其他商业用途(如 [转卖]进行直接盈利或[编辑后售卖]进行间接盈利)。
2、本站所有内容均由合作方或网友上传,本站不对文档的完整性、权威性及其观点立场正确性做任何保证或承诺!文档内容仅供研究参考,付费前请自行鉴别。
3、如文档内容存在违规,或者侵犯商业秘密、侵犯著作权等,请点击“违规举报”。

碎片内容

(18版)电气装置安装工程质量检验及评定规程第6部分——接地装置

您可能关注的文档

确认删除?
VIP
微信客服
  • 扫码咨询
会员Q群
  • 会员专属群点击这里加入QQ群
客服邮箱
回到顶部