电脑桌面
添加小米粒文库到电脑桌面
安装后可以在桌面快捷访问

模治具管理办法VIP专享VIP免费

模治具管理办法_第1页
1/7
模治具管理办法_第2页
2/7
模治具管理办法_第3页
3/7
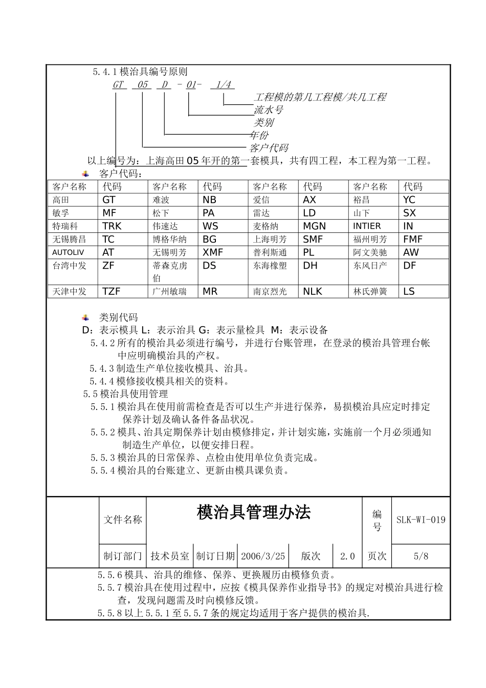
编号文件名称SLK-WI-019制订部门技术员室制订日期2006/3/25版次2.0页次2/81.目的:为了确保模治具能永久保持适用状态,维持产品零件质量及满足客户的要求。2.范围:凡本公司所有的产品生产用的模具、量检具、治具均适用。3.权责:3.1.开发设计负责内制模具的设计及外发模具的比价;3.2.模具课负责治具、模具、检具的制作、维修、定期保养及管理;3.3.开管负责新模具的验收主导;3.4技术员室负责模治具的定位及仓库库位规划;3.5品保负责内制量具的设计、组立、验收及外发治具的比价;3.6使用单位负责模治具的日常保养、点检;3.7模修负责移转量产模具的保养策划及保养动作的实施3.8采购负责外制模治具外包动作的执行及合作协议的签订;4.定义:模治具---指模具、检具、治具、夹具等.5.内容:5.1模治具需求提出及内外制规划:5.1.1模治具需求提出5.1.1.1新产品开发的模治具由专案小组共同检讨,并确认其模治具内制还是外制,依供应商的初报价与信誉检讨外发厂商。5.1.1.2合理化改善、工程变更、产能提升、依客户要求或制程要求重新制作的模治具,由相关单位会议检讨确定。5.1.1.3模具填写[模具内外制计划表],量具[量具内外制计划书],治具填写[治具内外制计划书]来规划及审批。5.1.2内外制规划5.1.2.1以上内外制规划必须由副总批准才生效。5.1.2.2承制的供应商必须对承制的模治检具作进一步的展开:工法检讨、模具结构图的绘制、用料的计算等详细资料。5.1.2.3由此供应商再依公司的[模具(治具、检具)详细报价书]作出报价,且报价提出时请提供工法图、模具结构图,以便作价的商议。5.1.2.4价格的合理性由设计检讨评估,价议的比对也由设计负责。5.1.2.5模具、治具、检具外制的承制厂商、价格由副总审批。编号文件名称SLK-WI-019模治具管理办法模治具管理办法制订部门技术员室制订日期2006/3/25版次2.0页次3/85.1.3模具、治具、检具外制的规范准备设计:需对模具作内部估价;需对治具设计方案作初步设定。品保:需对检具的验收制作检验规范。5.2模治具的制作5.2.1模治具外制5.2.1.1厂商选定:模治具如规划外包,采购提供应合格厂商,供开管、品保选择,厂商确认后,制作[模具内外制计划表]、[治具内外制计划书]、[量具内外制计划书]呈副总审批。5.2.1.2价格议定:模治具外发价格由责任部门进行议价、比价、审价,最后价格由副总审批;5.2.1.3合作协议签订:厂商、价格审批OK后责任部门需将“内外制计划”复印一份给采购,作为外发依据。并由采购与供应商签订合作协议,模具制作协议签订“模具外注采购单”,治具、量具制作协议签订“订购合约书”。5.2.1.4模具制作协议“模具外注采购单”,治具制作协议“订购合约书”原件由财务保存,其他部门需求时只能保存复印件。5.2.1.5承制厂商需提供模治具开发进度表供开管或生技跟催。5.2.2模治具内制:5.2.2.1设计单位接到开管的[模具内外制计划表]时,依时间节点及工序制作其进度表[模治具设计组立日程表],以便管制进度。5.2.2.2内制模具由设计负责设计、备料,模具课负责模具的组立及试模。5.2.2.3内制治具由生技负责设计、组立加工及试用,生技必须依时间节点及工序制作其进度表[模治具设计组立日程表],以便管制进度。5.3模治具的验收5.3.1开管依《模具验收作业标准》与《治具验收作业标准》主导验收模具、治具,模具、治具的验收由功能小组共同完成。5.3.3模治具验收时必须是量产状况,验证的产品也必须是这个状况下生产的。5.3.4模治具验收功能小组成员:设计、模开、模修、制造、开管、技术员室、品开5.4模治具编号和登记及移交编号文件名称SLK-WI-019制订部门技术员室制订日期2006/3/25版次2.0页次4/8模治具管理办法5.4.1模治具编号原则GT05D-01-1/4工程模的第几工程模/共几工程流水号类别年份客户代码以上编号为:上海高田05年开的第一套模具,共有四工程,本工程为第一工程。客户代码:客户名称代码客户名称代码客户名称代码客户名称代码高田GT难波NB爱信AX裕昌YC敏孚MF松下PA雷达LD山下SX特瑞科TRK伟速达WS麦格纳MGNINTIERIN无锡腾昌TC博格华纳BG上海明芳SMF福州明芳FMFAUTOLIVAT无锡明芳XMF普利斯通PL阿文美驰AW台湾中发ZF蒂森克...

1、当您付费下载文档后,您只拥有了使用权限,并不意味着购买了版权,文档只能用于自身使用,不得用于其他商业用途(如 [转卖]进行直接盈利或[编辑后售卖]进行间接盈利)。
2、本站所有内容均由合作方或网友上传,本站不对文档的完整性、权威性及其观点立场正确性做任何保证或承诺!文档内容仅供研究参考,付费前请自行鉴别。
3、如文档内容存在违规,或者侵犯商业秘密、侵犯著作权等,请点击“违规举报”。

碎片内容

模治具管理办法

确认删除?
VIP
微信客服
  • 扫码咨询
会员Q群
  • 会员专属群点击这里加入QQ群
客服邮箱
回到顶部