电脑桌面
添加小米粒文库到电脑桌面
安装后可以在桌面快捷访问

提高剪力墙线盒安装施工质量qc成果

提高剪力墙线盒安装施工质量qc成果_第1页
1/8
提高剪力墙线盒安装施工质量qc成果_第2页
2/8
提高剪力墙线盒安装施工质量qc成果_第3页
3/8
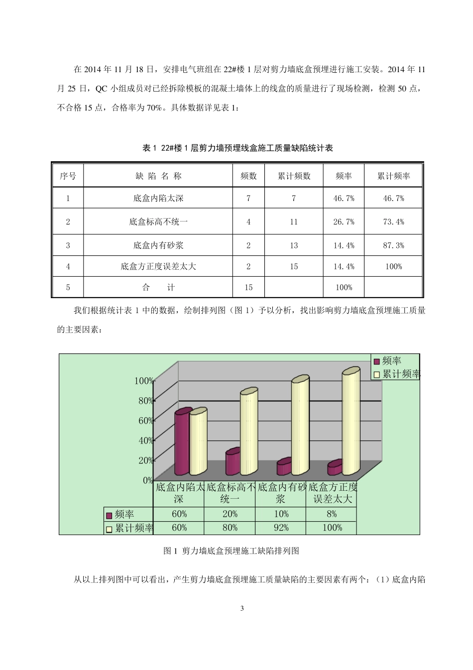
天元建设集团有限公司第一建筑工程公司 1 开展 QC 活动 提 高 剪 力 墙 线 盒 安 装 施 工 质 量 天元建设集团有限公司第一公司 天 元 建 设 集 团 有 限 公 司 第 一 建 筑 工 程 公 司 2 一、工程概况 本 工 程 建 筑 为 康 桥 郡 二 期 22#楼 , 线 盒 采 用 PVC 线 盒 。 二 、小组简介 小 组 成 立 于 2014 年 11 月 , 小 组 由 5 人 组 成 , 均 接 受 了 正 规 的 QC 教 育 , 小 组 成 员 情 况 见 下 表 : 序 号 姓 名 组 内 职 务 行 政 职 务 文 化 教 育 年 龄 1 刘 洪 庆 组 长 工 程 经 理 本 科 43 2 刘 海 港 组 员 施 工 队 长 本 科 36 3 石 海 增 组 员 主 管 材 料 员 大 专 33 4 鲁 津 源 组 员 统 计 员 大 专 25 5 张 怀 德 组 员 技 术 员 本 科 26 三、选题理由 四、现状调查分析 2014 年 11 月 中 旬 , 我 们 QC 小 组 按 照 《 建 筑 电 气 工 程 施 工 质 量 验 收 规 范 GB 50303-2002》 及《 天 元 建 设 集 团 有 限 公 司 质 量 手 册 》 对 电 气 班 组 的 工 人 进 行 了 技 术 培 训 交 底 , 然 后 施 工 员 及 技 术 负 责人 到 施 工 现 场 进 行 具 体的 技 术 指导和操作示范 。 质 量 目标 选 题 质 量 问题 阜丰·康 桥 郡 二 期 项目是公 司 的 重点项目之一 , 项目质 量 目标是:满足天 元 集 团 施 工 质 量 要求, 提高自身安装水平。 剪 力 墙 体底 盒 预 埋 施 工 质 量 影 响 到 毛 坯 房 观 感 质 量 , 危 及 业 主 房 子 整 体质 量 ,进 而 影 响 到 房 子 的 销 售 业 绩 。 同 时 , 底 盒 深 陷 墙 体给 以 后 的 施 工 造 成 很 大 的 麻烦 : 需 增 加 无 底 盒 材 料 及 人 工 , 开 关 、 插 座 等 面 板 错 位 , 容 易 脱 落 ; 底 盒 标高不 统 一 , 影 响 房 子 装修 后 的 观 感 。 剪 力 墙 墙 体底 盒 预 埋 工 作一 直 以 来 都 没 有 特 别 的 重视 , 导致 在 施 工 过 程 中 , 出现 的 质...

1、当您付费下载文档后,您只拥有了使用权限,并不意味着购买了版权,文档只能用于自身使用,不得用于其他商业用途(如 [转卖]进行直接盈利或[编辑后售卖]进行间接盈利)。
2、本站所有内容均由合作方或网友上传,本站不对文档的完整性、权威性及其观点立场正确性做任何保证或承诺!文档内容仅供研究参考,付费前请自行鉴别。
3、如文档内容存在违规,或者侵犯商业秘密、侵犯著作权等,请点击“违规举报”。

碎片内容

提高剪力墙线盒安装施工质量qc成果

确认删除?
VIP
微信客服
  • 扫码咨询
会员Q群
  • 会员专属群点击这里加入QQ群
客服邮箱
回到顶部