电脑桌面
添加小米粒文库到电脑桌面
安装后可以在桌面快捷访问

标准换热器型号的表示方法VIP专享

标准换热器型号的表示方法_第1页
1/6
标准换热器型号的表示方法_第2页
2/6
标准换热器型号的表示方法_第3页
3/6
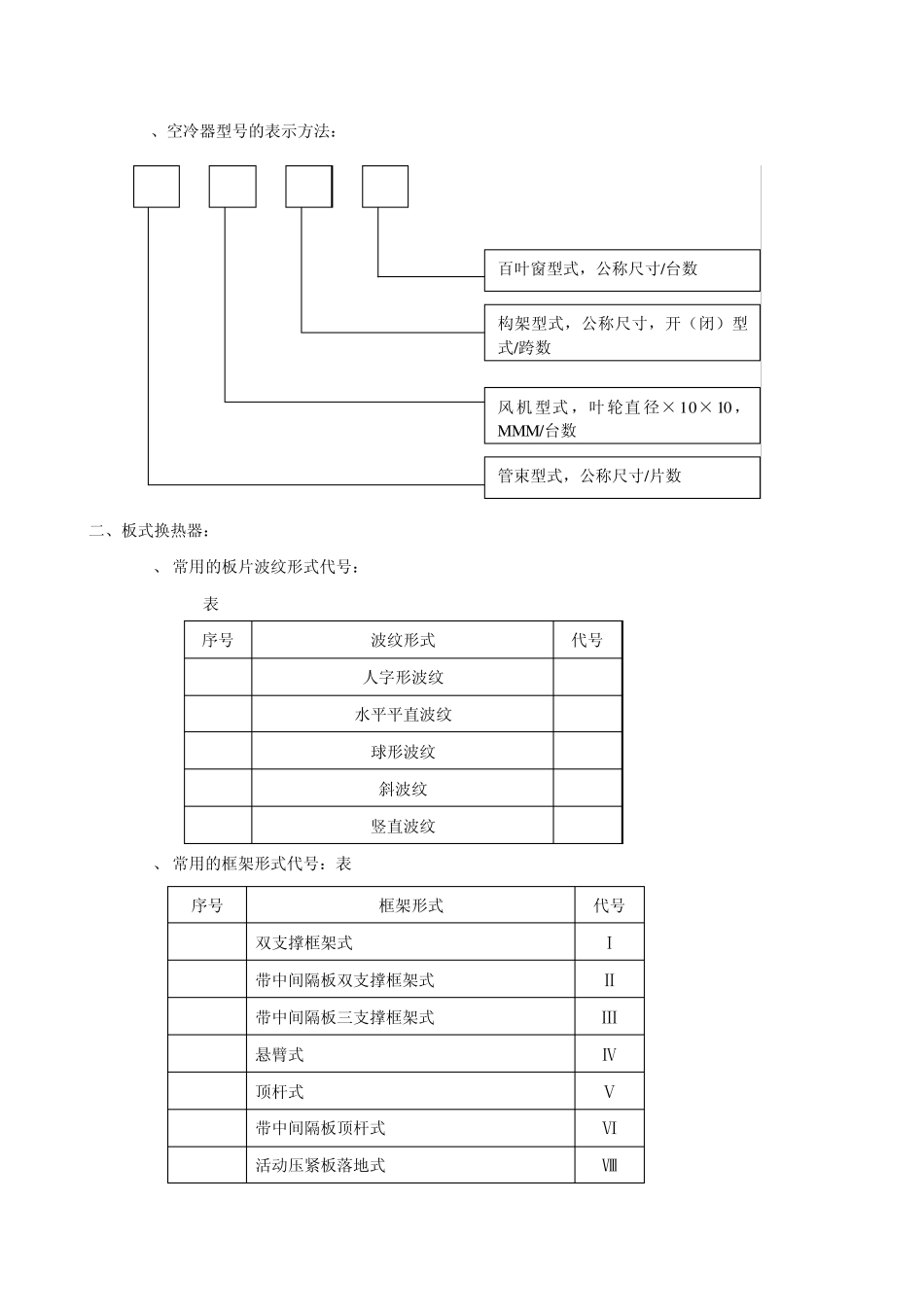
标准换热器型号的表示方法 标准换热器根据其结构形式可分为三大类:空冷式换热器、板式换热器、管式换热器 一、空冷式换热器 1、 各部结构形式 气流部分:鼓风式空冷器(水平式、斜顶式);引风式空冷器 管束型式:丝堵式管箱的管束、可卸盖板式管箱的管束、可卸帽式管箱的管束、集合管式管箱的管束; 风机传动形式:V带传动;齿轮箱减速器传动;电动机直接传动;悬挂式V带传动,电动机轴向上;悬挂式V带传动,电动机轴向下 百叶窗型式:手动调节百叶窗;自动调节百叶窗 2、 各部形式与代号 管束型式与代号: 表1 管束型式 代号 管箱型式 代号 翅片管型式 代号 鼓风式水平管束 GP 丝堵式管箱 S L型翅片管 L 斜顶管束 X 可卸盖板式管箱 K1 双L型翅片管 LL 引风式水平管束 YP 可卸帽盖式管箱 K2 滚花型翅片管 KL 集合管式管箱 J 双金属轧制翅片管 DR 镶嵌型翅片管 G 3、管束型号表示方法: 管束基管换热面积M2 管排数 管束公称尺寸:长×宽 m 管程数 翅化比/翅化管型式 设计压力 MPa,管箱型式 管束型式 4 、风机型号表示方法: 5、构架型号表示方法: 6、百叶窗型式表示方法: 叶片型式 叶轮直径×10×10m m 风量调节方式 电 动 机功风机传动方式 叶片数 通风方式 构架公称尺寸长×宽(对斜顶式构架为长×宽×斜边长)m , 开(闭)型式 风箱型式 风机直径×10m m /台数 构架型式 公称尺寸,长×宽,m 调节方式 7、空冷器型号的表示方法: 二、板式换热器: 1、 常用的板片波纹形式代号: 表2 序号 波纹形式 代号 1 人字形波纹 R 2 水平平直波纹 P 3 球形波纹 Q 4 斜波纹 X 5 竖直波纹 S 2、 常用的框架形式代号:表3 序号 框架形式 代号 1 双支撑框架式 Ⅰ 2 带中间隔板双支撑框架式 Ⅱ 3 带中间隔板三支撑框架式 Ⅲ 4 悬臂式 Ⅳ 5 顶杆式 Ⅴ 6 带中间隔板顶杆式 Ⅵ 7 活动压紧板落地式 Ⅷ 百叶窗型式,公称尺寸/台数 构架型式,公称尺寸,开(闭)型式/跨数 风机型式,叶轮直径×10×10,M M M /台数 管束型式,公称尺寸/片数 3、板式换热器型号的表示方法: 三、管式换热器: 本表示方法适用于卧式和立式换热器。 框架结构形式代号 垫片材料代号 换热器换热面积 设计压力 单板公称换热面积 板片波纹形式代号 板式换热器代号 ×××DN—PT/PS—A—LN/D—NT/NS Ⅰ (或Ⅱ) 采用碳素钢、低合...

1、当您付费下载文档后,您只拥有了使用权限,并不意味着购买了版权,文档只能用于自身使用,不得用于其他商业用途(如 [转卖]进行直接盈利或[编辑后售卖]进行间接盈利)。
2、本站所有内容均由合作方或网友上传,本站不对文档的完整性、权威性及其观点立场正确性做任何保证或承诺!文档内容仅供研究参考,付费前请自行鉴别。
3、如文档内容存在违规,或者侵犯商业秘密、侵犯著作权等,请点击“违规举报”。

碎片内容

标准换热器型号的表示方法

确认删除?
VIP
微信客服
  • 扫码咨询
会员Q群
  • 会员专属群点击这里加入QQ群
客服邮箱
回到顶部