电脑桌面
添加小米粒文库到电脑桌面
安装后可以在桌面快捷访问

高危边坡治理SNS主动防护网的工程施工方案设计

高危边坡治理SNS主动防护网的工程施工方案设计_第1页
1/22
高危边坡治理SNS主动防护网的工程施工方案设计_第2页
2/22
高危边坡治理SNS主动防护网的工程施工方案设计_第3页
3/22
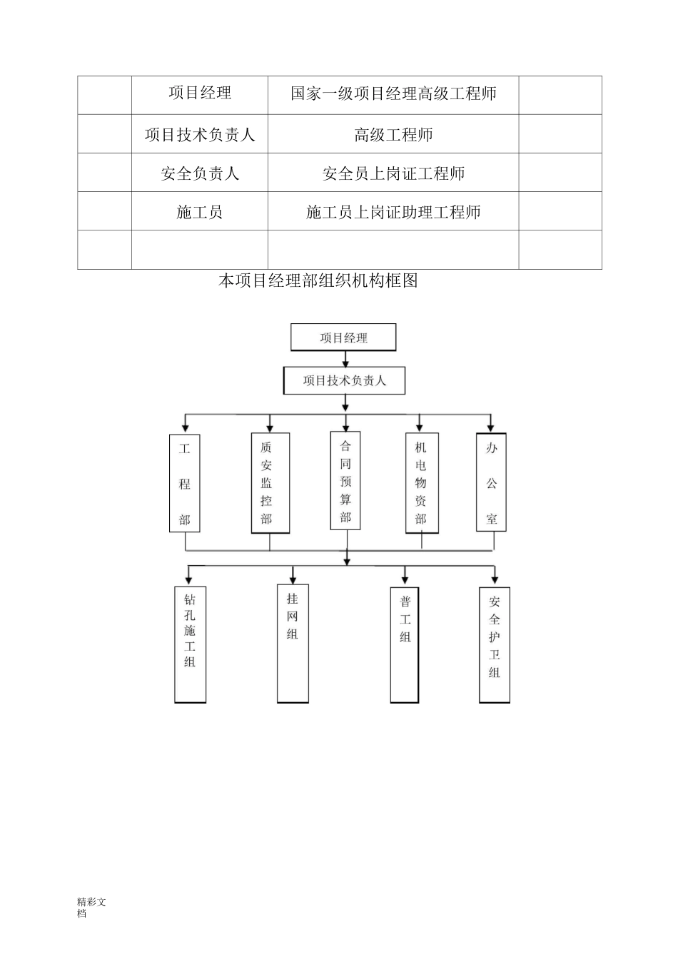
精彩文档第一章工程概况及组织措施第一节工程简介一、工程地点省道 301 府谷一店塔一级公路 N3 标项目部 K28+70—段边坡。二、灾害原因治理段公路坡面因散落风化的块石和碎石,在暴雨汇集的坡面水流冲蚀作用下或是路面行车震动下松动脱落,滚下山坡对过往车辆、人员造成威胁。第二节组织措施我单位拟对该工程按照“项目法”组织施工,实行项目管理,建立以项目经理为首的项目经理部,开展方针目标管理,对工程质量、进度、安全、文明施工、环保科学管理、成本管理等全面负责。我单位总部对项目经理部直接管理,并在人、财、物的管理上,将赋予项目部更多的自主权和配备强有力的施工力量,以利于项目部开展管理工作的独立性和主动性。一、项目组织机构在我单位总部直接领导下,本工程将由项目经理、项目技术负责人组成项目经理部,设置五个部室,即办公室、工程部、合同预算部、质安监控部、机电物资部,各职能部门由各专业技术人员组成共同组成施工管理层。施工作业层由个施工班组组成,分别为钻孔组,挂网组,普工组,安全护卫组,在项目经理部的统一管理下完成本项目的施工任务(项目组织机构图附后)。本项目经理部主要人员一览表序号I-JU/亠冈位资质(职称)人数精彩文档项目经理国家一级项目经理高级工程师项目技术负责人高级工程师安全负责人安全员上岗证工程师施工员施工员上岗证助理工程师本项目经理部组织机构框图精彩文档二、项目管理职能部门职责职能部门管理分工职责工程部技术工作在项目技术负责人的领导下,解决施工技术问题,负责编制施工方案、措施,办理技术核定单,施工图翻样,编制加工计划,收集整理技术资料,执行技术复核、负责新技术、新工艺的推广运用,参加分项工程验收。经办各种试验工作的实施与申报工作,负责各种原材料、砼、砂浆等试件的取样检验,配合比的调整,检查监督现场各分项分部工程在施工过程中是否按照设计文件和规范要求实施,作好试件统计台帐,负责坐标点、水准控制点的测设,检查监督抄平放线质量,办好测量交底及交工资料。计划统计根据工程进度要求编制下达月、周、日生产计划,编制上报月度施工产值报表,建立施工生产各项统计台帐施工根据工程进度要求组织施工生产,确保安全文明施工,负责生产平衡调度(包括劳动力、物资、设备等资源),作好施工日志,审核施工任务书,参加月度经济活动质安监控部质量工程质量检验与监督,核定分项工程质量,编制质量报表、台帐,参与方案编制,制定提高工...

1、当您付费下载文档后,您只拥有了使用权限,并不意味着购买了版权,文档只能用于自身使用,不得用于其他商业用途(如 [转卖]进行直接盈利或[编辑后售卖]进行间接盈利)。
2、本站所有内容均由合作方或网友上传,本站不对文档的完整性、权威性及其观点立场正确性做任何保证或承诺!文档内容仅供研究参考,付费前请自行鉴别。
3、如文档内容存在违规,或者侵犯商业秘密、侵犯著作权等,请点击“违规举报”。

碎片内容

高危边坡治理SNS主动防护网的工程施工方案设计

您可能关注的文档

确认删除?
VIP
微信客服
  • 扫码咨询
会员Q群
  • 会员专属群点击这里加入QQ群
客服邮箱
回到顶部