电脑桌面
添加小米粒文库到电脑桌面
安装后可以在桌面快捷访问

电动车简明教程

电动车简明教程_第1页
1/95
电动车简明教程_第2页
2/95
电动车简明教程_第3页
3/95
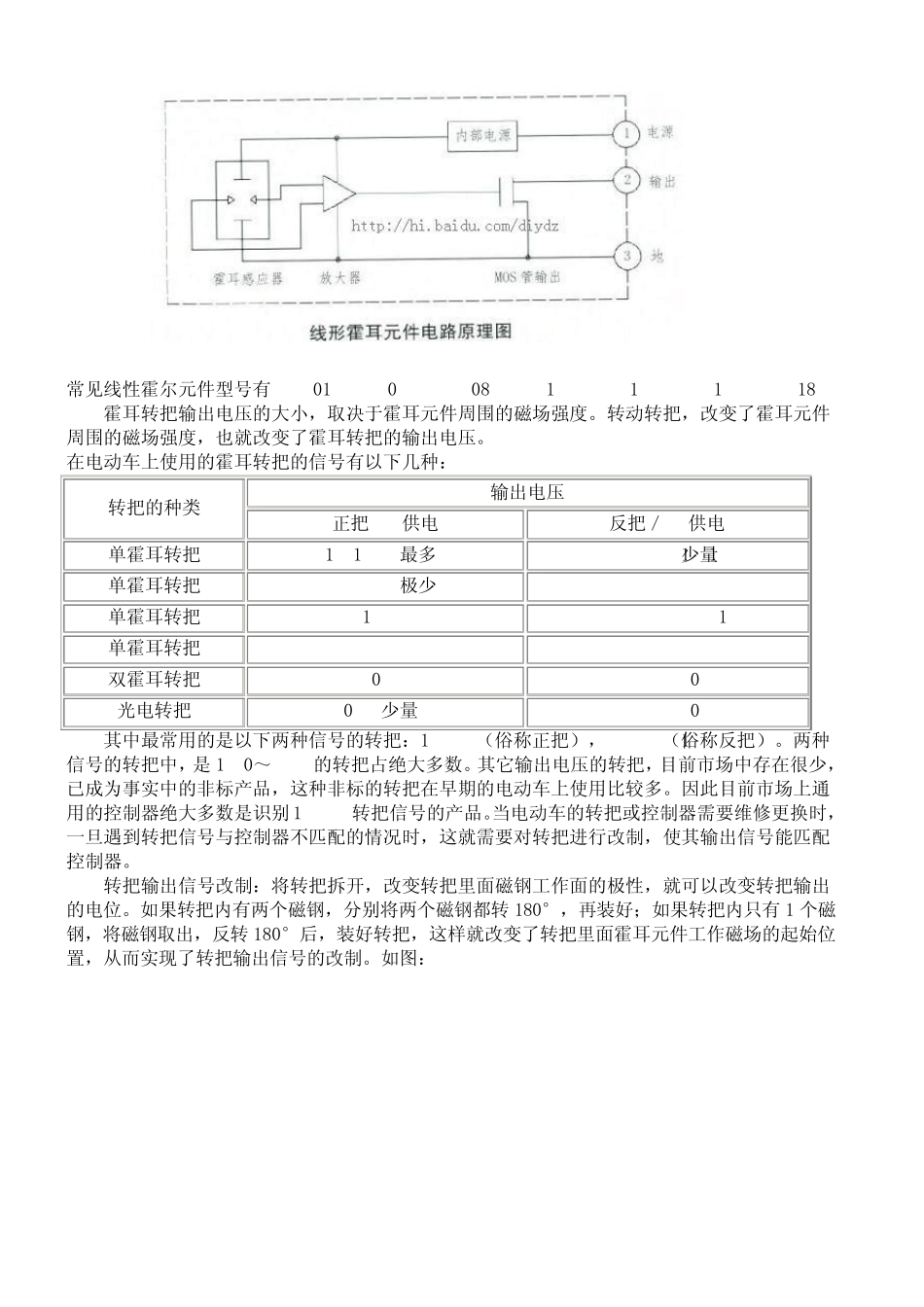
首先要了解一下电动车的整体电路组成 电动车电气原理图(无刷电机) 新增电动自行车电原理图 电动车转把,闸把的结构,信号特征及改制 1.转把的形式、信号特征及其信号改制 电动车的转把有 3根引线:分别是电源(+5V),地线,转把信号线(线形连续变化信号)。 电动车上使用的转把有光电转把和霍耳转把两种,目前采用霍耳转把的电动车占绝大多数。霍耳转把的内部电路如图: 常 见 线 性 霍 尔 元 件 型 号 有 3501 3503 3508 3515 3516 3517 3518 霍 耳 转 把 输 出 电 压 的 大 小 , 取 决 于 霍 耳 元 件 周 围 的 磁 场 强 度 。 转 动 转 把 , 改 变 了 霍 耳 元 件周 围 的 磁 场 强 度 , 也 就 改 变 了 霍 耳 转 把 的 输 出 电 压 。 在 电 动 车 上 使 用 的 霍 耳 转 把 的 信 号 有 以 下 几 种 : 转 把 的 种 类 输 出 电 压 正 把 /5V供 电 反 把 / 5V供 电 单 霍 耳 转 把 1.1-4.2(最 多 ) 4.2-1.1(少 量 ) 单 霍 耳 转 把 2.6-3.7(极 少 ) 3.7-2.6 单 霍 耳 转 把 1-2.5 2.5-1 单 霍 耳 转 把 2.5-4 4-2.5 双 霍 耳 转 把 0-5 5-0 光 电 转 把 0-5(少 量 ) 5-0 其 中 最 常 用 的 是 以 下 两 种 信 号 的 转 把 : 1-4.2V( 俗 称 正 把 ) , 4.2-1V( 俗 称 反 把 ) 。 两 种信 号 的 转 把 中 , 是 1.0V~ 4.2V的 转 把 占 绝 大 多 数 。 其 它 输 出 电 压 的 转 把 , 目 前 市 场 中 存 在 很 少 ,已 成 为 事 实 中 的 非 标 产 品 , 这 种 非 标 的 转 把 在 早 期 的 电 动 车 上 使 用 比 较 多 。 因 此 目 前 市 场 上 通用 的 控 制 器 绝 大 多 数 是 识 别 1-4.2V转 把 信 号 的 产 品 。当 电 动 车 的 转 把 或 控 制 器 需 要 维 修 更 换 时 ,一 旦 遇 到 转 把 信 号 与 控 制 器 不 匹 配 的 情 况 时 , 这 就 需 要 对 转 把 进 行 改 制 , 使 其 输 出 信 号 能 匹 配控 制 器 。 转 把 输 出 信 号 改 制 : 将 转 把 拆 开 , 改 变 转 把 里面磁 钢工作面的 极 性 , ...

1、当您付费下载文档后,您只拥有了使用权限,并不意味着购买了版权,文档只能用于自身使用,不得用于其他商业用途(如 [转卖]进行直接盈利或[编辑后售卖]进行间接盈利)。
2、本站所有内容均由合作方或网友上传,本站不对文档的完整性、权威性及其观点立场正确性做任何保证或承诺!文档内容仅供研究参考,付费前请自行鉴别。
3、如文档内容存在违规,或者侵犯商业秘密、侵犯著作权等,请点击“违规举报”。

碎片内容

电动车简明教程

您可能关注的文档

确认删除?
VIP
微信客服
  • 扫码咨询
会员Q群
  • 会员专属群点击这里加入QQ群
客服邮箱
回到顶部