电脑桌面
添加小米粒文库到电脑桌面
安装后可以在桌面快捷访问

第6章__气动马达及使用与维修

第6章__气动马达及使用与维修_第1页
1/7
第6章__气动马达及使用与维修_第2页
2/7
第6章__气动马达及使用与维修_第3页
3/7
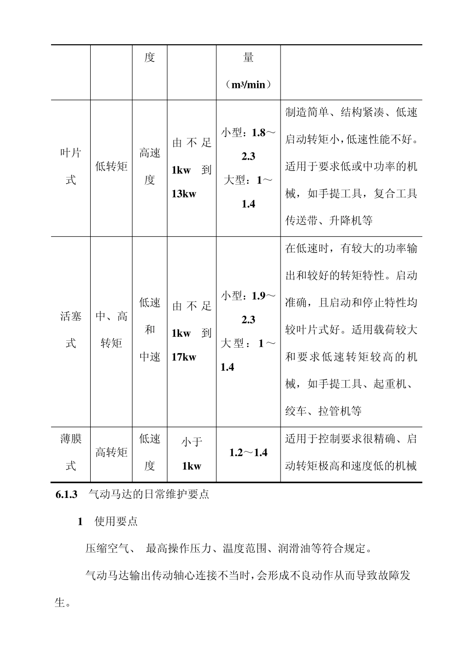
第6章 气动马达及使用与维修 6.1 气动马达及使用与维修概述 6.1.1 气动马达的分类及特点 常用气动马达有叶片式、活塞式、薄膜式、齿轮式等类型。 气动马达和电动机相比,有如下特点。 1)工作安全。适用于恶劣的工作环境,在易燃、高温、振动、潮湿、粉尘等不利条件下都能正常工作。 2)有过载保护作用,不会因过载而发生烧毁。过载时气马达只会降低速度或停车,当负载减小时即能重新正常运转。 3)能够顺利实现正反转。能快速启动和停止。 4)满载连续运转,其温升较小。 5) 功率范围及转速范围较宽。气马达功率小到几百瓦,大到几万瓦。转速可以从零到 25000r/min 或更高。 6)单位功率尺寸小,重量轻,且操纵方便,维修简单。 但气马达目前还存在速度稳定性较差、耗气量大、效率低、噪声大和易产生振动等不足。 6.1.2 常用气动马达的特点及应用范围 常用气马达的特点及应用如表 6-1 所示。 表 6-1 常用气马达的特点及应用 类 型 转 矩 速 功 率 每千瓦耗气 特点及应用范围 度 量 (m3/min) 叶片式 低转矩 高速度 由不足1kw到13kw 小型:1.8~2.3 大型:1~1.4 制造简单、结构紧凑、低速启动转矩小,低速性能不好。适用于要求低或中功率的机械,如手提工具,复合工具传送带、升降机等 活塞式 中、高转矩 低速和 中速 由不足1kw到17kw 小型:1.9~2.3 大型:1~1.4 在低速时,有较大的功率输出和较好的转矩特性。启动准确,且启动和停止特性均较叶片式好。适用载荷较大和要求低速转矩较高的机械,如手提工具、起重机、绞车、拉管机等 薄膜式 高转矩 低速度 小于1kw 1.2~1.4 适用于控制要求很精确、启动转矩极高和速度低的机械 6.1.3 气动马达的日常维护要点 1 使用要点 压缩空气、 最高操作压力、温度范围、润滑油等符合规定。 气动马达输出传动轴心连接不当时,会形成不良动作从而导致故障发生。 发现马达故障时,立即停止使用,并由专业人员进行检查、调整、维修。 空气供应来源要充足,以免造成转速忽快忽慢。 在使用气动马达时,必须在马达进气口前联接三联件或二联件以确保气源的干净和对马达的润滑(无油自润滑型马达除外)。 2 配管注意事项 气动马达之主要故障原因,是由于灰尘、杂质等异物进入气室造成,所以配管前必须先用压缩空气或其它方式将管内残留异物清除。检验方法有:在将气管连接到气动马达之前请接通气源,然后将气管出气这头对住一张白纸,如果...

1、当您付费下载文档后,您只拥有了使用权限,并不意味着购买了版权,文档只能用于自身使用,不得用于其他商业用途(如 [转卖]进行直接盈利或[编辑后售卖]进行间接盈利)。
2、本站所有内容均由合作方或网友上传,本站不对文档的完整性、权威性及其观点立场正确性做任何保证或承诺!文档内容仅供研究参考,付费前请自行鉴别。
3、如文档内容存在违规,或者侵犯商业秘密、侵犯著作权等,请点击“违规举报”。

碎片内容

第6章__气动马达及使用与维修

小辰2+ 关注
实名认证
内容提供者

出售各种资料和文档

确认删除?
VIP
微信客服
  • 扫码咨询
会员Q群
  • 会员专属群点击这里加入QQ群
客服邮箱
回到顶部