电脑桌面
添加小米粒文库到电脑桌面
安装后可以在桌面快捷访问

港口能耗统计

港口能耗统计_第1页
1/3
港口能耗统计_第2页
2/3
港口能耗统计_第3页
3/3
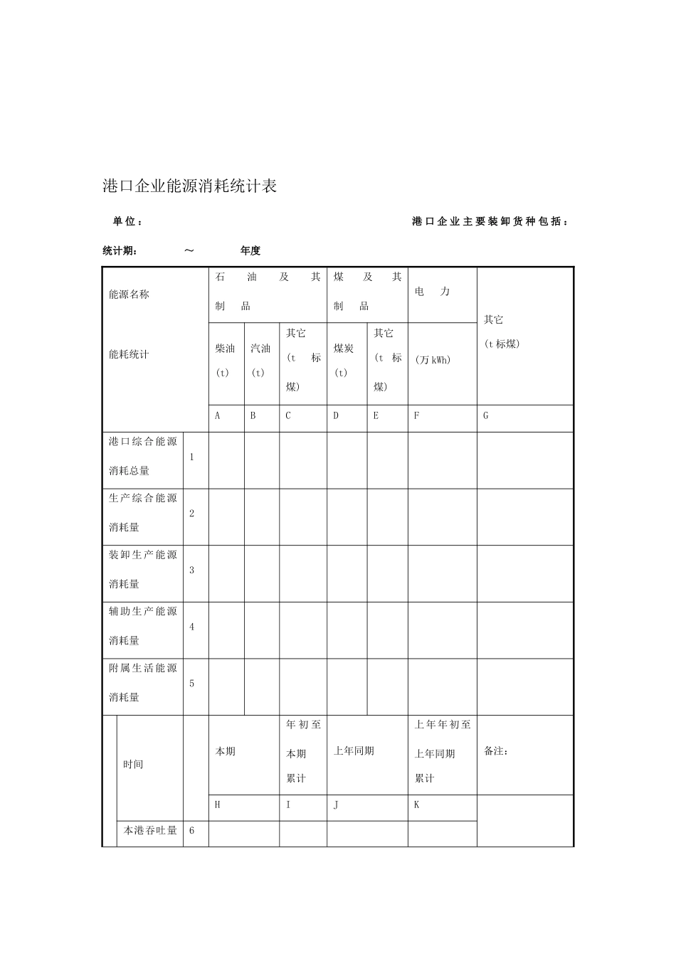
关于做好港口企业能耗统计工作的通知目的:1、了解港口企业能源消耗的变化趋势,及时掌握港口节能降耗工作的进展情况。 2、掌握影响能源消耗的关键因素,分析能耗变化的原因。3、针对具体现状,及时实行节能降耗政策措施。对象:集团分公司、全资子公司方式:月度报表,其中内港港务公司报送《港口企业主要能源消耗表》,其它公司报送《典型货类码头单位主要能源消耗表》 附件:1、《港口企业主要能源消耗表》2、《典型货类码头单位主要能源消耗表》港口企业能源消耗统计表单 位 : 港 口 企 业 主 要 装 卸 货 种 包 括 : 统计期: ~ 年度 能源名称能耗统计石 油 及 其 制 品煤 及 其 制 品电 力其它(t 标煤)柴油(t)汽油(t)其它(t标煤)煤炭(t)其它(t 标煤)(万 kWh)ABCDEFG港口综合能源消耗总量1生产综合能源消耗量2装卸生产能源消耗量3辅助生产能源消耗量4附属生活能源消耗量5时间本期年 初 至本期累计上年同期上年年初至上年同期累计备注:HIJK本港吞吐量6(万 t)主营业务收入(万元)7能 源 费 用(万元)8能源费用占营运成本比例(%)9负责人: 填表人: 联系电话: 报出日期: 年 月 日说明:1、1=2+5 2=3+4

1、当您付费下载文档后,您只拥有了使用权限,并不意味着购买了版权,文档只能用于自身使用,不得用于其他商业用途(如 [转卖]进行直接盈利或[编辑后售卖]进行间接盈利)。
2、本站所有内容均由合作方或网友上传,本站不对文档的完整性、权威性及其观点立场正确性做任何保证或承诺!文档内容仅供研究参考,付费前请自行鉴别。
3、如文档内容存在违规,或者侵犯商业秘密、侵犯著作权等,请点击“违规举报”。

碎片内容

港口能耗统计

确认删除?
VIP
微信客服
  • 扫码咨询
会员Q群
  • 会员专属群点击这里加入QQ群
客服邮箱
回到顶部