电脑桌面
添加小米粒文库到电脑桌面
安装后可以在桌面快捷访问

盾构始发、到达突发涌水、涌沙事故专项应急预案

盾构始发、到达突发涌水、涌沙事故专项应急预案_第1页
1/9
盾构始发、到达突发涌水、涌沙事故专项应急预案_第2页
2/9
盾构始发、到达突发涌水、涌沙事故专项应急预案_第3页
3/9
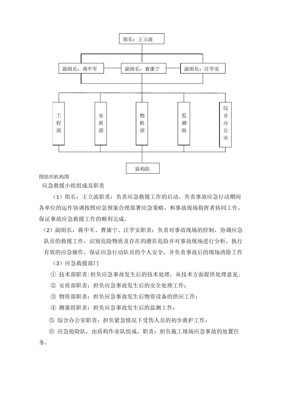
盾构始发、到达突发涌水、涌沙事故专项应急预案1 事故类型和危害程度分析事故类型盾构始发、到达突发涌水、涌沙事故是指在在盾构机始发、到达时,洞门破除阶段出现涌水、涌沙情况。危害程度分析盾构机始发、到达洞门时出现涌水、涌沙情况,严重时导致地面坍塌,更甚者导致机械设备损坏、人员伤亡。2 应急处置基本原则快速反应原则:事故处置要坚持一个“快”字,做到反应快、报道快、处置快。事故单位必须在第一时间向项目部办公室或项目部领导直接报告。先期处置原则:一旦发生事故,应立即启动先期处置应急预案,迅速采取有效措施,尽可能的控制事态发展,以减少人员伤亡和财产损失。统一指挥原则:发生重、特大事故后,由应急指挥部全面负责内部的统一指挥、统一调度,并配合、服从上级有关部门对重、特大事故的统一指挥,保证处置工作的统一、高效。协调作战原则:项目部各部门在应急指挥部的统一领导指挥下,按照各自职责,密切协作,相互配合,共同做好事故的应急处置和抢救救援工作。3 组织机构及职责应急反应组织管理机构以应急救援领导小组为基础,成立应急反应指挥部,下设应急处理工作小组,有各部门组成的应急处理技术组、应急处理监测组、应急处理物资设备组、应急处理保卫组,并组建抢险突击队、义务消防队和医疗救护队等。图组织机构图应急救援小组组成及职责(1)组长:王立波职责:负责应急救援工作的启动。负责事故应急行动期间各单位的运作协调按照应急预案合理部署应急策略,和事故现场指挥者协同工作,保证事故应急救援工作的顺利完成。(2)副组长:蒋中军、曹康宁、汪学安职责:负责对事故现场的控制,协调应急队员的救援工作,识别危险物质及存在的潜在危险并对事故现场进行分析,执行有效的应急操作,保证应急行动队员的个人安全,并负责事故后的现场清除工作(3)应急救援部门① 技术部职责:担负应急事故发生后的技术处理,从技术方面提供处理意见;② 安质部职责:担负应急事故发生后的安全处理工作;③ 物资部职责:担负应急事故发生后物资设备的供应工作;④ 测量组职责:担负应急事故发生后的监测工作;⑤ 综合办公室职责:担负紧急情况下受伤人员的初步救护工作;⑥ 应急抢险队,由盾构作业队组成,职责:担负施工现场应急事故的处置任务。4 预防与预警危险源监控建立健全的工程项目重大危险源信息监控方法与程序,提前做好洞门的预加固,在盾构始发、到达洞门,混凝土凿除、钢筋割除时及时监控洞门涌水、...

1、当您付费下载文档后,您只拥有了使用权限,并不意味着购买了版权,文档只能用于自身使用,不得用于其他商业用途(如 [转卖]进行直接盈利或[编辑后售卖]进行间接盈利)。
2、本站所有内容均由合作方或网友上传,本站不对文档的完整性、权威性及其观点立场正确性做任何保证或承诺!文档内容仅供研究参考,付费前请自行鉴别。
3、如文档内容存在违规,或者侵犯商业秘密、侵犯著作权等,请点击“违规举报”。

碎片内容

盾构始发、到达突发涌水、涌沙事故专项应急预案

您可能关注的文档

确认删除?
VIP
微信客服
  • 扫码咨询
会员Q群
  • 会员专属群点击这里加入QQ群
客服邮箱
回到顶部