电脑桌面
添加小米粒文库到电脑桌面
安装后可以在桌面快捷访问

桥梁工程施工组织设计42024

桥梁工程施工组织设计42024_第1页
1/43
桥梁工程施工组织设计42024_第2页
2/43
桥梁工程施工组织设计42024_第3页
3/43
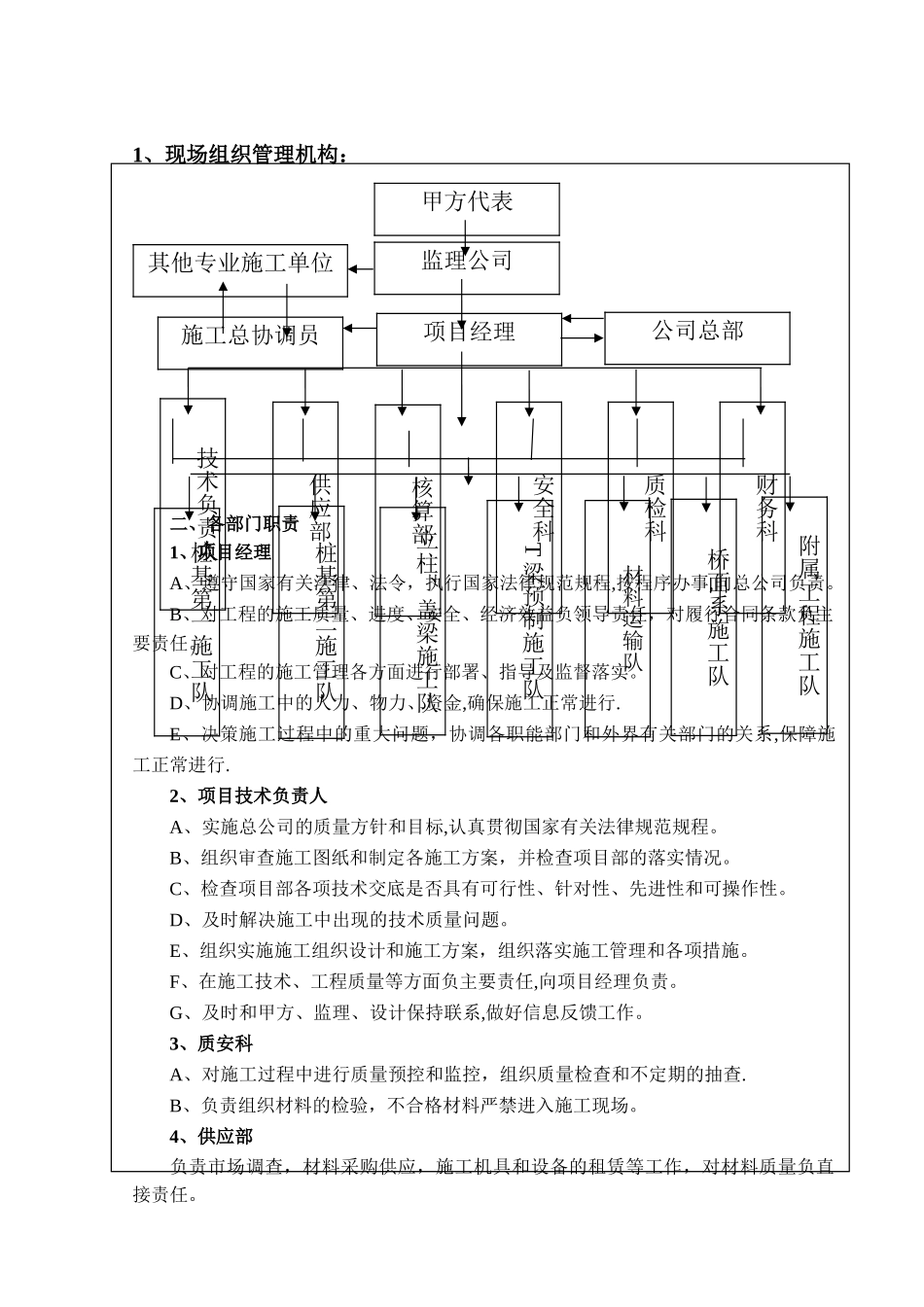
施工组织设计一、编制说明二、项目管理机构配备情况三、施工准备及资源配备计划四、施工总平面布置及临时用地五、主要工程项目的施工方案、方法与技术措施六、雨季、高温季节的施工措施七、管线保护措施八、施工进度计划及工期保证措施九、工程质量管理体系及保证措施十、安全生产管理体系及保证措施十一、环境保护、水土保持保证体系及保证措施十二、文明施工、文物保护体系及保证措施十三、项目风险预测与防范,事故应急预案十四、其他应说明的事项2、附表:(1)拟投入本工程的主要施工设备表;(2)拟配备本工程的试验和检测仪器设备表;(3)劳动力计划表;(4)计划开、竣工日期和施工进度网络图;(5)施工总平面图;(6)临时用地表。3、项目管理机构:(1)项目管理机构组成表;(2)项目经理简历表;(3)项目技术负责人简历表;(4)其他主要项目管理人员简历表;(5)项目管理机构配备情况辅助说明资料。第一章 编制说明1.1 工程概况1、工程名称:靖西市化峒镇现代高标化柑橘园进办道路等三个项目(同德乡罗果桥)2、建设地点:同德乡罗果桥3、工程工期:90 日历天4、质量要求:工程交工验收的质量评定合格;竣工验收的质量评定合格。5、安全文明:确保达到安全、文明施工场地要求6、承包方式:本工程绝不转包7、项目概况:靖西市化峒镇现代高标化柑橘园进办道路等三个项目(同德乡罗果桥),设置一座桥梁 37 米,(一)混凝土标号:行车道板采纳 C30 混凝土、桥墩身采纳C30 混凝土,桥台基础采纳 WC20 片石混凝土、扩大基础采纳 C25 混凝土,铰缝用 C30 小石予混凝土,盖梁、台帽用 C30 混凝土,桥面铺装用 C40 防水混凝土.(二)钢筋:直径≧12mm,采纳Ⅱ级钢筋。直径‹12mm 者,采纳Ⅰ级钢筋。(三)支座:采纳板式氯丁橡胶支座,规格为 Ф200×35mm。1.2 编制依据1.靖西市化峒镇现代高标化柑橘园进办道路等三个项目(同德乡罗果桥)招标文件;2.2024 年《广西省建设工程工程量清单计价法律规范》及现行有关法律规范、规程和文件;3.我单位现场调查的有关资料;4.我单位现有的施工技术力量、机械设备和历年来工程建设经验。5.本着“质量第一、安全第一、确保工期、造福一方”的原则。1.3 编制原则1.严格遵守《招标文件》规定的技术法律规范、计划工期条款要求,严格执行建设部现行的施工技术法律规范检验评定标准。2.严格遵守《招标文件》规定的工期,有效集中施工力量,按期完工、按期交付,使建设单位尽快发挥经济效...

1、当您付费下载文档后,您只拥有了使用权限,并不意味着购买了版权,文档只能用于自身使用,不得用于其他商业用途(如 [转卖]进行直接盈利或[编辑后售卖]进行间接盈利)。
2、本站所有内容均由合作方或网友上传,本站不对文档的完整性、权威性及其观点立场正确性做任何保证或承诺!文档内容仅供研究参考,付费前请自行鉴别。
3、如文档内容存在违规,或者侵犯商业秘密、侵犯著作权等,请点击“违规举报”。

碎片内容

桥梁工程施工组织设计42024

您可能关注的文档

确认删除?
VIP
微信客服
  • 扫码咨询
会员Q群
  • 会员专属群点击这里加入QQ群
客服邮箱
回到顶部