电脑桌面
添加小米粒文库到电脑桌面
安装后可以在桌面快捷访问

绩效考核制度123

绩效考核制度123_第1页
1/9
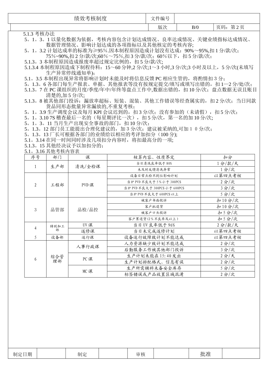
绩效考核制度123_第2页
2/9
绩效考核制度123_第3页
3/9
绩效考核制度文件编号版次B/0页码:第 1 页1、目的 为加强部门,线组和员工的工作积极性,提高工作效率,使生产计划能保质保量按时的完成2、适用范围: 适用于公司部门级、线组长级、员工级的考核3、职责 3.1 部门绩效的考核,由 PC 课绩效考核员根据收集的客观数据为依据进行考评; 3.2 线组长绩效的考核,由 PC 课绩效考核员及各部门直属上司综合考评; 3.3 员工绩效的考核,由各级管理人员负责对直接下属的考评; 3。4 各部门主管对本部门的考评结果负责,人事行政课负责组织对各部门员工绩效最差三名员工进行面谈; 3.5 厂长对考核结果进行审核,并对整个公司的考评结果负责,并具有最终考评权;4、定义 常规的定义为:绩效是行为.准确的说:绩效是行为的同义词;它是人们实际的行为表现并能观察到;就定义而言,它只包括与组织目标有关的行动或行为,能够用团队或个人的熟练程度(即贡献水平)来定等级(测量)。5、工作程序 5.1 部门绩效考核办法5.1。1 由公司每月分配部分资金作为各部门的绩效考核奖金,并可分配到各课级分别考核;5。1.2 核算办法5.1.2。1 当月基金=基本额+部门人数×5 元/人;当月绩效奖金=基金/基础分×当月考核最终得分 5。1。2.2 各部课的基本额及基础分核定表序号部/课基本额基础分序号部/课基本额基础分序号部/课基本额基础分序号部/课基本额基础分⑴7 栋生产部500100⑸7 栋 PVD 课1000100⑼人事行政课20025⒀返修课20060⑵1 栋生产部500100⑹1 栋 PVD 课1000100⑽PC 课20045⒁ ⑶7 栋检包500100⑺品管20050⑾MC 课20030⒂ ⑷1 栋检包500100⑻运行课300100⑿UV 课50040⒃ 5。1.2.3 部门人数以每月 1 日的在职人数进行更新核算; 5。1。2。4 当月绩效奖金下限为 0,上限不能超过当月基金的 120%; 5.1。2。5 考核最终得分=基础分±当月加/扣分; 若最终得分为零或是负分,则当月绩效奖金为零,且负分的 10%纳入下月的绩效考核之中累扣; 若最终得分大于零且小于基础分,则以上述 5。1。2。1 核算;若最终得分超过基础分,则超额分数以每分 5 元核算,且同上述第 5.1。2。4 点;超额分数不继续累计下月核算;5.1.2.6 奖金的发放根据公司当月效益进行考量发放,前提为:当月效益与目标效益比值Z≥80%;Z=X/Y(X=当月交付总标准量,Y=目标交付标准量);5.1.2。7 2024 年 6 月至 9 月交付标准量统计表,并以此作为当前目标值的一个考量基准:项目6 月份7 ...

1、当您付费下载文档后,您只拥有了使用权限,并不意味着购买了版权,文档只能用于自身使用,不得用于其他商业用途(如 [转卖]进行直接盈利或[编辑后售卖]进行间接盈利)。
2、本站所有内容均由合作方或网友上传,本站不对文档的完整性、权威性及其观点立场正确性做任何保证或承诺!文档内容仅供研究参考,付费前请自行鉴别。
3、如文档内容存在违规,或者侵犯商业秘密、侵犯著作权等,请点击“违规举报”。

碎片内容

绩效考核制度123

您可能关注的文档

不二商店+ 关注
实名认证
内容提供者

我是你的不二选择

确认删除?
VIP
微信客服
  • 扫码咨询
会员Q群
  • 会员专属群点击这里加入QQ群
客服邮箱
回到顶部