电脑桌面
添加小米粒文库到电脑桌面
安装后可以在桌面快捷访问

收发球筒计算书

收发球筒计算书_第1页
1/9
收发球筒计算书_第2页
2/9
收发球筒计算书_第3页
3/9
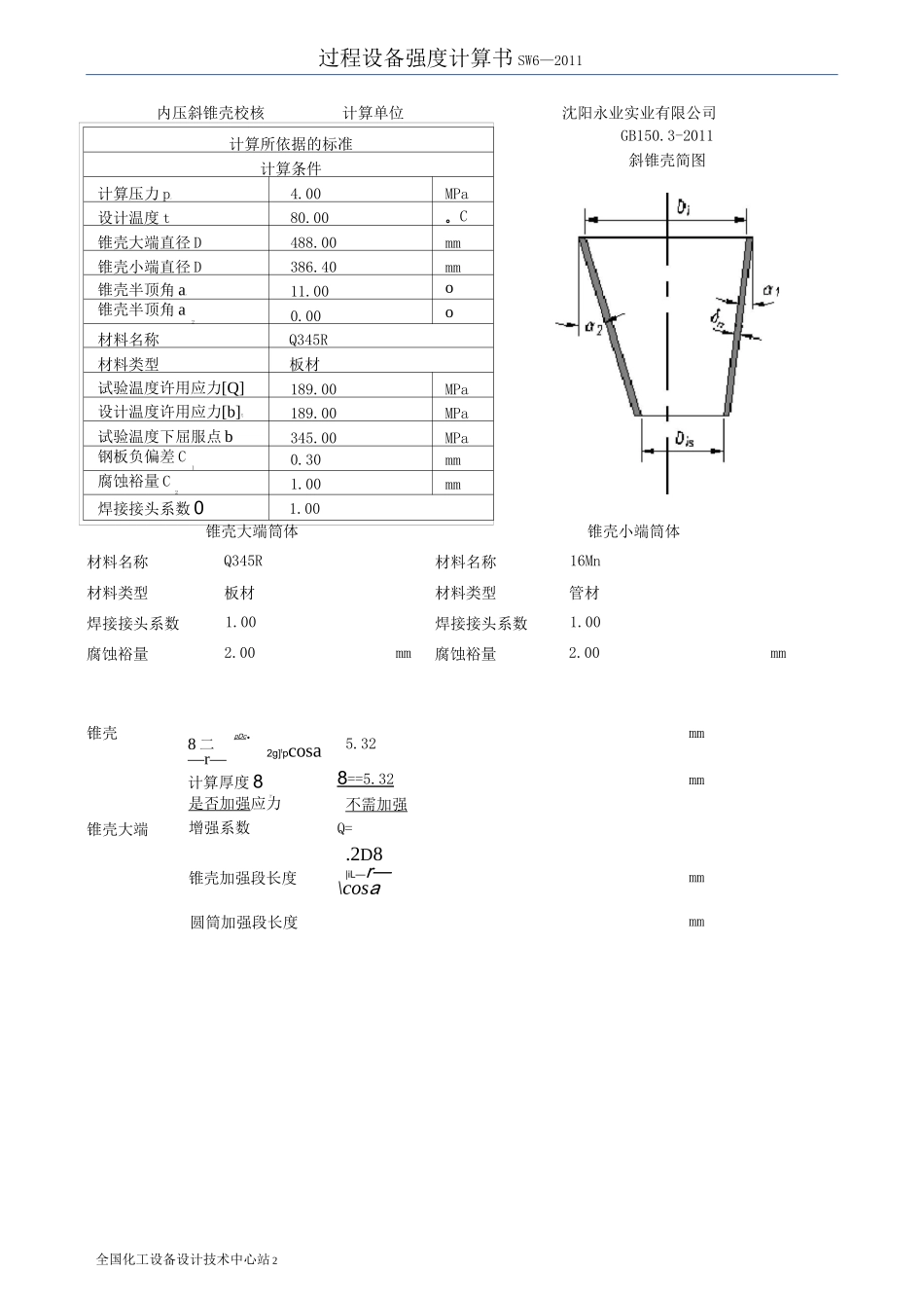
全国化工设备设计技术中心站 0软件批准号:CSBTS/TC40/SC5-D01-1999DATASHEETOFPROCESSEQUIPMENTDESIGN工程名:PROJECT设备位号:ITEM设备名称:收发球筒 DN500/DN400/PN40EQUIPMENT图号:QT13-48-00DWGNO。设计单位:沈阳永业实业有限公司 DESIGNER设计Designedby日期Date校核Checkedby日期Date审核Verifiedby日期Date批准Approvedby日期Date过程设备强度计算书 SW6—2011全国化工设备设计技术中心站 1内压圆筒校核计算单位沈阳永业实业有限公司计算所依据的标准GB150.3—2011计卜算条件筒体简图计算压力 P4.00MPaDo设计温度 t80.00。C3外径 D508.00mmo材料Q345R(板材)试验温度许用应力[Q]189.00MPaJ设计温度许用应力[b]t189.00MPa试验温度下屈服点 b345.00MPa钢板负偏差 c0.30mm腐蚀裕量 c'2.00mm2焊接接头系数 01.00厚度及重量计算计算厚度PDo§—2[o]帥+P—5.32cmm有效厚度5—5—C—C—7.70mm名义厚度5—10.00mm重量245.62Kg压力试验时应力校核压力试验类型液压试验试验压力值P—1.25P 皿—6.0000(或由用户输入)T[b]tMPa压力试验允许通过的应力水平[b]T[b]<0.90b—310.50」TsMPa试验压力下圆筒的应力b—pT・(Do_5e)—194.92T250MPa校核条件bT<[b]T校核结果合格压力及应力计算取大允许工作压力25[b]t0[Pw]——5・81771oeMPa设计温度下计算应力P(D—5)bt—^25~—129.95eMPa[b]4189.00MPa校核条件[b]t02bt结论合格过程设备强度计算书 SW6—2011全国化工设备设计技术中心站 2内压斜锥壳校核计算单位计算所依据的标准计算条件计算压力 pc4.00MPa设计温度 t80.00。C锥壳大端直径 D488.00mm锥壳小端直径 D386.40mm锥壳半顶角 a.11.00o锥壳半顶角 a20.00o材料名称Q345R材料类型板材试验温度许用应力[Q]189.00MPa设计温度许用应力[b]t189.00MPa试验温度下屈服点 b345.00MPa钢板负偏差 C10.30mm腐蚀裕量 C21.00mm焊接接头系数 01.00材料名称材料类型焊接接头系数腐蚀裕量锥壳锥壳大端锥壳大端筒体Q345R板材1.002.00mm材料名称材料类型焊接接头系数腐蚀裕量沈阳永业实业有限公司GB150.3-2011斜锥壳简图锥壳小端筒体16Mn管材1.002.00mmpDc.2g]tpcosa8 二—r—计算厚度 8r是否加强应力增强系数锥壳加强段长度5.328 ==5.32 不需加强Q=.2D8|iL—r—\cosammmmmm圆筒加强段长度mm过程设备强度计算书 SW6-2011全国化工设备设计技术中心站 3锥壳小端计算厚度 8r8=Q8=5.68mm是否加强需要加强应力增强系数Q=1.32锥壳加强段...

1、当您付费下载文档后,您只拥有了使用权限,并不意味着购买了版权,文档只能用于自身使用,不得用于其他商业用途(如 [转卖]进行直接盈利或[编辑后售卖]进行间接盈利)。
2、本站所有内容均由合作方或网友上传,本站不对文档的完整性、权威性及其观点立场正确性做任何保证或承诺!文档内容仅供研究参考,付费前请自行鉴别。
3、如文档内容存在违规,或者侵犯商业秘密、侵犯著作权等,请点击“违规举报”。

碎片内容

收发球筒计算书

您可能关注的文档

wxg+ 关注
实名认证
内容提供者

该用户很懒,什么也没介绍

相关文档

相关标签

确认删除?
VIP
微信客服
  • 扫码咨询
会员Q群
  • 会员专属群点击这里加入QQ群
客服邮箱
回到顶部