电脑桌面
添加小米粒文库到电脑桌面
安装后可以在桌面快捷访问

无尘车间洁净度标准

无尘车间洁净度标准_第1页
1/10
无尘车间洁净度标准_第2页
2/10
无尘车间洁净度标准_第3页
3/10
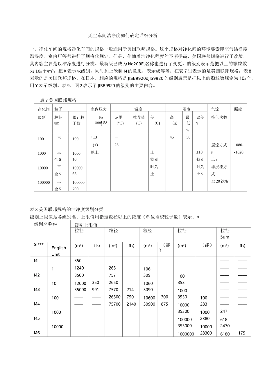
无尘车间洁净度如何确定详细分析一、净化车间的规格净化车间的规格一般适用于美国联邦规格。这个规格对净化间的环境要素即空气洁净度、温湿度、室内压等都进行了规格化规定。但是,伴随着洁净化程度的不断提高,美国联邦规格进行了改版,其内容主要是以洁净度进行分类。最新版已成为 No209E,名称也进行了变更。的级别表示是把以上的颗粒数为 10x个/m3,把 X 表示成级别,同时加上米制 M 的意思,表示成等等。在表 7 里表示的是美国联邦规格,表 8表示的是美国联邦规格。在日本,相应的规格是 JISB9920oJIS9920 的级别表示是把以上的颗粒数规定为 10X个,用 Y 表示级别。表 9、图 2 表示了 JISB9920 的级别的主要内容。表 7 美国联邦规格净化间粒子室内压力温度湿度气流照度级别粒径累计粒Pa范围推荐值差高最误差换气次数um子数mmHO2(°C)(C)(C)(%)低%%100三100+13一4530(+)25层流方式1080-1000三1000以上土±10s-1620全 510特别特别土 s10000三10000时为时为非层流方全 565土土 5式100000三100000全 20 次/h全 5700表 8,美国联邦规格的洁净度级别分类级别上限值是各级别名。上限值用指定粒径以上的浓度(单位堆积粒子数)表示。*级别名称**级别上限值粒径粒径粒径粒径粒径5umSI***EnglishUnit(m3)ft3)(m3)ft3)(m3)(能)(m3)(能)(m3)ft3)MI350————11240265106————M23500757309100————101200035026501060353————M335000991757021430901000————100————26500750106003003530100————M4————7570021403090087510000283————1000353001000247M5100000238061810000353000100002470M61000000283006180175100000353000010000024700700M7283000618001750*上表中表示的级别上限值仅仅是为了级别分类而定义的,并不表示实际的粒径分布值。**针对中间级别的浓度上限值,用如下的公式进行计算。粒子直径/m3=10Md),其中,M:SI 单位里的级别名称,D:粒径(um)***国际单位(SystemeInternationald'Unites 的缩写)图 1,209E 的洁净度级别(图略)图中的•标记表示评价洁净度级别用的对象粒子。()内数值是用 Englishunit表示级别。图 2,JISB9920 的洁净度级别的上限浓度表 9,JISB9920 主要内容净化间级别标准粒径(um)累计粒子数(个/m3)11012102310341045105610671078108表 10,美国航空宇宙局规格主要内容生物粒子生物粒子室内温度湿气流照度净化间级别粒径um累计粒子数个/ft...

1、当您付费下载文档后,您只拥有了使用权限,并不意味着购买了版权,文档只能用于自身使用,不得用于其他商业用途(如 [转卖]进行直接盈利或[编辑后售卖]进行间接盈利)。
2、本站所有内容均由合作方或网友上传,本站不对文档的完整性、权威性及其观点立场正确性做任何保证或承诺!文档内容仅供研究参考,付费前请自行鉴别。
3、如文档内容存在违规,或者侵犯商业秘密、侵犯著作权等,请点击“违规举报”。

碎片内容

无尘车间洁净度标准

确认删除?
VIP
微信客服
  • 扫码咨询
会员Q群
  • 会员专属群点击这里加入QQ群
客服邮箱
回到顶部