电脑桌面
添加小米粒文库到电脑桌面
安装后可以在桌面快捷访问

售后机管理办法VIP专享VIP免费

售后机管理办法_第1页
1/3
售后机管理办法_第2页
2/3
售后机管理办法_第3页
3/3
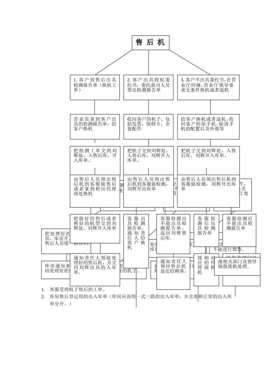
售后机管理办法1.1.制定目的为加强售后机的管理,特制定本办法。1.2.适用范围本公司商品销售之后,所产生的售后问题的手机。1.3.权责单位1)售后服务部门负责本办法制定、修改、废止之起草工作。2)主管总经理负责审核本办法。2.售后服务规定2.1.售后服务种类1)退货服务在本公司商品销售后,经该品牌售后服务部门出具检测报告证实为产品质量问题,且无法维修,客户本人要求退货的。2)换货服务在本公司产品售后,经该品牌售后服务部门出具检测报告证实为质量问题,客户本人要求换货的。3)售前换货销售人员从公司领取手机后在销售前发现手机存在质量问题,填写换货单,经部门主管审核,主管总经理签字后,库管予以调换。2.2.售后服务流程第一步:出现售后,先让顾客到客服出检测报告(换机工单);第二步:拿到客服出具的检测报告(换机工单)给顾客换机(换机一般只换机头,不包括后壳和手写笔);注:最好让顾客把客服封好的机头加换机工单一起拿出来,这样可以节省换机的时间。第三步:售后机全套加换机工单一起交到库房库管处。第四步:由库管开入库(售后库)单,交回人签字,库管和交回人各留存一联。第五步:由负责售后人员从库管处领出售后机到客服做售后处理,库房应该出具出库单,负责售后的人员签字,并各留存一份。第六步:售后机处理好以后交回库房,库房出具入库单,负责售后的人签字,并各留存一份。第七步:库管从售后库中把处理好的手机在调入总库,然后做正常销售。2.3受理要求1)除保修卡,机头以外,其他配件必须完整无缺;2)手机外包装没有明显破损,无乱画乱写,能够保证二次销售;库管必须对入售后库的手机严格检验,机头有划伤,或者有明显人为损坏的,库房不予接收。3)如果遇到特殊情况没有检测报告的,可以把机子带回公司由负责处理售后的人员去客服代出检测报告。4)客户不愿意出具检测报告单的,要经过顾客的同意,授权我司人员代为检测,如果检测后能出换机工单的我公司人员予以换机,如果不能出换机工单的我司人员应把机子退还客户,坚决不予换机。5)客户不愿意出具检测报告单,也不愿意授权的,在营业厅纠缠影响正常营业的,电信管理人员要求我司无条件换机或者退机的,我司销售人员给予换机,之后把机子送回公司走相关的售后流程,经过处理后,不影响二次销售的由相关责任人负责二次销售;若有明显的划伤,软件问题,缺少配件等,由我司客服人员从新刷软件,补齐配件,换壳等,处理完以后可以二次销售的,由相关责任人负责二次销售。6)经过多次处理,依然无法销售的做报废机处理,报废机成本计入责任部门,损失从责任部门的整体绩效中扣除。2.5售后机处理流程图:1.客服受理机子售后的工单。2.库房售后登记用的出入库单(库房应该用一式三联的出入库单,并且要和正常的出入库单分开。)售后机1.客户到售后出具检测报告单(换机工单)2.客户出具授权委托书,委托我司人员带出检测报告单3.客户不出具委托书,在营业厅纠缠,营业厅领导要求无条件换机或者退机营业员拿到客户出具的检测报告单,给客户换机收回客户的机子,包括发票,保修卡,全套配件给客户换机或者退机,收回客户的原手机,验清手机的配置以及外观等换好的机子交到库房,库房开入库单,我司售后留一联存档。进行刷软件,配配件,换壳等程序进行处理拿到检测报告单找相应的代理商换机把处理好的售后返回库房,库房开入库单,我司售后人员留一联存档。通知相关人员领回换好的机子。处理好以后,返回库房,库房出具入库单。经过多次处理还是不能进行销售。库房通知相关责任人领回处理好的机子。通知相关人员领回换好的机子。把检测工单交到刘辉处,入售后库,开入库单。把机子交到刘辉处,入售后库,刘辉开入库单。把机子交到刘辉处,入售后库,刘辉开入库单。由售后人员领出售后机到客服做售后或者拿到相应代理商处换机由售后人员领出售后机到客服做检测,刘辉开出库单由售后人员领出售后机到客服做检测,刘辉开出库单把做好的售后或者换好的机型交到刘辉处,刘辉开入库单客服出具检测报告单,通知责任人给客户换机客服检测后出具检测报告单客服检测出不能出具检测报告单,返回刘辉售后库....

1、当您付费下载文档后,您只拥有了使用权限,并不意味着购买了版权,文档只能用于自身使用,不得用于其他商业用途(如 [转卖]进行直接盈利或[编辑后售卖]进行间接盈利)。
2、本站所有内容均由合作方或网友上传,本站不对文档的完整性、权威性及其观点立场正确性做任何保证或承诺!文档内容仅供研究参考,付费前请自行鉴别。
3、如文档内容存在违规,或者侵犯商业秘密、侵犯著作权等,请点击“违规举报”。

碎片内容

售后机管理办法

确认删除?
VIP
微信客服
  • 扫码咨询
会员Q群
  • 会员专属群点击这里加入QQ群
客服邮箱
回到顶部