电脑桌面
添加小米粒文库到电脑桌面
安装后可以在桌面快捷访问

实验5金属线胀系数的测定VIP免费

实验5金属线胀系数的测定_第1页
1/5
实验5金属线胀系数的测定_第2页
2/5
实验5金属线胀系数的测定_第3页
3/5
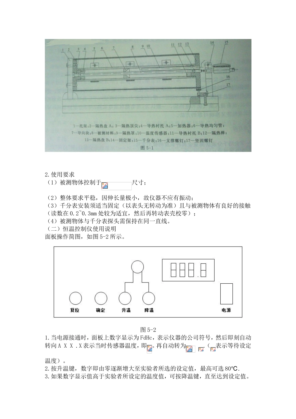
实验5金属线胀系数的测定测量固体的线胀系数,实验上归结为测量在某一问题范围内固体的相对伸长量。此相对伸长量的测量与杨氏弹性模量的测定一样,有光杠杆、测微螺旋和千分表等方法。而加热固体办法,也有通入蒸气法和电热法。一般认为,用电热丝同电加热,用千分表测量相对伸长量,是比较经济又准确可靠的方法。一、实验目的1.学会用千分表法测量金属杆长度的微小变化。2.测量金属杆的线膨胀系数。二、实验原理一般固体的体积或长度,随温度的升高而膨胀,这就是固体的热膨胀。设物体的温度改变时,其长度改变量为,如果足够小,则与成正比,并且也与物体原长成正比,因此有(1)式(1)中比例系数称为固体的线膨胀系数,其物理意义是温度每升高1℃时物体的伸长量与它在0℃时长度之比。设在温度为0℃时,固体的长度为,当温度升高为℃时,其长度为,则有即(2)如果金属杆在温度为,时,其长度分别为,,则可写出(3)(4)将式(3)代入式(4),又因与非常接近,所以,,于是可得到如下结果:(5)由式(5),测得,,和,就可求得值。三、仪器介绍(一)加热箱的结构和使用要求1.结构如图5-1。2.使用要求(1)被测物体控制于尺寸;(2)整体要求平稳,因伸长量极小,故仪器不应有振动;(3)千分表安装须适当固定(以表头无转动为准)且与被测物体有良好的接触(读数在0.2~0.3mm处较为适宜,然后再转动表壳校零);(4)被测物体与千分表探头需保持在同一直线。(二)恒温控制仪使用说明面板操作简图,如图5-2所示。图5-21.当电源接通时,面板上数字显示为FdHc,表示仪器的公司符号,然后即刻自动转向AXX.X表示当时传感器温度,即。再自动转为.(表示等待设定温度)。2.按升温键,数字即由零逐渐增大至实验者所选的设定值,最高可选80℃.3.如果数字显示值高于实验者所设定的温度值,可按降温键,直至达到设定值。4.当数字达到设定值时,即可按确定键,开始对样品加热,同时指示灯会闪亮,发光频闪与加热速率成正比。5.确定键的另一用途是可作选择键,可选择观察当时的温度值和先前设定值。6.实验者如果需要改变设定值可按复位键,重新设置。四、实验步骤1.接通电加热器与温控仪输入输出接口和温度传感器的航空插头。2.测出金属杆的长度(本实验使用的金属杆的长度为400mm),使其一端与隔热顶尖紧密接触。3.调节千分表带绝热头的测量杆,使其刚好与金属杆的自由端接触,记下此时千分表的读数。4.接通恒温控制仪的电源,先设定需要加热的值为30℃,按确定键开始加热,在达到设定温度后降温至室温,降温时也应读数。注视恒温控制仪,每隔3℃读一次读数,同时读出千分表的示数,将相应的读数,,…,,,,…,,,,…,,,,…,记在表格里。(其中=(+)/2)5.显然,金属杆各时刻上升的温度是-,-,…,-,相应的伸长量是--,…,-,则式(5)可表示为=即(6)由此可知,线膨胀系数是以-为纵坐标、以-为横坐标的实验曲线的斜率。把各测量值填入下表,作-与-的曲线(即与曲线),先算出,再求出。另外还可根据式(6)来计算出。因为长度的测量是连续进行的,故用逐差法对进行处理。五、实验数据Tn/℃Nn/mm六、数据处理1.图像法根据实验数据作出与曲线如下图所示因,故数据正相关相关性很高。可得=0.0046mm/℃,又因=400mm求得/℃2.逐差法同理求得,根据查得的℃求出根据式(6),则/℃,其中,代入数据求得/℃则/℃七、误差分析两种方法所测得的结果几乎一致,而逐差法中,数量级很小。故而误差在允许范围内。产生误差的原因:1.在读取数据时的读数误差。2.仪器本身存在的误差。八、注意事项1.在测量过程中,整个系统应保持稳定,不能碰撞。2.读取,数据时,特别是读取时,一定要迅速。九、试验总结1.本次实验原理简单,操作也并不复杂。但是在给铝棒加热以及降温过程中需要较长的时间,这要求要有一定的耐心。2.再进一步深入了解了作图法分析数据以及逐差法分析数据的方法。

1、当您付费下载文档后,您只拥有了使用权限,并不意味着购买了版权,文档只能用于自身使用,不得用于其他商业用途(如 [转卖]进行直接盈利或[编辑后售卖]进行间接盈利)。
2、本站所有内容均由合作方或网友上传,本站不对文档的完整性、权威性及其观点立场正确性做任何保证或承诺!文档内容仅供研究参考,付费前请自行鉴别。
3、如文档内容存在违规,或者侵犯商业秘密、侵犯著作权等,请点击“违规举报”。

碎片内容

实验5金属线胀系数的测定

您可能关注的文档

文章天下+ 关注
实名认证
内容提供者

各种文档应有尽有

相关文档

确认删除?
VIP
微信客服
  • 扫码咨询
会员Q群
  • 会员专属群点击这里加入QQ群
客服邮箱
回到顶部