电脑桌面
添加小米粒文库到电脑桌面
安装后可以在桌面快捷访问

交通标志现场质量检验报告单

交通标志现场质量检验报告单_第1页
1/4
交通标志现场质量检验报告单_第2页
2/4
交通标志现场质量检验报告单_第3页
3/4
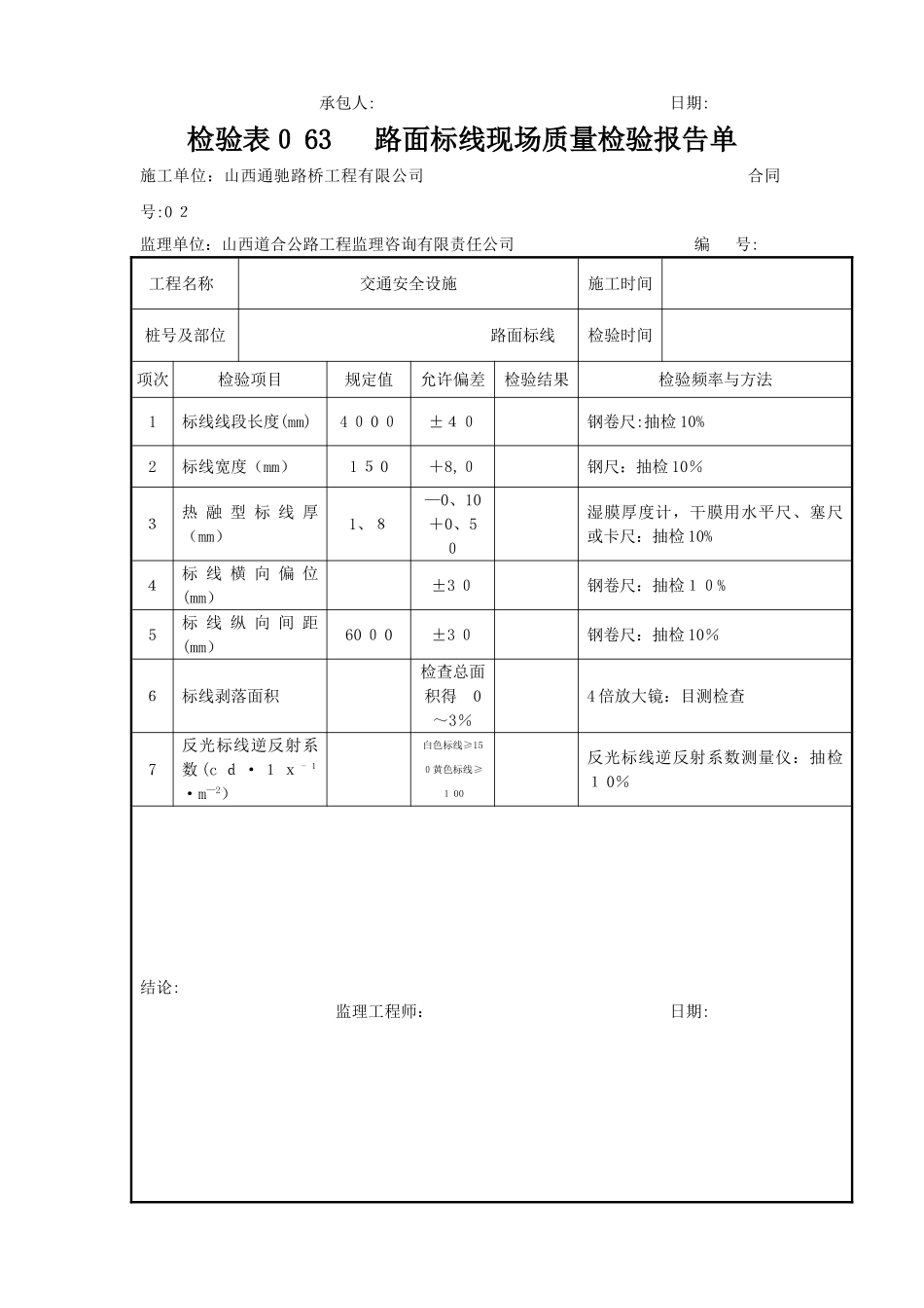
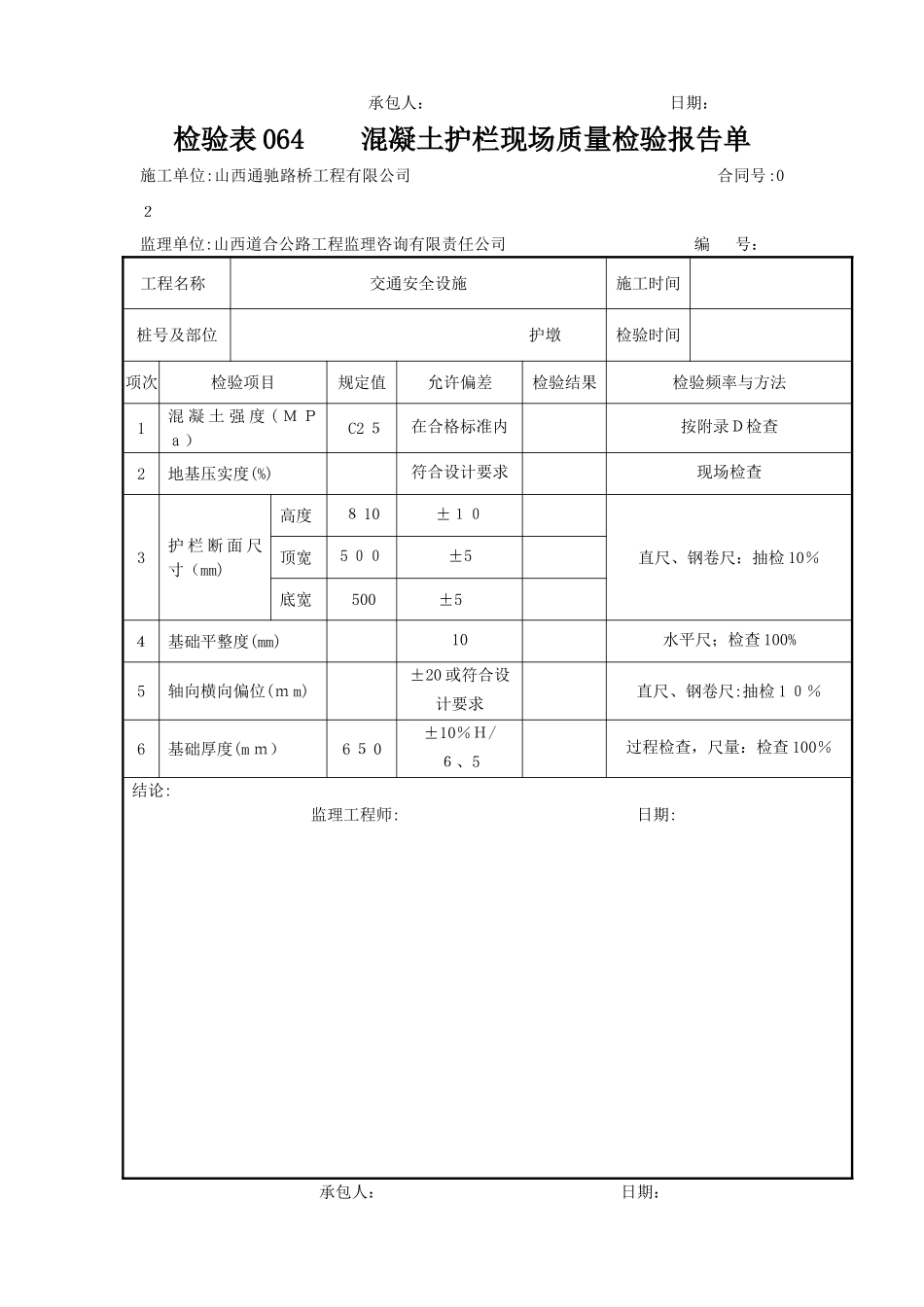
检验表 062 交通标志现场质量检验报告单施工单位:山西通驰路桥工程有限公司 合同号:02 监理单位:山西道合公路工程监理咨询有限责任公司 编 号:工程名称交通安全设施施工时间桩号及部位检验时间项次检验项目规定值允许偏差检验结果检验频率与方法1标 志 板 外 形 尺 寸(mm)当 边 长 尺 寸 大 于1.2 m时允许偏差为 边 长 得 ±0 、 5%;三角形内角应为60°±5°钢卷尺、万能角尺、卡尺:检查 100%标志底板厚度(m m)不小于 mm2标志汉字、数字、拉丁 字 得 字 体 及 尺 寸(mm)应符合规定字体,基本字高不小于3 0 0mm字体与标准字体对比,字高用钢卷尺:检查 1 0%3标志面反光膜等级及逆反射系数(cd·1x-1·m—2)反 光 膜 等 级 符 合 设计。逆反射系数值不低于2 00反光膜等级用目测初定.便携式测定仪:检查100%4标志板下缘至路面净空高度及标志板内缘距路边缘距离(m m)+1 0 0,0用直尺、水平尺或经纬仪:检查1 00%5立柱竖直度(mm/m)±3垂线、直尺:检查100%6标志金属构件镀层厚度(μm)标志柱、横梁≥78,紧固件≥50测厚仪:检查 1 0 0%7标志基础尺寸-50,+100钢 尺 、 直 尺 : 检 查100%8基 础 混 凝 土 强 度(MPa)C25在合格标准内基础施工同时做试件每处 1 组(3 件):检查 1 00%结论:监理工程师: 日期:承包人: 日期:检验表0 63 路面标线现场质量检验报告单施工单位:山西通驰路桥工程有限公司 合同号:0 2 监理单位:山西道合公路工程监理咨询有限责任公司 编 号:工程名称交通安全设施施工时间桩号及部位 路面标线检验时间项次检验项目规定值允许偏差检验结果检验频率与方法1标线线段长度(mm)4 0 0 0±40钢卷尺:抽检 10%2标线宽度(mm)1 5 0+8,0钢尺:抽检 10%3热 融 型 标 线 厚(mm)1、8—0、10+0、50湿膜厚度计,干膜用水平尺、塞尺或卡尺:抽检 10%4标 线 横 向 偏 位(mm)±3 0钢卷尺:抽检10%5标 线 纵 向 间 距(mm)60 0 0±3 0钢卷尺:抽检 10%6标线剥落面积检查总面积得 0~3%4 倍放大镜:目测检查7反光标线逆反射系数 (c d · 1 x - 1·m—2)白色标线≥150黄色标线≥1 00反光标线逆反射系数测量仪:抽检1 0%结论:监理工程师: 日期:承包人: 日期:检验表 064 混凝土护栏现场质量检验报告单施工单位:山西通驰路桥工程有限公司 ...

1、当您付费下载文档后,您只拥有了使用权限,并不意味着购买了版权,文档只能用于自身使用,不得用于其他商业用途(如 [转卖]进行直接盈利或[编辑后售卖]进行间接盈利)。
2、本站所有内容均由合作方或网友上传,本站不对文档的完整性、权威性及其观点立场正确性做任何保证或承诺!文档内容仅供研究参考,付费前请自行鉴别。
3、如文档内容存在违规,或者侵犯商业秘密、侵犯著作权等,请点击“违规举报”。

碎片内容

交通标志现场质量检验报告单

您可能关注的文档

确认删除?
VIP
微信客服
  • 扫码咨询
会员Q群
  • 会员专属群点击这里加入QQ群
客服邮箱
回到顶部