电脑桌面
添加小米粒文库到电脑桌面
安装后可以在桌面快捷访问

化工仪表维修工培训教学大纲、计划

化工仪表维修工培训教学大纲、计划_第1页
1/5
化工仪表维修工培训教学大纲、计划_第2页
2/5
化工仪表维修工培训教学大纲、计划_第3页
3/5
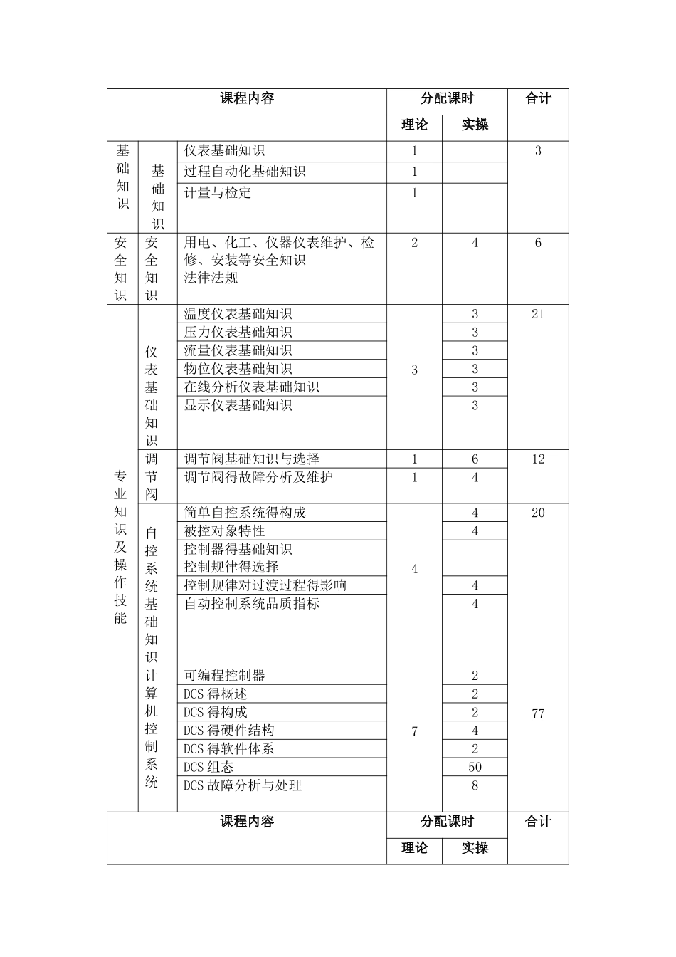
化工仪表维修高技能人才培育教学大纲一、制订得依据本大纲制订得主要依据化工仪表维修技师职业标准,并参照国家劳动与社会保障部职业鉴定得技能培训、理论课程得有关要求,结合企业生产特点制订该大纲。采纳教材: 职业技能鉴定培训用书《化工仪表维修工》 化学工业出版社参考教材:《仪表工题库》 化学工业出版社《仪表维修工》(技术工人岗位培训题库) 化学工业出版社二、培训性质随着社会主义市场经济体制得建立与政府转变行政管理职能得新形势下,《中华人民共与国劳动法》明确规定,国家对规定得职业资格实行职业资格证书制度。把人才培育与合理使用结合起来,提高劳动者素养,增强劳动者就业能力,以适应社会经济不断进展得要求。本课程得培训正就是为了适应这一需要而设置。三、基本要求与目得 培训课程突出技能培训主题,以化工仪表维修工职业标准为依据,结合企业专业学习与技能提升得要求,基于自动化相关专业工作过程设置培训项目,通过培训,推动技能人才队伍得整体进展与建设,提高工程技术人员得专业水平。考虑企业实际工作任务繁忙,又不能长时间脱离岗位,决定实行分散就地培训、自学与集中培训考评相结合得作法。本次培训目得旨在培育企业化工仪表维修技师专业技术人员,学员学完该课程后,将在理论与职业技能上得到系统得训练,达到国家职业技能得鉴定高级工要求。四、教学大纲与课程安排:培训内容分理论(知识)与实操(技能)两部分,其比例为 1、5 :8、5 。知识要求包括相关知识、基础知识与专业知识。技能要求包括检测仪表、控制仪表及 DCS 得维护、检修、管理与安全文明生产。表 1 化工仪表维修高技能人才培育教学内容与学时课程内容分配课时合计理论实操基础知识基础知识仪表基础知识13过程自动化基础知识1计量与检定1安全知识安全知识用电、化工、仪器仪表维护、检修、安装等安全知识法律法规246专业知识及操作技能仪表基础知识温度仪表基础知识3321压力仪表基础知识3流量仪表基础知识3物位仪表基础知识3在线分析仪表基础知识3显示仪表基础知识3调节阀调节阀基础知识与选择1612调节阀得故障分析及维护14自控系统基础知识简单自控系统得构成4420被控对象特性4控制器得基础知识控制规律得选择控制规律对过渡过程得影响4自动控制系统品质指标4计算机控制系统可编程控制器7277DCS 得概述2DCS 得构成2DCS 得硬件结构4DCS 得软件体系2DCS 组态50DCS 故障分析与处理8课程内容分配课时合计理论实操专业知识...

1、当您付费下载文档后,您只拥有了使用权限,并不意味着购买了版权,文档只能用于自身使用,不得用于其他商业用途(如 [转卖]进行直接盈利或[编辑后售卖]进行间接盈利)。
2、本站所有内容均由合作方或网友上传,本站不对文档的完整性、权威性及其观点立场正确性做任何保证或承诺!文档内容仅供研究参考,付费前请自行鉴别。
3、如文档内容存在违规,或者侵犯商业秘密、侵犯著作权等,请点击“违规举报”。

碎片内容

化工仪表维修工培训教学大纲、计划

确认删除?
VIP
微信客服
  • 扫码咨询
会员Q群
  • 会员专属群点击这里加入QQ群
客服邮箱
回到顶部