电脑桌面
添加小米粒文库到电脑桌面
安装后可以在桌面快捷访问

常用螺栓的标准及规格表

常用螺栓的标准及规格表_第1页
1/9
常用螺栓的标准及规格表_第2页
2/9
常用螺栓的标准及规格表_第3页
3/9
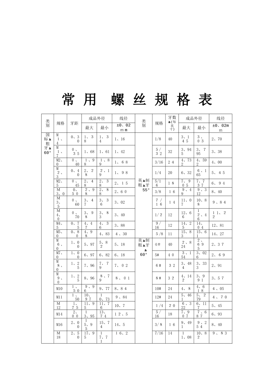
常用螺栓得标准及规格表国家标准规定了螺纹规格为 M3~M 64,A 与B级得六角头螺栓、A 级用于 D<=2 4与L<=1 0D 或 L<=150mm(按较小值)得螺栓;B 级用于 D>2 4 或 L>1 0D或 L>150(按较小值)得螺栓外六角螺栓尺寸规格(如图)钢结构连接用螺栓性能等级分 3、6、4、6、4、8、5、6、6、8、8、8、9、8、10、9、1 2、9 等1 0 余个等级,其中8、8级及以上螺栓材质为低碳合金钢或中碳钢并经热处理(淬火、回火),通称为高强度螺栓,其余通称为普通螺栓。螺栓性能等级标号有两部分数字组成,分别表示螺栓材料得公称抗拉强度值与屈强比值。例如,性能等级 4、6级得螺栓,其含义就是:ﻫ1、螺栓材质公称抗拉强度达 400 MP a 级;2、螺栓材质得屈强比值为0、6;3、螺栓材质得公称屈服强度达4 00×0、6=240 M Pa 级常 用 螺 丝 规 格 表类别规格牙距成品外径线径类别规格牙数ﻫ(每英寸)成品外径线径最大最小±0、02m m最大最小±0、02mm国标ﻫ粗牙ﻫ 60°M1、40、30 1、381、341、16 英ﻫ制粗ﻫ牙 55°1/8403、14 53、032、70 M1、70、3 51、681、611、42 5/3 2323、9453、7953、38 M2、00、40 1、981、891、6 8 3/162 44、7324、5924、00 M2、30、402、282、191、9 8 1/4206、326、1655、4 5 M2、50、452、482、382、1 5 5/161 87、90 57、73 76、9 4 M3、00、50 2、982、882、6 0 3/81 69、499、3128、40 M3、50、60 3、473、363、02 7/161 411、0710、889、8 4 M4、00、70 3、983、833、40 1/21212、6612、461 1、22 M4、50、754、474、363、88 9/161214、2514、0 412、81 M5、00、80 4、984、834、30 5/81115、8315、6114、27 M6、01、00 5、975、825、18 美ﻫ制粗ﻫ牙 ﻫ 60°4#402、8242、6952、37 M7、01、006、976、826、18 5#4 03、1543、0262、6 9 M8、01、25 7、967、797、0 2 6#3 23、4843、3332、91 M9、01、25 8、968、798、0 1 8#3 24、1423、99 13、5 7 M101、5 0 9、969、778、8 4 10#244、84、61 84、05 M111、5010、9 710、739、84 12#245、4615、2794、7 0 M121、75 11、9511、7610、7 1/42 06、3226、1175、45 M142、00 13、9513、7 41 2、5...

1、当您付费下载文档后,您只拥有了使用权限,并不意味着购买了版权,文档只能用于自身使用,不得用于其他商业用途(如 [转卖]进行直接盈利或[编辑后售卖]进行间接盈利)。
2、本站所有内容均由合作方或网友上传,本站不对文档的完整性、权威性及其观点立场正确性做任何保证或承诺!文档内容仅供研究参考,付费前请自行鉴别。
3、如文档内容存在违规,或者侵犯商业秘密、侵犯著作权等,请点击“违规举报”。

碎片内容

常用螺栓的标准及规格表

您可能关注的文档

确认删除?
VIP
微信客服
  • 扫码咨询
会员Q群
  • 会员专属群点击这里加入QQ群
客服邮箱
回到顶部