电脑桌面
添加小米粒文库到电脑桌面
安装后可以在桌面快捷访问

特种设备检验检测收费项目及标准

特种设备检验检测收费项目及标准_第1页
1/8
特种设备检验检测收费项目及标准_第2页
2/8
特种设备检验检测收费项目及标准_第3页
3/8
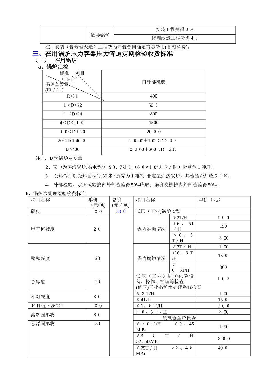
特种设备检验检测收费项目及标准一、锅炉、压力容器、压力管道产品质量监督检验收费标准(一) 锅炉锅炉蒸发量(吨/时)收费标准(元/台)D≤1 按锅炉整机销售价 1、4%1<D≤4按锅炉整机销售价 1、2%D>4按锅炉整机销售价1、0%注:1、D为锅炉蒸发量(小型与常压热水锅炉也按蒸发量折算)。2、热水锅炉以每0、7兆瓦(60×104卡/时)折算为蒸发量 1 吨/时.3、 锅炉整机指不包括鼓、引风机、给水泵、除尘器以及水处理设备.4、 销售价含材料费与安全附件。(二)压力容器产品名称收费标准(元/台)备注一类压力容器按产品销售价1、0%每台至少 60 元二类压力容器按产品销售价 1、2%每台至少 100 元三类压力容器按产品销售价 1、4%每台至少1 50 元汽(火)车槽车按产品销售价1、5%注:1、容器类别按《压力容器安全技术监察规程》规定进行分类。一、二、三类压力容器产品销售价含材料费与安全附件,不包括填充物料。2、汽(火)车槽车、按罐体(含安全附件)得销售价计算收费。3、散装、组装大型容器(包括球罐)得现场监检,按设备总价得 1、5%或安装工程总费用得3%收取。4、不锈钢及有色金属容器制作得设备按上述标准得5 0%收取。5、医用氧舱安装监检费按产品销售安装价得 1、5%收取。(三)压力管道1、凡新、改、扩建压力管道得安装监检,按其工程总造价(含材料费)得 2~3%收取。(1)、工程总造价在 10 0万元以下(含 100 万元),按 3%收取,且不低于 100 0元。(2)、工程总造价在 100 万元至 300 万元(含 3 0 0 万元),按2、5 %收取.(3)、工程总造价在3 0 0万以上,按2 %收取.2、压力管道元件制作按其销售价收取,A、B级分别收取 3%与4%。(四)气瓶气瓶类别收费标准(元/只)焊接、无缝钢瓶按产品销售价0、8%液化石油气钢瓶按产品销售价 0、6%溶解乙炔气钢瓶按产品销售价 0、7%注:各类钢瓶、实行批量性监督检验时,按该批产品总数销售价计收。二、锅炉安装、修理改造质量监督检验收费锅炉安装质量监检(含修理改造)整装炉安装工程费得 4%修理改造工程费得 4%散装锅炉安装工程费得3%修理改造工程费得 4%注:安装(含修理改造)工程费为安装合同确定得总费用(含材料费)。三、在用锅炉压力容器压力管道定期检验收费标准(一)在用锅炉 a、锅炉定检标准 项目(元/台)锅炉蒸发量(吨/时)内外部检验D≤14001<D≤260 02〈D≤48004<D≤1015001 0<D≤2020 0...

1、当您付费下载文档后,您只拥有了使用权限,并不意味着购买了版权,文档只能用于自身使用,不得用于其他商业用途(如 [转卖]进行直接盈利或[编辑后售卖]进行间接盈利)。
2、本站所有内容均由合作方或网友上传,本站不对文档的完整性、权威性及其观点立场正确性做任何保证或承诺!文档内容仅供研究参考,付费前请自行鉴别。
3、如文档内容存在违规,或者侵犯商业秘密、侵犯著作权等,请点击“违规举报”。

碎片内容

特种设备检验检测收费项目及标准

您可能关注的文档

确认删除?
VIP
微信客服
  • 扫码咨询
会员Q群
  • 会员专属群点击这里加入QQ群
客服邮箱
回到顶部