电脑桌面
添加小米粒文库到电脑桌面
安装后可以在桌面快捷访问

23局深茂危险源管理办法

23局深茂危险源管理办法_第1页
1/7
23局深茂危险源管理办法_第2页
2/7
23局深茂危险源管理办法_第3页
3/7
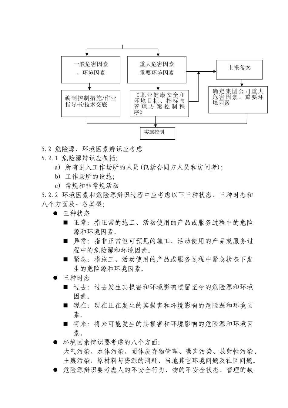
深圳至茂名客货共线(茂名段 JMZQ-7 标)危险源管理办法中铁二十三局深茂铁路客货共线项目经理部危险源管理办法一、目的 确保项目经理部综合管理体系能够有效地运行并持续改进,对所有活动、产品及服务中的危险源和环境因素进行全面的辨识与评价,实现对职业健康安全风险及重要环境因素的全面管理和有效控制。二、适用范围 适用于项目经理部所属项目部施工现场及临时设施、项目经理部办公区域内与职业健康安全、环境有关的危险源及环境因素辨识及更新与管理活动。三、相关文件或引用文件《职业健康安全和环境目标、指标与管理方案控制程序》四、职责4.1 安全质量部是本程序中有关环境因素的辨识、评价和控制的主管部门。负责项目经理部上报的《重要环境因素清单》的收集备案,确定和编制项目经理部《重要环境因素清单》,且实施动态控制。4.2 负责施工中环境因素的辨识及评价工作,对一般环境因素应编制控制措施/作业指导书/技术交底书等,并组织实施;对重要环境因素应实施控制。4.3 办公室负责对项目经理部上报的有关职业健康《重大危险源清单》的收集备案,确定和编制集团公司有关职业健康《重大危险源清单》,且实施动态控制。4.4 项目部负责现场危险源、环境因素的辨识及评价工作,并归口上报。对一般危险源、环境因素应根据有关规定和办法组织实施;对重大危险源、重要环境因素应实施控制。五、工作程序5.1 危险源和环境因素辩识、评价和控制工作流程图:危险源和环境因素辨识、评价5.2 危险源、环境因素辨识应考虑5.2.1 危险源辩识应包括:a) 所有进入工作场所的人员(包括合同方人员和访问者); b) 工作场所的设施; c) 常规和非常规活动5.2.2 环境因素和危险源辩识过程中应考虑以下三种状态、三种时态和八个方面及一各类型: 三种状态 正常:指正常的施工、活动使用的产品或服务过程中的危险源和环境因素。 异常:指非正常但可预见的施工、活动使用的产品或服务过程中的危险源和环境因素。 紧急:指施工、活动使用的产品或服务过程中紧急状态下发生的危险源和环境因素。 三种时态 过去:过去发生其损害和环境影响遗留至今的危险源和环境因素。 现在:现在正在发生的其损害和环境影响的危险源和环境因素。 将来:将来可能发生的其损害和环境影响的危险源和环境因素。 环境因素辩识要考虑的八个方面:大气污染、水体污染、固体废弃物管理、噪声污染、放射性污染、土壤污染、原材料与资源的消耗...

1、当您付费下载文档后,您只拥有了使用权限,并不意味着购买了版权,文档只能用于自身使用,不得用于其他商业用途(如 [转卖]进行直接盈利或[编辑后售卖]进行间接盈利)。
2、本站所有内容均由合作方或网友上传,本站不对文档的完整性、权威性及其观点立场正确性做任何保证或承诺!文档内容仅供研究参考,付费前请自行鉴别。
3、如文档内容存在违规,或者侵犯商业秘密、侵犯著作权等,请点击“违规举报”。

碎片内容

23局深茂危险源管理办法

您可能关注的文档

确认删除?
VIP
微信客服
  • 扫码咨询
会员Q群
  • 会员专属群点击这里加入QQ群
客服邮箱
回到顶部