电脑桌面
添加小米粒文库到电脑桌面
安装后可以在桌面快捷访问

中格栅和细格栅的设计

中格栅和细格栅的设计_第1页
1/8
中格栅和细格栅的设计_第2页
2/8
中格栅和细格栅的设计_第3页
3/8
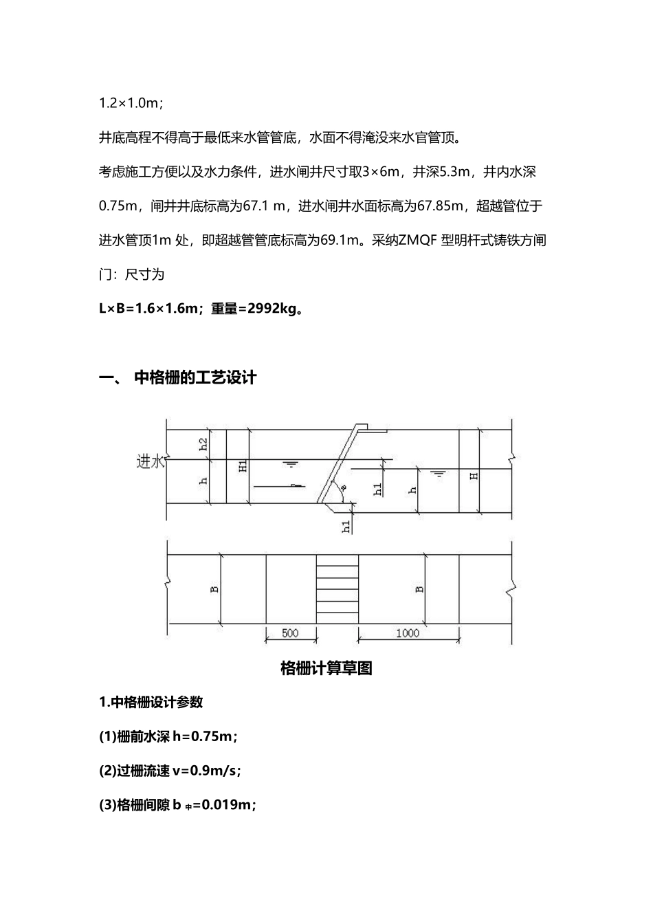
中格栅和细格栅的设计(5页)Good is good, but better carries it.精益求精,善益求善。一、进水闸井的设计1、 污水厂进水管1.设计依据:(1)进水流速在0.9—1.1m/s;(2)进水管管材为钢筋混凝土管;(3)进水管按非满流设计,n=0.014。2.设计计算(1)取进水管径为D=800mm,流速v=1.00 m/s,设计坡度 I=0.5%。(2)已知最大日污水量Qmax=0.6481m3/s;(3)初定充满度h/D=0.75,则有效水深h=1000×0.75=750mm;(4)已知管内底标高为67.1m,则水面标高为:67.1+0.75=67.85m;(5)管顶标高为:67.1 +1.0=68.1m;(6)进水管水面距地面距离 72.4-67.85=4.55m。2、 进水闸井工艺设计进水闸井的作用是汇合各种来水以改变进水方向,保证进水稳定性。进水闸井前设跨越管,跨越管的作用是当污水厂发生故障或维修时,可使污水直接排入水体,跨越管的管径比进水管略大,取为1200mm。其设计要求如下:设在进水闸、格栅、集水池前;形式为圆形、矩形或梯形;尺寸可根据来水管渠的断面和数量确定,但直径不得小于1.0m 或1.2×1.0m;井底高程不得高于最低来水管管底,水面不得淹没来水官管顶。考虑施工方便以及水力条件,进水闸井尺寸取3×6m,井深5.3m,井内水深0.75m,闸井井底标高为67.1 m,进水闸井水面标高为67.85m,超越管位于进水管顶1m 处,即超越管管底标高为69.1m。采纳ZMQF 型明杆式铸铁方闸门:尺寸为L×B=1.6×1.6m;重量=2992kg。一、 中格栅的工艺设计格栅计算草图1.中格栅设计参数(1)栅前水深 h=0.75m;(2)过栅流速 v=0.9m/s;(3)格栅间隙 b 中=0.019m;(4)栅条宽度 s=10mm;(5)格栅安装倾角。2.中格栅的设计计算本设计选用两道中格栅,为了减少格栅磨损,格栅全部使用。总变化系数 k=1.41)栅条间隙数:式中:n 中——中格栅间隙数;Qmax——最大设计流量,;b 中——栅条间隙,0.019m;h——栅前水深,取 0.75m;v——过栅流速,取 0.9m/s;α——格栅倾角,取;m——设计使用的格栅数量,本设计中格栅取使用 2 道。 取 25 2)栅槽宽度 B:栅槽宽度一般比格栅宽 0.2-0.3m,取 0.2m。B=s(n1-1)+bn+0.2式中:B——栅槽宽度,m;S——格条宽度,取 0.01m。B=0.01×(25-1)+0.019×25+0.2=0.92m栅槽之间墙宽度为 0.5m,所以格栅总宽度=0.92×2+0.5=2.34m3)中格栅栅前进水渠道渐宽部分长 L1,若进水渠宽 B1=0.7,其渐宽部分展开角进水渠道流速 V1=0.7m/s4)中格栅与提升泵房连接处渐窄部分长度 L25)中格栅过栅水头损失K ...

1、当您付费下载文档后,您只拥有了使用权限,并不意味着购买了版权,文档只能用于自身使用,不得用于其他商业用途(如 [转卖]进行直接盈利或[编辑后售卖]进行间接盈利)。
2、本站所有内容均由合作方或网友上传,本站不对文档的完整性、权威性及其观点立场正确性做任何保证或承诺!文档内容仅供研究参考,付费前请自行鉴别。
3、如文档内容存在违规,或者侵犯商业秘密、侵犯著作权等,请点击“违规举报”。

碎片内容

中格栅和细格栅的设计

确认删除?
VIP
微信客服
  • 扫码咨询
会员Q群
  • 会员专属群点击这里加入QQ群
客服邮箱
回到顶部