电脑桌面
添加小米粒文库到电脑桌面
安装后可以在桌面快捷访问

双速电机接线原理图

双速电机接线原理图_第1页
1/3
双速电机接线原理图_第2页
2/3
双速电机接线原理图_第3页
3/3
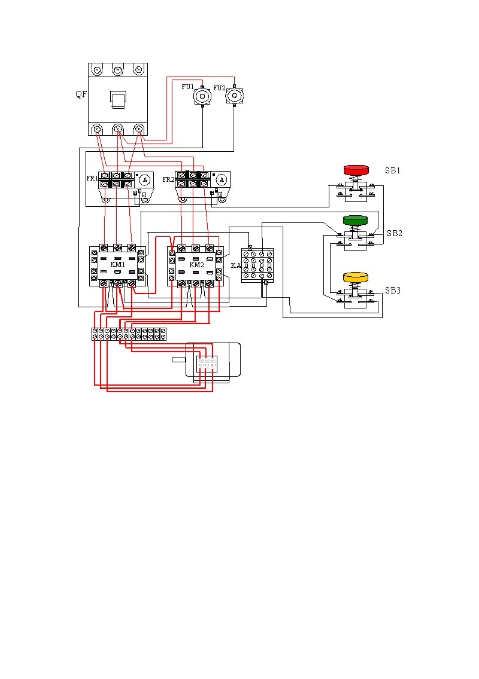
双速电机接线原理图 接触器控制得双速电动机电气原理图 一、双速电动机简介 双速电动机属于异步电动机变极调速,就是通过改变定子绕组得连接方法达到改变定子旋转磁场磁极对数,从而改变电动机得转速。 根据公式;n 1=6 0f/p 可知异步电动机得同步转速与磁极对数成反比,磁极对数增加一倍,同步转速 n1 下降至原转速得一半,电动机额定转速n也将下降近似一半,所以改变磁极对数可以达到改变电动机转速得目得。这种调速方法就是有级得,不能平滑调速,而且只适用于鼠笼式电动机。 此图介绍得就是最常见得单绕组双速电动机,转速比等于磁极倍数比,如2极/4 极、4 级/8 极,从定子绕组△接法变为 Y Y接法,磁极对数从p=2变为 p=1。∴转速比=2/1=2二、控制电路分析 1、合上空气开关 QF 引入三相电源 2、按下起动按钮 SB2,沟通接触器KM 1 线圈回路通电并自锁,KM 1主触头闭合,为电动机引进三相电源,L1 接 U1、L2 接 V1、L 3接 W 1;U 2、V2、W 2悬空。电动机在△接法下运行,此时电动机 p=2、n 1=1 5 00 转/分。 3、若想转为高速运转,则按 S B 3 按钮,SB 3得常闭触点断开使接触器KM1 线圈断电,KM 1 主触头断开使 U1、V 1、W 1与三相电源L 1、L 2、L3脱离。其辅助常闭触头恢复为闭合,为K M2 线圈回路通电准备。同时接触器KM2 线圈回路通电并自锁,其常开触点闭合,将定子绕组三个首端 U1、V 1、W1 连在一起,并把三相电源 L1、L2、L 3引入接 U2、V 2、W2,此时电动机在 YY 接法下运行,这时电动机 p=1,n1=3 0 0 0转/分。K M 2 得辅助常开触点断开,防KM1 误动。 4、FR1、F R2 分别为电动机△运行与 YY 运行得过载保护元件。 5、此控制回路中 SB2 得常开触点与 K M 1 线圈串联,SB2 得常闭触点与KM 2线圈串联,同样S B3 按钮得常闭触点与 KM1 线圈串联,S B3得常开于 KM2线圈串联,这种控制就就是按钮得互锁控制,保证△与 YY 两种接法不可能同时出现,同时 KM2 辅助常闭触点接入K M 1线圈回路,K M 1 辅助常闭触点接入 KM 2线圈回路,也形成互锁控制。三、定子接线图如下 低速时绕组得接法 高速时绕组得接法

1、当您付费下载文档后,您只拥有了使用权限,并不意味着购买了版权,文档只能用于自身使用,不得用于其他商业用途(如 [转卖]进行直接盈利或[编辑后售卖]进行间接盈利)。
2、本站所有内容均由合作方或网友上传,本站不对文档的完整性、权威性及其观点立场正确性做任何保证或承诺!文档内容仅供研究参考,付费前请自行鉴别。
3、如文档内容存在违规,或者侵犯商业秘密、侵犯著作权等,请点击“违规举报”。

碎片内容

双速电机接线原理图

领读文化+ 关注
实名认证
内容提供者

传播文化,铸就未来

确认删除?
VIP
微信客服
  • 扫码咨询
会员Q群
  • 会员专属群点击这里加入QQ群
客服邮箱
回到顶部