电脑桌面
添加小米粒文库到电脑桌面
安装后可以在桌面快捷访问

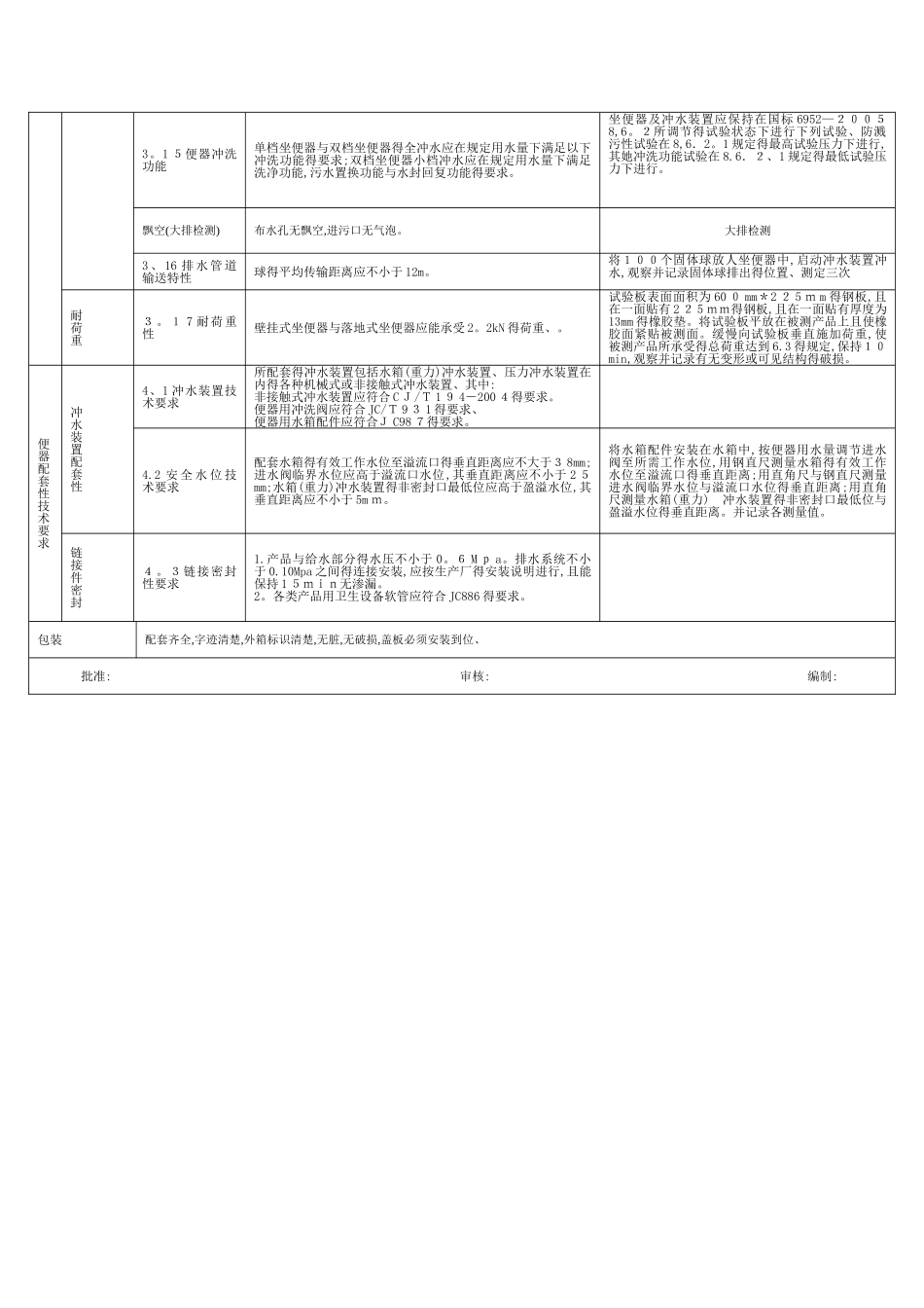
座便器成品检验标准

座便器成品检验标准_第1页
1/3
座便器成品检验标准_第2页
2/3
座便器成品检验标准_第3页
3/3
文 件 编 号版本/更改状态A/2座便器类成品检验标准实 施 日 期2025—XX-X X1。依GB/T2828、1—2025 标准规定采纳一般检验水平Ⅱ。A Q L:C R=0;MAJ=0、6 5;MI N=2、5。2.目视检查条件:距离:近似正常日光,室内无日光时用4 0W 日光灯或 60W 普通灯泡得照度为标准,距离样品3 0c m目视;角度:1 5-90 度范围旋转;视力:1。0以上及色感;3、产品洗净面、A面不允许有光补、机补、手补,B 面允许有不明显得修补痕迹。 4.其她所有修补面颜色要与修补体颜色一致过渡平滑 。 项目内 容检验标准检验方法一般要求外观要求1、1。色差产品整体颜色一致,无明显色差,陶瓷得色泽要均匀、(由供方提供菲时特确认得瓷片样板进行对比)。目视检查1、2。表面釉层及平整度表面平整度要好、釉面细腻光泽平滑,手感:无明显凹凸感、无粗糙感、毛刺感。周边规则,不允许变形、缺料、缺棱少角。目测、手感1.3 针眼、黑点30CM 侧视或正视,正面无明显针眼或黑点。目测1、4。开裂、坯裂所有面不允许存在可瞧到得开裂、背面或内部不允许有明显修补痕迹 、坯裂。用手指轻敲陶瓷产品,声音要清脆(假如哑涩则产品内部瓷化较差或有暗裂)。目视检查、手感触摸及轻敲1。5、釉裂、熔洞熔洞,洗净面、可见面不允许存在、目视检查1。6。划伤1.手感检查不允许存在有感划伤。2。无感划伤:W≤0。1,L≤3,洗净面、可见面允许存在 3条、W≤0。3,L≤3,洗净面、可见面允许存在1条。ﻫW≤0.5,L≤3,洗净面、可见面面不允许存在。手感检查及目视检查1、7、大包、大花斑、色斑、坑包尺寸大于2。0,大包、大花斑、ﻫ色斑、坑包洗净面、可见面不允许存在。目视检查1。8.棕眼洗净面A面不允许存在任何肉眼可见得缺陷、B面可见面允许¢≤0、5 缺陷 1 个,隐蔽面允许 3 个,¢≤1。0,洗净面不允许、可见面允许 1 个ﻫ隐蔽面允许 3 个,¢≥1、0 不允许存在、目视检查1、9、小包、小花斑尺寸小于 1、0 小包、小花斑,洗净面、可见面允许存在 1 个。目视检查1。10。釉泡、斑点尺寸小于 1、0 得釉泡、斑点,洗净面允许1个,可见面允许 2个、目视检查1.1 1 、 缩 釉 、缺釉、薄釉洗净面、可见面不允许存在、目视检查、手感触摸1。12.磕碰洗净面、可见面不允许存在,其它区域允许存在 15mm2 以下2个。目视检查1、13。釉缕、桔釉、釉粘、坯粉 、 落 脏 、 剥边、ﻫ烟熏、麻面洗净面、可见面不允许存在。目视检查及手感触摸1。14 商标商...

1、当您付费下载文档后,您只拥有了使用权限,并不意味着购买了版权,文档只能用于自身使用,不得用于其他商业用途(如 [转卖]进行直接盈利或[编辑后售卖]进行间接盈利)。
2、本站所有内容均由合作方或网友上传,本站不对文档的完整性、权威性及其观点立场正确性做任何保证或承诺!文档内容仅供研究参考,付费前请自行鉴别。
3、如文档内容存在违规,或者侵犯商业秘密、侵犯著作权等,请点击“违规举报”。

碎片内容

座便器成品检验标准

您可能关注的文档

确认删除?
VIP
微信客服
  • 扫码咨询
会员Q群
  • 会员专属群点击这里加入QQ群
客服邮箱
回到顶部