电脑桌面
添加小米粒文库到电脑桌面
安装后可以在桌面快捷访问

轻质隔墙板基本节点图

轻质隔墙板基本节点图_第1页
1/8
轻质隔墙板基本节点图_第2页
2/8
轻质隔墙板基本节点图_第3页
3/8
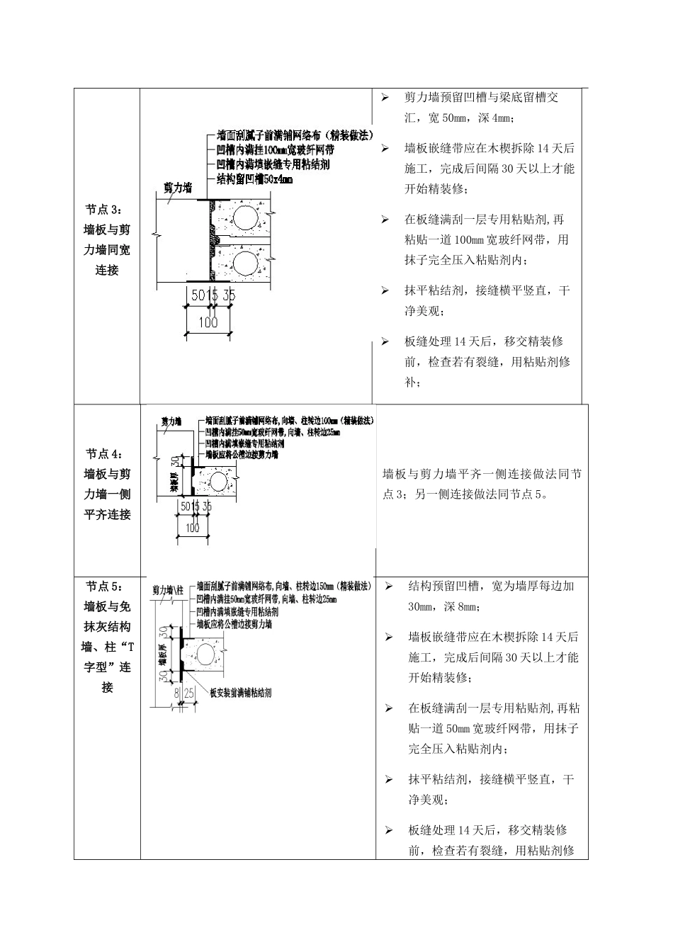
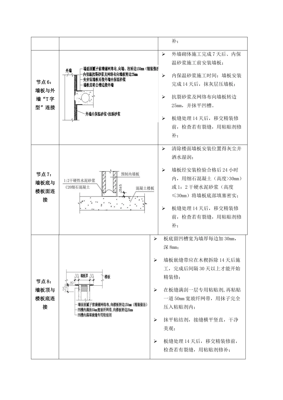
附图:轻质隔墙板基本节点做法详图节点名称节点图做法要点节 点 1 :标 准 板“ 一 字型”连接墙板嵌缝带应在木楔拆除 14 天后施工,完成后间隔 30 天以上才能开始精装修;在板缝满刮一层专用粘贴剂,厚度约 3mm,再粘贴一道 50mm 宽玻纤网带,用抹子完全压入粘贴剂内;抹平粘结剂,接缝横平竖直,干净美观;板缝处理 14 天后,移交精装修前,检查若有裂缝,用粘贴剂修补;节点 2:标准板与补板“一字型”连接补板应提前用粘贴剂填平切口;墙板嵌缝带应在木楔拆除 14 天后施工,完成后间隔 30 天以上才能开始精装修;在板缝满刮一层专用粘贴剂,厚度约 3mm,再粘贴一道 50mm 宽玻纤网带,用抹子完全压入粘贴剂内;抹平粘结剂,接缝横平竖直,干净美观;板缝处理 14 天后,移交精装修前,检查若有裂缝,用粘贴剂修补;节点 3:墙板与剪力墙同宽连接剪力墙预留凹槽与梁底留槽交汇,宽 50mm,深 4mm;墙板嵌缝带应在木楔拆除 14 天后施工,完成后间隔 30 天以上才能开始精装修;在板缝满刮一层专用粘贴剂,再粘贴一道 100mm 宽玻纤网带,用抹子完全压入粘贴剂内;抹平粘结剂,接缝横平竖直,干净美观;板缝处理 14 天后,移交精装修前,检查若有裂缝,用粘贴剂修补;节点 4:墙板与剪力墙一侧平齐连接墙板与剪力墙平齐一侧连接做法同节点 3;另一侧连接做法同节点 5。节点 5:墙板与免抹灰结构墙、柱“T字型”连接结构预留凹槽,宽为墙厚每边加30mm,深 8mm;墙板嵌缝带应在木楔拆除 14 天后施工,完成后间隔 30 天以上才能开始精装修;在板缝满刮一层专用粘贴剂,再粘贴一道 50mm 宽玻纤网带,用抹子完全压入粘贴剂内;抹平粘结剂,接缝横平竖直,干净美观;板缝处理 14 天后,移交精装修前,检查若有裂缝,用粘贴剂修补;节点 6:墙板与外墙“T 字型”连接外墙砌体施工完成 7 天后、内保温砂浆施工前安装墙板;内保温砂浆施工时间:墙板安装完成 14 天后,抹灰层压墙板;抗裂砂浆及网络布向墙板转边25mm,并抹平凹槽。板缝处理 14 天后,移交精装修前,检查若有裂缝,用粘贴剂修补;节点 7:墙板底与楼板面连接清除楼面墙板安装位置得灰尘并洒水湿润;墙板经安装检验合格后 24 小时内,用细石混凝土(高度>30mm)或 1:2 干硬水泥砂浆(高度≤30mm)将墙板底部填塞密实;板缝处理 14 天后,移交精装修前,检查若有裂缝,用粘贴...

1、当您付费下载文档后,您只拥有了使用权限,并不意味着购买了版权,文档只能用于自身使用,不得用于其他商业用途(如 [转卖]进行直接盈利或[编辑后售卖]进行间接盈利)。
2、本站所有内容均由合作方或网友上传,本站不对文档的完整性、权威性及其观点立场正确性做任何保证或承诺!文档内容仅供研究参考,付费前请自行鉴别。
3、如文档内容存在违规,或者侵犯商业秘密、侵犯著作权等,请点击“违规举报”。

碎片内容

轻质隔墙板基本节点图

一二三四传媒+ 关注
实名认证
内容提供者

大量资料供您选择,没有合适的可以联系小二。

确认删除?
VIP
微信客服
  • 扫码咨询
会员Q群
  • 会员专属群点击这里加入QQ群
客服邮箱
回到顶部