电脑桌面
添加小米粒文库到电脑桌面
安装后可以在桌面快捷访问

项目报批报建作业指引

项目报批报建作业指引_第1页
1/6
项目报批报建作业指引_第2页
2/6
项目报批报建作业指引_第3页
3/6
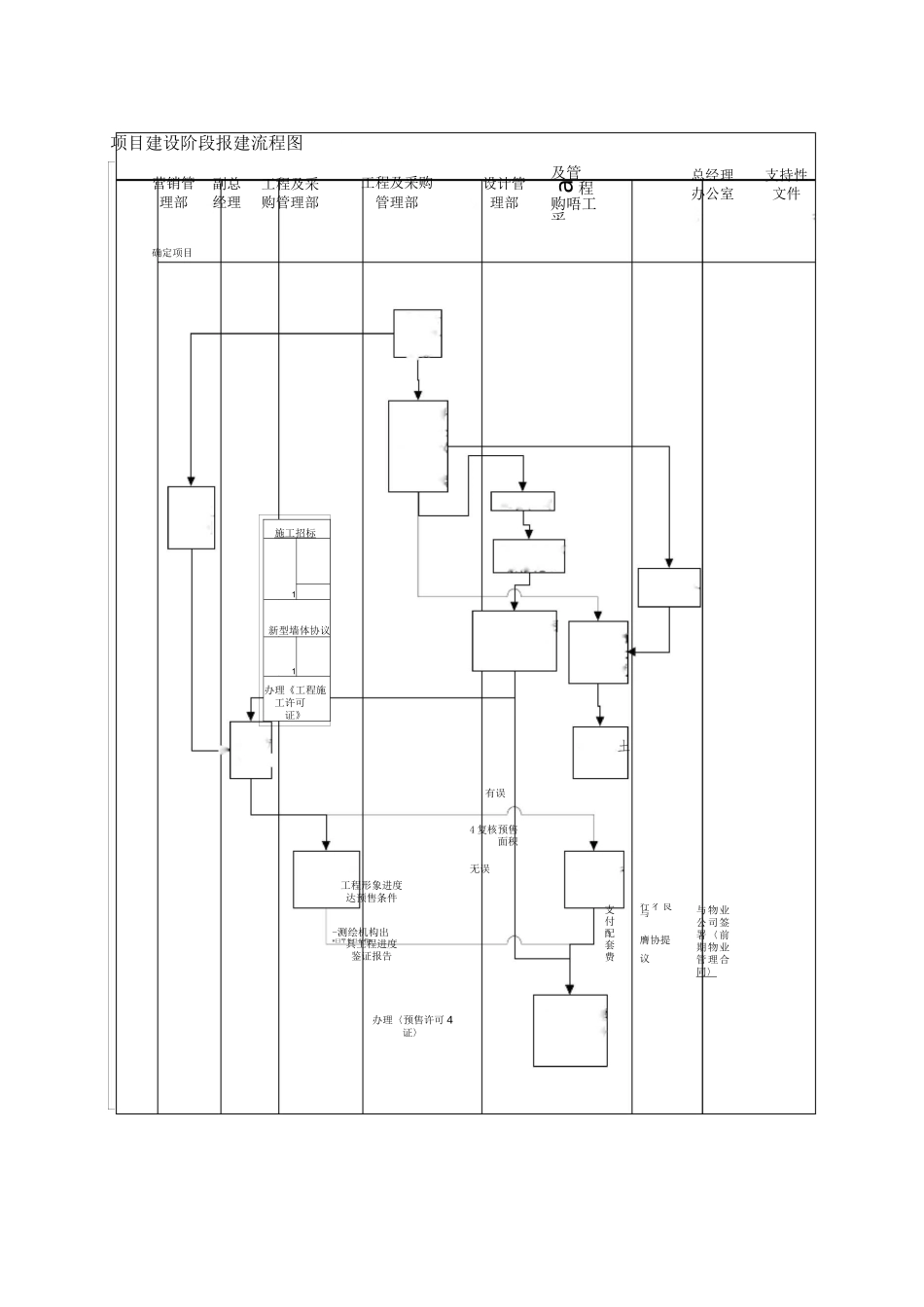
项目前期阶段报建流程支持性文件财务部配套征询支付地价副总体方案确定产品定位策划成本管理部项目投资估算书项目可行性报告办理《地证》工程及采购管理部工程及采购管理部办理缴纳土地出让金及契税办理签署《国有土地使用权出让合同〉手续设计管理部配套条件审核意见书报计委办理年度商品房计划营销管理部项目论证资料移交I办 理 《 建 设 用地 规 划 许 可证》项目建设阶段报建流程图确定项目营销管理部副总经理工程及采购管理部具工程进度鉴证报告施工招标1新型墙体协议1办理《工程施工许可证》工程及采购管理部设计管理部-测绘机构出*曰〒冬旦也柞*工程形象进度达预售条件办理〈预售许可 4证〉及管a程购唔工采总经理办公室支持性文件有误4 复核预售面积无误支付配套费行 彳 艮与膺协提议与物业公司签署〈前期物业管理合同〉项目竣工阶段报建流程图项目销售经营部进展项目经理部部办理〈竣工验收备案证书〉理室经次支持性文完成填报〈住宅使用说明书〉《住宅质量保证书》竣工面积实测测量土核手卖粘砖实乡理工案收办竣档验园林验收人防验收消 防 验收规划验收资质证明1. 目的科学有效地安排项目各阶段的报批报建工作,确保项目的正常开发经营。2. 适用范围适用于公司项目开发过程中,因为地理位置较远,报批报建成本较高而由项目经理部负责的报批报建工作。3.术语和定义4.职责4.1.工程及采购管理部4.2.严格根据公司法律规范化运作要求,根据项目开发进度,及时准确地办妥各项目所需报批报建手续,提供相关合法文件,为各项目的顺利开发经营提供保证;4.3.营销管理部、成本管理部、设计管理部负责提交本部门报批报建资料。5.工作程序5.1.在项目开发过程中,需各部门向工程及采购管理部提交的报批报建资料及提交时机见下表:报批报建事项所需资料资料提交部门提交时机房地产证付清地价款证明财务部按土地出让合同土地出让合同工程及采购管理部办完付清地价款证明建设用地规划许可证土地出让合同工程及采购管理部中标且测绘报告完成申办项目地名注册项目名称及释义营销管理部方案报建前设计方案报审设计方案文件设计部审核后初步设计报审初步设计图设计部审核后建设工程规划许可证审图公司审核后的施工图设计部审核后报批报建事项所需资料资料提交部门提交时机商品房面积预测施工图及电子文件设计部开盘前 60 天预售许可证预售合同示范文本营销管理部开盘前 30 天有资质的测绘机构出具工程进度鉴证报告工程及采购管理部开盘前...

1、当您付费下载文档后,您只拥有了使用权限,并不意味着购买了版权,文档只能用于自身使用,不得用于其他商业用途(如 [转卖]进行直接盈利或[编辑后售卖]进行间接盈利)。
2、本站所有内容均由合作方或网友上传,本站不对文档的完整性、权威性及其观点立场正确性做任何保证或承诺!文档内容仅供研究参考,付费前请自行鉴别。
3、如文档内容存在违规,或者侵犯商业秘密、侵犯著作权等,请点击“违规举报”。

碎片内容

项目报批报建作业指引

范哲铺+ 关注
实名认证
内容提供者

想你所想,急你所急,你需要的都在店铺里可以找到。

确认删除?
VIP
微信客服
  • 扫码咨询
会员Q群
  • 会员专属群点击这里加入QQ群
客服邮箱
回到顶部